Трубы для индивидуальных систем
До недавнего времени выбор труб для систем обогрева был ограничен изделиями из стали или меди. Ввиду высокой стоимости медных труб и особенностей их работы в системах со стальными теплообменниками, их применение было ограничено настолько, что выбора как такового не было вообще. Появление полимерных термопластичных материалов дало толчок для разработки новых технологий строительства в целом, и систем водоснабжения и обогрева в частности. Трубы из металлопластика и полипропилена активно вытесняют традиционную сталь и медь, тем не менее их использование ограничено конструкцией отопительной системы. Так, для гравитационных методов транспортировки теплоносителя применяются только металлические трубы. Отчасти это объясняется инертностью мышления владельцев домов с естественной циркуляцией, но в большей мере влияние оказывают особенности таких конструкций и стоимость монтажа и материалов.
Стальные
Стальные трубы
До появления термопластов преимущественное число отопительных систем монтировалось именно из стальных труб. Объясняется это просто – изделия из стали обладают высокой прочностью, отлично противостоят воздействию высоких температур и имеют длительный срок эксплуатации. В то же время, они не лишены и существенных недостатков:
- шероховатая внутренняя поверхность способствует образованию накипи;
- низкая коррозионная стойкость;
- при монтаже требуется высокая квалификация и наличие дорогостоящего оборудования;
- много отходов при монтажных работах;
- высокая инертность систем обогрева;
- большой вес, что влияет на стоимость и трудоёмкость при транспортировке.
Несмотря на все минусы, стальные трубы пока ещё остаются довольно сильным игроком на рынке стройматериалов.
Медные
Медные трубы придают интерьеру неповторимый шарм
Трубопроводы, построенные из медных элементов, обладают высокой долговечностью и прекрасной теплоотдачей. В подтверждение первого можно привести тот факт, что водопроводы и системы отопления, построенные в начале прошлого века, уже отпраздновали своё столетие, и продолжают успешно функционировать. Недостатков у медных труб немного – высокая цена, трудоёмкость монтажа и невысокая прочность. И если с двумя последними можно смириться, применяя компрессионные методы соединения медных элементов и соблюдая аккуратность в процессе эксплуатации, то стоимость таких систем существенно снижает спрос на медные изделия. Вместе с тем, медные трубопроводы незаменимы в создании определённых стилей интерьерного дизайна, поэтому продолжают использоваться в магистралях отопительных систем и водопроводов.
Металлопластиковые
Металлопластиковые трубы в системе отопления
Металлопластиковые трубы представляют собой многослойную конструкцию. Их внутренняя и наружная оболочки изготовлены из сшитого полиэтилена, а расположенный между ними армирующий слой — из алюминия. Такое решение позволило инженерам на 80% уменьшить линейное расширение изделий из полиэтилена, которое, к слову, превышает эту величину для стали более чем в 10 раз
Армирование алюминиевой фольгой позволило снизить диффузионную способность полимера, приблизив её к нулю, что особенно важно при работе в закрытых системах с горячим теплоносителем
Для монтажа металлопластиковых труб выпускается большой ассортимент резьбовых и компрессионных фитингов. Первые чрезвычайно просто монтировать — для этого достаточно обычного гаечного ключа и трубореза. Однако в процессе эксплуатации требуется следить за герметичностью резьбовых соединений, которые ослабевают из-за многочисленных циклов нагрева и охлаждения. Система, собранная на компрессионных фитингах, этого недостатка лишена, но требует при монтаже использования пресс-клещей, которые стоят недешево.
Трубы из полипропилена
Системы, смонтированные из полипропиленовых труб, обладают высокой надежностью и долговечностью
Особенностью этих термопластов является низкая диффузионная способность, высокая прочность и небольшой вес
К тому же, применение полипропиленовых труб позволяет избежать образования накипи и грязи на их внутренних поверхностях, что особенно важно в горячих водяных контурах. Изделия из этого термопласта позволяют проводить как открытый, так и скрытый монтаж, так как стыки деталей выполняются методом высокотемпературной пайки и отличаются высокой надёжностью
Для обустройства трубопроводов выпускаются фитинги различных видов, поэтому возможно построение магистрали любой конфигурации.
Расчет гидравлически коротких трубопроводов
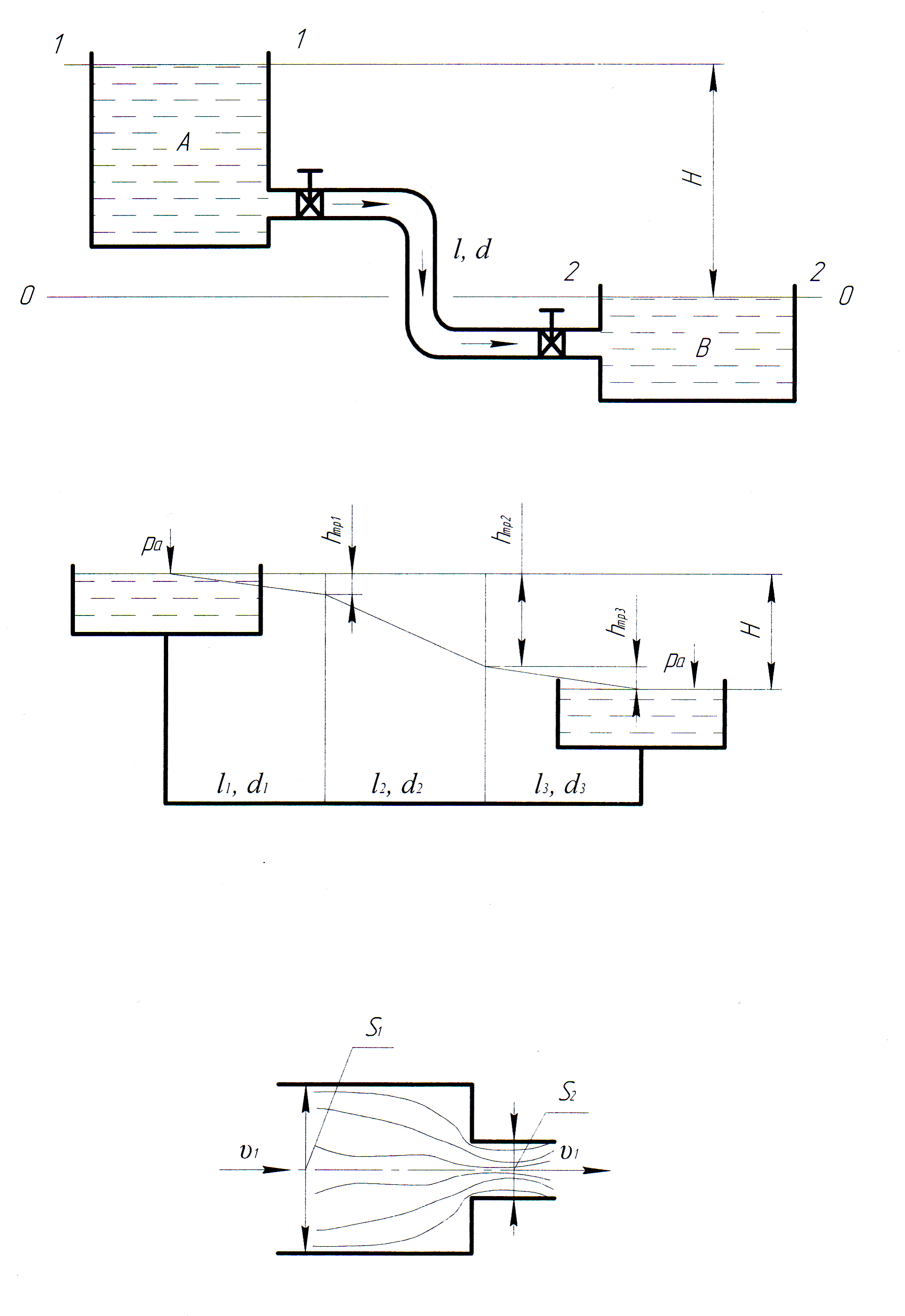
Первый случай:
Истечение жидкости под уровень.

Рис. 43 Схема расчета короткого трубопровода (случай первый)
Жидкость перетекает из А в В. Длина трубы , диаметр


Пренебрегая скоростными напорами и
, уравнение Бернулли имеет вид:
(126)
Потери напора

(127)


(128)
Обозначим

Так как
,
то

(130)
(131)
Обозначим:

тогда
, (132)
где

м
Второй случай:
Истечение жидкости в атмосферу.
Рис. 44 Схема расчета короткого трубопровода (случай второй)
Из уравнения Бернулли для сечений 1 — 1 и 2 — 2, получим
(133)
где
(134)
Подставив, имеем
(135)
Обозначим
,
тогда
(136)
и
(137)
Расход жидкости:
(138)
или
(139)
где
— коэффициент расхода системы.
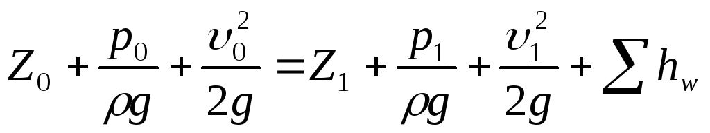
Пример. Определить расход керосина Т-1 при температуре
, протекающего по трубопроводу из сваренных труб из нержавеющей стали в пункты 1 и 2 (рис. 45), если напор Н в резервуаре постоянный и равный 7,2м. Длина отдельных частей трубопровода
, диаметры:
,
. Местные потери напора в расчетах не учитывать.

Рис. 45. Схема трубопровода с параллельными ветвями
Так как трубы 1 и 2параллельны, то потерянные напоры в этих трубах

или
(140)
По условию задачи размеры параллельных труб, изготовленных из одного материала, одинаковы (

) поэтому
и
Следовательно,
;
(141)
где



Уравнение Бернулли для сечений 0 — 0 и 1 — 1 (см. рис. 45)

Так как
,
,
,
,
то

или
(142)
Уравнение (142) можно решить только графоаналитическим способом. Задаемся разными значениями расхода жидкости в трубопроводе и для этих значений




(143)

По известным величинам







Для керосина Т — 1
,
.
У сварных труб из нержавеющей стали эквивалентная шероховатость
, поэтому относительная эквивалентная шероховатость труб
;
.
По известным величинам






Таблица 5
Расчет гидравлической характеристики трубопроводов
,
2 5 8
,
1,02 2,55 4,09 
2,04 5,10 8,18 
0,032 0,026 0,0245
,
0,053 0,332 0,851
,
0,312 1,54 3,83
,
0,795 1,99 3,19 
1,27 3,18, 5,10 
0,032 0,0285 0,028
,
0,0322 0,202 0,519
,
0,23 1,33 3,34
,
0,574 3,07 7,69
Параметры труб
Перед тем как решить, какой диаметр трубы выбрать для отопления, необходимо обратить внимание на материал изготовления. Ведь маркировки стальных и чугунных труб обозначают внутренний диаметр, а из меди и пластика — наружный
Незначительный нюанс играет очень большую роль при выполнении расчетов.
Основные характеристики магистралей, которые учитывают при планировании:
- Внутреннее сечение. Этот показатель заложен в основу расчета пропускной способности участков магистрали.
- Наружный диаметр. Он важен для металлических труб. Их поверхность отдает тепло в помещение, тем самым увеличивая площадь теплообмена.
- Условный диаметр. Это округленное значение диаметра трубы. Используется для теоретических исчислений и выражается в дюймах.

Армирующий алюминиевый слой
Определить сечение трубы для конкретного помещения не так уж сложно. Предварительно его можно рассчитать, взяв за основу тепловую нагрузку. Показатель статичен и общепринят на уровне 100 Вт на квадратный метр площади. Из этого следует, что для обогрева комнаты в 24 квадратных метра необходимо 2,4 кВт энергии. Подачу нужного количество теплоносителя сможет обеспечить труба диаметром ½ дюйма.
Результаты подбирают из специально составленных таблиц:
| Диаметр в дюймах | Расход (л/мин) | Показатель нагрузки (кВт) |
| ½ | 5,7 | 5,5 |
| ¾ | 15 | 4,5 |
| 1 | 30 | 29,2 |
При организации автономного теплообеспечения владелец дома вправе самостоятельно решать вопросы, связанные с температурой теплоносителя. Конкретных требований в этом плане не существует. Температуру определяют в зависимости от теплоизоляции здания и внешних погодных условий. Имеет значение и диаметр труб для системы отопления, установленной в доме.
Читайте далее:
Надежные и долговечные медные трубы отопления
Как выбрать электрокотел для отопления дома
Полипропиленовые трубы для водоснабжения и отопления — достоинства материала и особенности монтажа
Какие трубы для отопления лучше использовать в отопительных системах
Как скрыть трубы отопления — три варианта решений
Какой диаметр труб нужен для отопления частного дома

Технические характеристики трубы включают в себя три вида диаметров:
- внешний — диаметр с учётом толщины стенок, учитывается при расчёте монтажных креплений, необходимой площади, теплоизоляции и пр.;
- внутренний — ведущий технический параметр элемента, показывает размер просвета, рассчитывается для пропускной способности системы с учётом физических качеств теплоносителя;
- условный — усреднённое значение внутреннего просвета, округлённое в большую или меньшую сторону до миллиметров или дюймов стандартного значения, примерно равен внутреннему диаметру, маркируется как DN (ранее — ДУ).
Справка. Условный проход рассчитывается для определения пропускных возможностей трубопровода.
При выборе необходимого сечения учитываются следующие параметры:
- гидродинамика системы — с увеличением объёма проходящего теплоносителя эффективность системы падает, поэтому выбор большего диаметра трубы влечёт за собой уменьшение КПД системы;
- давление внутри системы — если сечение большое, то скорость прохождения теплоносителя по контуру низкая. Это повышает теплопотери, риск закипания жидкости в нагревательном котле при естественной циркуляции.
Внимание! Если трубы имеют меньший диаметр, то это также приводит к потере скорости жидкости, т. к
увеличивается сопротивление внутри системы и теплоноситель не проходит
Это чревато потерей температуры и шумами в работе батарей
увеличивается сопротивление внутри системы и теплоноситель не проходит. Это чревато потерей температуры и шумами в работе батарей.
мощность нагревательного котла — чем сильнее котёл, тем больший диаметр можно использовать;

- протяжённость системы — влияет на пропускные способности контура, например, труба в 25 миллиметров может пропускать около тридцати литров воды в минуту;
- способ циркуляции жидкости — для принудительной допустимо брать меньшее сечение по сравнению с естественной циркуляцией;
- скорость остывания теплоносителя — корректно подобранный диаметр обеспечит адекватную быстроту прохождения теплоносителя по всем помещениям;
- площадь помещения — сечение является одним из параметров теплоотдачи на квадратный метр;
- Количество разводок и поворотов — уменьшает скорость прохождения теплоносителя и давления в системе;
- материал — влияние физических характеристик материала на пропускные способности теплоносителя и отдачу тепла при определённой скорости движения энергоносителя.
Двухтрубный контур
Оборудования для конструирования разводки двухтрубного вида отопления нужно больше. Дополнительно требуется больше финансовых средств и монтажных работ.
В подобной схеме горячая вода распределяется равномерно и заодно в ней можно легко регулировать и настраивать функционирование системы.
Нагревается теплоноситель посредством двухконтурного котла за счет энергии газа.
При монтаже двухтрубной разводки необходимо установить на верхних позициях специальные автостравливающие клапаны. В одноэтажном доме подобные элементы устанавливаются на самой последней батарее.
Посредством терморегуляторов регулируется температура.
Большие помещения лучше оборудовать двухтрубным типом разводки и циркуляционным насосом. При площади меньше 100 кв. м однотрубный тип с естественным движением жидкости в системе сможет в полной мере обеспечить обогрев помещения.
Для исключения ошибок рекомендуется доверять создание проекта и монтаж системы отопления профессиональным сантехникам.
Схема однотрубной системы отопления

Однотрубная схема отопления для одноэтажного дома
Конечно же, все конструирование и последующая работа всегда зависит от того, какие финансовые возможности имеет хозяин проекта.
Что касается технического оснащения, то на данный момент на рынке представлены всевозможные варианты, которые подойду для людей с разными уровнями доходов.
Циркуляционный насос, если конечно имеется возможность осуществить его установку, усилит действенность и эффективность всей системы. Но он не является обязательным устройством, если ваша постройка имеет небольшую площадь.
Если же вы собираетесь построить небольшой дачный домик или же коттедж, также не больших размеров, то можно спокойно прожить и без такого насоса.
Знайте, что если вы хотите, чтобы в вашем доме осуществлялась естественная циркуляция, в таком случае необходимо установить главную трубу под уклоном в пол сантиметра.
Отопительная система, состоящая из одной трубы включает в себя:
- Трубопроводную разводку.
- Расширительный бак. (Читайте как рассчитать бак отопления)
- Котел для нагрева.
- Проводку.
Они могут быть разных видов:
- Лучеобразные;
- Звездообразные;
- Коллекторные.
Знайте, что система отопления одноэтажного дома осуществляет свою работу очень быстро, поэтому функционирует очень просто. Главное определиться с теми материалам, из которых она будет состоять, а потом уже производить довольно таки простые расчеты касательно теплопотерь, которые может испытывать дом в будущем.
Вода, которая нагревается от котла, попадает к отопительным приборам через трубопровод и подводы к нему. После того как она попадает в радиаторы, они забирают все ее тепло. Далее по той же схеме он возвращается назад. В самой верхней точке такой системы отопления располагают расширительный бак.
В момент движения по трубопроводу непосредственно происходит и сама передача, она осуществляется через стенки труб и приборов. На данный момент однотрубная система отопления считается самой экономичной из всех существующих.
Но такая отопительная система имеет и маленький недостаток. Он заключается в том, что температура во всех точках системы совершенно разная. В радиаторе находящемся в самом конце установки вода всегда будет намного холоднее, чем в том, который расположен рядом с котлом.
Посмотрите видео на примере системы «Ленинградка»:
Помимо этого еще одним минусом можно назвать то, что для перекрытия одной из батарей придется выключать всю отопительную сеть в целом.
Схема двухтрубной системы отопления

Двухтрубная схема отопления для одноэтажного дома
Дом не выше одного этажа может отапливаться с двухконтурным выполнением.
Это очень удобно, поскольку в таком варианте отопления дом будет, все время находится в тепле и будет снабжен горячей водой.
Одноконтурные системы можно встретить довольно таки часто, к примеру, первая используется для отопления, вторая для подачи горячего водоснабжения.
Самое важное в проектировании своего будущего жилья найти оптимальный баланс между затратами и потерями тепла, это является самым главным. Помимо этого также следует учесть мощность характеристик котла и эффективность, с которой будет осуществлять свою работу радиаторная батарея. Помимо этого также следует учесть мощность характеристик котла и эффективность, с которой будет осуществлять свою работу радиаторная батарея
Помимо этого также следует учесть мощность характеристик котла и эффективность, с которой будет осуществлять свою работу радиаторная батарея.
В качестве примера можно посмотреть видео (выше) на соответствующую тему, тогда все сразу же встанет на свои места, и вы будете знать, чего ожидать от своей отопительной системы.
Расчет диаметра для двухтрубной системы отопления
Считать будем на примере простого дома в два этажа. На каждом из этажей имеем два крыла. В самом доме будет установлена двухтрубная система отопления с такими параметрами:
- в сумме потеря тепла – 36 кВт;
- потеря на 1-ом этаже – 20 кВт;
- потеря на 2-ом – 16 кВт;
- установлены трубы из полипропилена;
- работа системы в режиме 80/60;
- температура – 20 С.
Ниже показана таблица (а) исходя из данных которой, мы будем определять искомый диаметр трубы. В таблице зелёным цветом отмечены ячейки с наилучшей(оптимальной) скоростью движения жидкости.
Считаем.Через участок трубы, которая соединяет первую развилку и котёл, проходит весь объём жидкости, следовательно, и всё тепло, а это 38 кВт. Давайте определим, какую здесь нужно брать трубу.
Берём нашу таблицу, в ней ищем соответствующую строчку, потом идём по зелёным ячейкам и смотри вверх. Что мы видим? А видим мы, что при таких параметрах нам подходит два варианта: 50 и 40 мм. Естественно (об этом писалось выше) выбираем меньший диаметр трубы для отопления дома 40 мм.
Дальше смотрим на развилку, которая разделяет движение теплоносителя на второй и первый этажи (16 и 20 кВт). Опять смотрим значения по таблице и получаем, что в оба направления нужен диаметр трубы 32 мм.
На каждом этаже у нас по два крыла. Контур также разделяется на две ветки. Считаем первый этаж:
20 кВт / 2 = 10 кВт на крыло
Второй этаж по аналогии:
16 кВт / 2 = 8 кВт на каждое крыло
Опять берём нашу таблицу и определяем, что на данных участках нужна труба с сечением 25 мм. Также по таблице хорошо видно, что такой диаметр используем до тех пор, пока нагрузка не упадёт до 5 кВт, потом будем использовать трубы по 20 мм.
Вот таким нехитрым способом мы рассчитали все диаметры трубы для отопления дома нужных нам полипропиленовых труб для двухтрубной системы отопления.
Для обратной подачи воды не нужно рассчитывать ничего, там всё намного проще: всю разводку делаете трубами аналогичного диаметра, что и на прямую подачу. Как видите, ничего сложного нет. Нужна лишь хорошая, подходящая под конкретный случай, таблица.
Некоторые нюансы расчёта диаметра для металлических труб
Но вот на протяжённых системах может случиться так, что самые последние в цепи обогревательные элементы будут холодными или слегка тёплыми. Это тоже следствие неправильного выбора диаметра трубы. К счастью, потери тепла легко можно рассчитать:
q = k * 3,14 * (tв-tп)
q — потери тепла на 1 метр (Вт/с);
k – коэффициент теплопередачи (Вт * м/с);
tв — температура горячей подаваемой воды (С);
tп — температура окружающей среды (С).
Возьмём трубу диаметром 40 мм. Допустим стенка будет толщиной в 1.4 мм. Материал – сталь. Рассчитаем:
q = 0,272 * 3,15 * ( 80 – 22 ) = 49 Вт/с
Вот и ещё одно доказательство того, почему нужно брать диаметр трубы для отопления дома с меньшим диаметром. Ведь ясно, что чем более толстая труба, тем намного больше мы потеряем тепла.
А в данном примере мы получили потери в практически 50 Вт на 1 метр расстояния. И если система довольно протяжённая, то можно потерять всё тепло.
Но не расстраивайтесь! Такие точные расчёты нужны только для многоэтажных жилых домов. Для индивидуальных систем отопления всё проще: расчёты округляют в большую сторону и этим получают определённый запас.
Формула расчета диаметра отопительных труб
Использовать профессиональные методы расчета диаметров труб проблематично ввиду их сложности, поэтому они применяются только специалистами в сфере прокладки отопительных систем.
Для самостоятельных расчетов можно использовать слегка урезанную формулу, которая выглядит следующим образом:
D = √354∙(0.86∙Q:Δt):V
Буквы расшифровываются так:
- D – диаметр трубы (см),
- Q – нагрузка на расчетный участок трубопровода (кВт),
- Δt – температурная разница на подающем и обратном контурах (С),
- V – скорость перемещения теплоносителя (м/с).

Среднее значение температурной разницы составляет около 20 градусов, поскольку температура теплоносителя в подающем контуре обычно держится на уровне 90 градусов, а на обратном пути вода охлаждается до 65-70 градусов.
Расчёты сечения металлических аналогов
Для внушительных отопительных сетей с металлическими трубами учитываются тепловые траты через стенки. Они не столь велики, но при большой длине трубы приводят к крайне низким температурам на заключительных обогревателях. И причиной тому может стать ошибочный выбор диаметра.
Пример расчёта:
Условия: стальная труба, D= 40 мм, толщина стенки = 1,4 мм.
Формула расчёта потерь такова: q = k*3.14*(tв-tп)
Здесь:
q — потери тепла на метр трубы,
k – линейный показатель тепловой передачи (для предложенной трубы он таков: 0,272 Вт*м/с);
tв — температурный показатель воды в данной трубе — 80°С;
tп — температурный показатель воздуха в комнате — 22°С.
Подставляются значения:
q = 0,272*3,15*(80-22)=49 Вт/с
Таким образом, на каждом метре потери составляют порядка 50 Вт. Если длина большая, потери могут стать фатальными. Разумеется, чем внушительнее сечение, тем огромнее потери. Если требуется учитывать и такие потери, то во время расчётных действий к сокращению теплового воздействия на радиатор следует приплюсовать потери в трубопроводе. И по общему значению вычисляется нужный диаметр для отопления дома.
Для индивидуальных отопительных технологий подобные значения не пагубны. И при вычислении потерь и мощи оборудования обычно округляют величины к увеличению. Так получается некоторый резерв, позволяющий избегать сложных расчётных операций.
Сечение труб – важный показатель
Владельцы частных домов чаще всего имеют свободу выбора в отношении применяемых систем отопления. В некоторых случаях возможно подключение к центральной тепломагистрали. Автономный способ обогрева дома подразумевает установку котельного оборудования, но в обоих случаях имеет большое значение размер диаметра труб отопления, из которых смонтирована система.
Следует учитывать принципиальное отличие показателей сечения трубопроводов, используемых для принудительной или естественной циркуляции теплоносителя. При естественном способе нет потребности рассчитывать баланс и соотношение между размером диаметра трубы и мощностью насоса. Однако такая система имеет недостаток: радиус ее действия ограничен, а затраты на материалы и монтаж довольно высоки.
Еще один немаловажный факт, который следует учитывать – размер гильзы, используемой при прокладке системы трубопроводов. С ее помощью труба размещается в толще стены, при этом гильза должна иметь внутренний размер немного больший, чем внешний диаметр трубы. Следовательно, при покупке необходимых материалов для монтажа трубопровода нужно учитывать их размеры.
Нюансы при выборе диаметра труб системы отопления
Описание диаметров труб
При выборе диаметра труб отопления принято ориентироваться на следующие характеристики:
- внутренний диаметр – главный параметр, определяющий размер изделий;
- вешний диаметр – в зависимости от этого показателя происходит классификация труб:
- малый диаметр – от 5 до 102 мм;
- средний – от 102 до 406 мм;
- большой – более 406 мм.
- условный диаметр – значение диаметра, округленное до целых чисел и выражающееся в дюймах (например, 1″, 2″и т. д.), иногда в долях дюйма (например, 3/4″).
Увеличенный или малый диаметр
Если вас интересует, как рассчитать диаметр трубы отопления, обратите внимание на наши рекомендации. Наружное и внутреннее сечение трубы будут отличаться на величину, равную толщине стенки этой трубы
Причем толщина разнится в зависимости от материала изготовления изделий.
График зависимости теплового потока от наружного диаметра трубы отопления
Профессионалы полагают, что при монтаже принудительной системы отопления диаметр труб должен быть как можно более малым. И это неспроста:
- чем меньше диаметр пластиковых труб для системы отопления, тем меньшее количество теплоносителя нужно нагревать (экономия времени на нагрев и денег на энергоносители);
- с уменьшением сечения труб замедляется скорость движения воды в системе;
- трубы малого диаметра проще монтировать;
- трубопроводы из труб небольших диаметров являются экономически более выгодными.
Однако это не означает, что нужно вопреки проекту отопительной системы приобретать трубы диаметром меньшим, чем получился у при расчете. Если трубы будут чересчур малы, это сделает работу системы шумной и малоэффективной.
Существуют конкретные значения, описывающие идеальную скорость движения теплоносителя в системе отопления – это интервал от 0,3 до 0,7 м/с. Советуем равняться именно на них.
Методики вычисления диаметра труб
Большое количество данных и сложные формулы не всегда удобны для вычисления диаметра трубы и прокладки магистрали. Существуют и другие методы, позволяющие определить, какие размеры труб можно использовать для монтажа отопления. Сегодня для расчета используются следующие методики:
Табличная методика позволяет определить диаметр с использованием готовых таблиц
В расчете берутся во внимание скорость движения теплоносителя, объем тепловых потерь, мощности отдельного прибора отопления или всей системы;
Методика вычисления на основании расчета тепловой мощности системы;
С учетом коэффициента гидравлического сопротивления контура движению теплоносителя.
Табличные и справочные данные
Все эти методики используют стандартизованные табличные и справочные данные. Которые дают возможность быстро определить подходящий диаметр трубы.
Использование таблиц и справочников можно назвать одним из 5 секретов теплотехников. Именно по ним, они безошибочно вычисляют номенклатуру труб для системы.
Для работы со справочной таблицей, необходимо прежде всего вычислить общую тепловую мощность здания в целом и по каждому помещению. Второй секрет заключается в том, что в контуре отопления теплоноситель имеет определенный диапазон скорости движения. Понятие сложное, но на практике это звучит так – если вода движется слишком медленно, помещение просто не будет прогреваться. Так как в системе будут постоянно образовываться воздушные пробки. Поэтому минимально допустимая скорость движения теплоносителя, при котором все элементы будут работать сбалансировано – это 0,3 метра в секунду.
С другой стороны, если теплоноситель будет двигаться слишком быстро, например, под давлением циркуляционного насоса. В этом случае, сами радиаторы и трубы будут издавать, очень слышимые звуки, что тоже не очень хорошо. Поэтому, верхний предел скорости движения принято считать 0,7 метра в секунду. Вот этот промежуток скорости потока с 0,3 до 0,7 м/с и принято брать как оптимальный для контура отопления в частном доме.
Пример для определения нужного размера диаметра трубы
К примеру, можно взять двухэтажный дом с общей площадью 75 метров. Площадь первого этажа 50 метров, второй занимает 25 метров отапливаемой площади.
Теперь, когда известны все данные по таблице можно определить нужные размеры труб. Общая площадь дома – 75 м2 множатся на 100вт, в результате получается 7500 ватт общей тепловой мощности, для этого показателя размер трубы должен быть не меньше 25 мм. Для контура первого и второго этажей ее диаметр может быть меньше, поскольку для показателя 5000 и 2500 применимы 20 мм трубы.
Диаметр труб и его влияние на КПД системы отопления
Система отопления функционирует эффективно только тогда, когда проект трубопровода выполнен корректно
На этапе планирования важно рассчитать вероятные теплопотери и попытаться их максимально сократить. Иначе, несмотря на внушительные энергозатраты, отопительная система справляться со своими задачами полноценно не будет
При покупке труб для монтажа отопительной сети необходимо учитывать не только физико-химические характеристики материала, но и то, какой длины и диаметра будет ваш трубопровод. Такой подход позволит создать экономичную систему отопления с высоким КПД.
Сечение труб влияет на гидродинамику трубопровода, поэтому выбор диаметра труб для отопления нельзя проводить бездумно.
Многие думают, что с увеличением диаметра труб отопления растет эффективность самой системы. Но это утверждение ошибочно. При неоправданно большом диаметре давление в системе отопления снижается, достигая минимальных значений, что приводит к отсутствию отопления в доме как такового.
Как подобрать диаметр трубы, если планируется монтаж трубопровода в частном коттедже? В первую очередь ориентируйтесь на то, каким способом теплоноситель будет подаваться в вашу отопительную систему. Если вы подключены к централизованной магистрали, то расчет осуществляется так же, как и при проведении тепла в квартире.

Таблица расхода теплоносителя, скорости его движения и потерь давления стальных и ПЭ труб различных диаметров
Но если ваш дом оснащен автономной отопительной системой, тут диаметр зависит от материала изготовления труб и от схемы отопления. Например, для сети с естественной циркуляцией теплоносителя понадобятся трубы одного диаметра, а при добавлении в систему насоса – другого.












,
























