Правильный выбор котла для закрытой системы
Отопительная система закрытого типа может функционировать в автономном режиме. Специалисты рекомендуют устанавливать автоматические котлы, которые осуществляют работу по параметрам, установленным после монтажа. В таком случае не требуется никакого вмешательства со стороны хозяев, что является очень удобным.
Основные разновидности котлов, в зависимости от топлива, на котором они работают:
- газовые;
- электрические;
- на жидком топливе;
- на твёрдом топливе.
Наиболее подходящим вариантом, для закрытой отопительной коммуникации являются котлы, использующие в качестве топлива газ. При монтаже газового котла для закрытой отопительной конструкции существует возможность подключения к системе комнатного термостата. Этот прибор позволяет выставлять необходимую температуру в отапливаемых помещениях, причём точность температуры является очень высокой (до одного градуса).
К некоторым разновидностям котлов можно подключить специальные датчики погоды, которые устанавливаются снаружи здания и передают информацию о погоде. По их показаниям котёл регулирует мощность и скорость нагрева теплоносителя.
Закрытую систему для обогрев дома можно организовать с любым типом котла, в том числе и электрического
Стоит также сказать несколько слов о моделях, которые функционируют на электрической энергии. Существует три типа таких котлов:
- обычные котлы, включающие в себя трубчатый электронагреватель (ТЭН);
- индукционные;
- электродные.
Два последних типа считаются более компактными и выгодными, с финансовой точки зрения. Кроме этого, они обладают меньшим коэффициентом инерционности, что также является неоспоримым плюсом.
Самыми универсальными на сегодняшний день считаются котлы, которые используют в качестве топлива твёрдые или жидкие материалы.
Твердотопливные котлы имеют возможность организации автоматического контроля за процессом горения, однако, из-за специфики топлива эффективность такой автоматической системы будет ниже.
Расчёт мощности этого устройства производится довольно просто, но и здесь есть свои нюансы. Специалисты советуют подбирать котёл, руководствуясь таким расчётом: на 1 м² площади необходимо 100 Ватт мощности. Желательно подбирать котёл с мощностью несколько выше. Это обусловлено тем, что бывают аномально холодные зимы. Запас мощности должен составлять примерно 30–50%.
Порядок проведения работ
Если все готово, можно приступать к монтажу. Вот основные его этапы:
Установка котла
Подключение теплогенератора к системе газоснабжения может осуществлять только сотрудник газового хозяйства, но все остальное пользователь вправе сделать самостоятельно. Прежде всего, нужно правильно выбрать место для котла. Он должен стоять поближе к дымоходу, так чтобы длина соединяющей их трубы не превышала 25 см. Площадь поперечного сечения дымохода должна быть не меньше, чем у дымоотводящего патрубка котла.
Объем помещения должен составлять не менее 15 куб. м, а при мощности котла свыше 75 кВт – по 0,2 куб. м на каждый киловатт.
Схема отопления с газовым котлом
В помещении должно быть окно, минимальная площадь которого определяется из расчета 0,03 кв. м на каждый куб. м объема.
В котельную должен поступать свежий воздух – непосредственно с улицы либо через соседнее помещение, например, через кухню.
Подключать полимерные трубы непосредственно к котлу нельзя. Между ними и теплогенератором должен быть металлический участок длиной не менее 3 м.
Разметка
Перед тем как продолжить монтаж системы отопления, нужно отметить на стенах местоположение крепежных элементов и отверстий для пропуска труб.
Разметку отверстий под кронштейны радиаторов удобнее всего наносить при помощи шаблона.
Если предполагается использовать секционные радиаторы большой длины, то кронштейны нужно располагать не только с краю, но и посредине, чтобы избежать провисание прибора с его последующей деформацией и разгерметизацией.
Установка оборудования и монтаж трубопроводов систем отопления
Рассмотрим монтаж системы отопления из полипропиленовых труб. Перед навешиванием радиатора на стене можно закрепить лист фольги, которая уменьшит теплопотери за счет отражения инфракрасного излучения. Еще один полезный прием – установка над радиатором плавно изгибающегося жестяного козырька, который облегчит нагретому воздуху выход из-под подоконника.
Циркуляционный насос устанавливают на линии «обратки» перед самым котлом. Здесь теплоноситель является наиболее холодным, а значит, насос прослужит дольше.
Этот участок хорошо подходит и для мембранного расширительного бака. Последний очень не любит турбулентность, и как раз перед циркуляционным насосом она почти никогда не наблюдается.
Воздухоотводчик устанавливается в самой высокой точке контура.
Готовая отопительная система с трубопроводом
Соединения в полипропиленовых и металлопластиковых трубопроводах выполняются разными способами. Детали из полипропилена свариваются, для чего их нужно разогреть на специальном инструменте, называемом в обиходе паяльником или утюгом.
Время выдержки строго регламентировано и зависит от диаметра детали и толщины ее стенки. После разогрева одна из деталей одевается на другую и по мере остывания они образуют прочный сплав.
Ни в коем случае нельзя сваривать полипропиленовые трубы между собой встык, без применения муфты. Такое соединение не выдержит внутреннего давления и очень быстро даст течь.
Для присоединения металлопластиковой трубы к арматуре или радиатору на ней необходимо закрепить фитинг. Фитинги бывают двух видов:
- Обжимные: самый доступный, а соответственно, и самый популярный вариант. Деталь состоит из штуцера, разрезного кольца (сухаря) и накидной гайки. Первой на трубу надевается гайка, затем – сухарь, после чего в нее вводят штуцер. Теперь сухарь нужно надвинуть на штуцер, а следом за ним – накидную гайку, которая при этом навинчивается на имеющуюся на штуцере резьбу. Затягивать гайку нужно до того момента, пока не услышите четырехкратное поскрипывание материала. У обжимных фитингов есть существенный недостаток: время от времени их приходится подтягивать, иначе они начнут подтекать. По этой причине их нельзя замуровывать в стены.
- Пресс-фитинги: более дорогая, но зато и гораздо более надежная разновидность. Фитинг имеет гильзу, которая обжимается специальными клещами вокруг штуцера после надевания на него трубы. При таком исполнении протечки исключены, так что трубы с пресс-фитингами можно безбоязненно прокладывать скрытым способом.
Перед протяжкой трубы через отверстие в стене ее конец следует обмотать полиэтиленовой пленкой во избежание попадания внутрь мусора.
Собранную систему нужно подвергнуть испытанию давлением – опрессовке. Для этого используют ручной или электрический опрессовщик. С его помощью в системе на несколько часов создают давление в 1,5 – 2 раза выше номинального.
Если за время испытаний показания манометра не изменились, значит, протечки отсутствуют.
Куда ставить
Устанавливать циркуляционный насос рекомендуют после котла, до первого ответвления, а вот на подающем или обратном трубопроводе — все равно. Современные агрегаты делают из материалов, которые нормально переносят температуры до 100-115°C. Мало найдется систем отопления, которые работают с более горячим теплоносителем, потому соображения более «комфортной» температуры несостоятельны, но если вам так спокойнее, ставьте в обратке.
Можно ставить в обратном или прямом трубопроводе после/перед котлом до первого ответвления
Нет разницы и по гидравлике — котлу, да и остальной системе, абсолютно все равно, в подающей или обратной ветке стоит насос. Что имеет значение — это правильность установки, в смысле обвязки, и правильная ориентация ротора в пространстве
Остальное неважно
По месту установки есть один важный момент. Если в системе отопления две отдельные ветки — на правое и левое крыло дома или на первый и второй этаж — имеет смысл на каждой поставить отдельный агрегат, а не один общий — непосредственно после котла. Причем на этих ветках сохраняется то же правило: сразу после котла, до первого разветвления в этом отопительном контуре. Это даст возможность задавать требуемый тепловой режим в каждой из частей дома независимо от другого а также в двухэтажных домах экономить на отоплении. Как? За счет того, что на втором этаже обычно значительно теплее, чем на первом и там требуется намного меньше тепла. При наличии двух насосов в ветке, которая идет наверх, скорость движения теплоносителя задается намного меньше, а это позволяет сжигать меньше топлива, причем без ущерба для комфортности проживания.
Есть два типа систем отопления — с принудительной и естественной циркуляцией. Системы с принудительной циркуляцией работать без насоса не могут, с естественной — работают, но в таком режиме имеют более низкую теплоотдачу. Тем не менее, меньшее количество тепла, это все-таки намного лучше, чем его полное отсутствие, потому в местностях, где электричество отключают часто, проектируют систему как гидравлическую (с естественной циркуляцией), а затем в нее врезают насос. Это дает высокую эффективность и надежность отопления. Понятное дело, что установка циркуляционного насоса в этих системах имеет отличия.
Все системы отопления с теплым полом принудительные — без насоса через такие большие контура теплоноситель не пройдет
Принудительная циркуляция
Так как система отопления с принудительной циркуляцией без насоса неработоспособна, его устанавливают прямо в разрыв подающей или обратной трубы (по вашему выбору).
Большинство проблем с циркуляционным насосом возникают из-за наличия в теплоносителе механических примесей (песка, других абразивных частиц). Они способны заклинить крыльчатку и остановить мотор. Потому перед агрегатом обязательно ставят сетчатый фильтр-грязевик.
Установка циркуляционного насоса в систему с принудительной циркуляцией
Также желательно с двух сторон установка шаровых кранов. Они дадут возможность заменить или отремонтировать устройство без слива теплоносителя из системы. Перекрываете краны, снимаете агрегат. Сливается только та часть воды, которая была непосредственно в этом куске системы.
Естественная циркуляция
Обвязка циркуляционного насоса в гравитационных системах имеет одно существенное отличие — необходим байпас. Это перемычка, которая делает систему работоспособной при неработающем насосе. На байпасе ставят один шаровый отсечной кран, который закрыт, все время, пока работает перекачка. В таком режиме система работает как принудительная.
Схема установки циркуляционного насоса в системе с естественной циркуляцией
Когда пропадает электричество или агрегат выходит из строя, кран на перемычке открывают, кран, ведущий на насос, перекрывают, система работает как гравитационная.
Особенности монтажа
Есть один важный момент, без которого установка циркуляционного насоса будет требовать переделки: требуется разворачивать ротор так, чтобы он был направлен горизонтально. Второй момент — направление потока. На корпусе есть стрелка, указывающая в какую сторону должен течь теплоноситель. Вот так и разворачивайте агрегат, чтобы направление движения теплоносителя было «по стрелке».
Сам насос может быть установлен как горизонтально, так и вертикально, только при подборе модели смотрите, чтобы он мог работать в обоих положениях. И еще один момент: при вертикальном расположении мощность (создаваемый напор) падает примерно на 30%. Это надо учитывать при выборе модели.
Виды водяных систем отопления в частном доме
Существует несколько видов водяного отопления для частных домов. Здесь мы подразумеваем стандартные системы обогрева с помощью радиаторов, теплые полы и плинтусное отопление. Отдельные виды могут совмещаться друг с другом, что позволяет достичь эффективного обогрева. Например, в спальнях и гостиных монтируются обычные радиаторы, а в ванных комнатах и туалетах нередко прокладываются теплые полы – отличное решение для тех, кто не выносит холода и не любит холодный кафель. Давайте разберемся в отдельных видах отопления и в их преимуществах.
Радиаторные
Радиаторные системы отопления являются неустаревающей классикой. Принцип их работы заключается в передаче тепла от теплоносителя через устанавливаемые в помещениях радиаторы. Такие отопительные системы смонтированы в подавляющем большинстве зданий различного назначения – в жилых, производственных, административных, хозяйственных и многих других. Они отличаются относительной легкостью в монтаже – достаточно протянуть трубы и подключить к ним радиаторы.
Раньше водяное отопление в частном доме предусматривало монтаж громоздких чугунных радиаторов. Со временем им на смену пришли более легкие и тонкие стальные радиаторы, изготовленные из стойкой к коррозии стали. Позднее на свет появились алюминиевые батареи – они отличаются легкостью, дешевизной и выносливостью. Для частного дома это самый идеальный вариант батарей.
Главным плюсом радиаторных систем является то, что для их прокладки не нужно заливать бетонные стяжки. Весь монтаж сводится к установке котла и радиаторов с их последующим подключением. Радиаторы обеспечивают эффективный прогрев помещений и не нарушают дизайн интерьеров, особенно, если в качестве них выступают современные алюминиевые многосекционные батареи.
Теплый пол
Водяное отопление пола в частном доме может работать как в самостоятельном режиме, так и во вспомогательном. В самостоятельном режиме надобность прокладывать трубы с радиаторами отпадает, а все тепло испускают полы. Благодаря этому на таких полах могут без опаски играть дети, их не продует и не просквозит. У вас постоянно мерзнут ноги? Тогда вам обязательно придутся по душе всегда теплые полы. Во вспомогательном режиме они работают как дополнение к радиаторным системам.
Системы теплых полов хороши на кухнях, в ванных комнатах и туалетах. где на полу чаще всего лежит вечно холодная плитка. Прокладка отопления поможет сделать полы теплыми и комфортными. Например, в ванной комнате вам больше не придется становиться босыми ногами на холодную плитку. То же самое относится и к туалету. Если у вас на кухне лежит кафельный пол, смело укладывайте системы теплых полов и здесь. Еще одно место, где теплый пол станет атрибутом комфорта, это спальня – согласитесь, мало приятного вылезать из-под теплого одеяла и становиться пятками на холодные полы.
Для теплых полов характерна низкая температура теплоносителя, не превышающая +55 градусов, что позволяет создавать экономичные системы отопления. Но необходимость делать бетонные стяжки и проходить сквозь стены и дверные коробки является весомым минусом. Лучше всего продумать необходимость монтажа системы еще на этапе постройки дома.
Плинтусные
Современные отопительные системы, построенные на основе классических алюминиевых радиаторов, отличаются тем, что тепло от них распространяется только вверх – за счет естественной конвекции. В результате весь теплый воздух поднимается, а на его место поступает холодный воздух. Нет ничего удивительного в том, что у домочадцев начинают мерзнуть ноги. Единственным плюсом является отсутствие холода от окон, так как он уносится конвекцией к потолку. Но что делать с отоплением? Не опускать же радиаторы на самый пол?
Выходом из ситуации становятся плинтусные системы отопления. Здесь используются малогабаритные радиаторы, сделанные из латуни или алюминия. Подача теплоносителя осуществляется с помощью пластиковых труб небольшого диаметра. Система дополняется кранами, спускниками воздуха и прочими необходимыми аксессуарами.
Все это уложено в специальный пластиковый плинтус – попадающий сюда воздух нагревается и нагревает находящиеся сверху стены. Далее помещение согревается инфракрасным излучением от нагретых стен и полов. Сквозняки, дующие по полу, в обогреваемых помещениях отсутствуют. Здесь прогреваются не только стены, но и сами полы, делая комнаты теплыми и комфортными.
Достоинством плинтусного отопления является то, что его можно проложить на любом этапе, даже после завершения строительства. Недостатки – высокая стоимость монтажа и куча требований к размещению плинтусов и прочих элементов. Допускается и одновременный монтаж всех видов описанных систем.
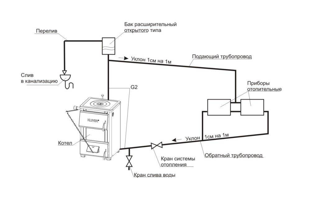
Как работает открытая система отопления
Принцип движения теплоносителя в системе заключается в том, что существует разница в плотности горячей и холодной воды. Сама структура системы довольно проста и состоит из следующих основных элементов:
- Стальной или чугунный радиатор.
- Один из видов котлов отопления – газовый, твердотопливный, дизельный и т. д. Выбрать для себя нужно оптимальный вариант.
- Расширительный бачок – чаще всего из стали.
- Трубопровод.
Принцип работы такой отопительной системы довольно несложен, в основе его лежат обычные законы физики. После того как вода нагреется в котле, она под высоким давлением поступает по трубам в зоны, где давление значительно ниже. Когда она пройдет по всем радиаторам, вода поступает обратно в котел. Из-за того, что при нагреве вода, как и все другие вещества, расширяется, необходим специальный расширительный бачок. Он компенсирует излишки теплоносителя. Для этого бачок должен быть обязательно герметичным. Помимо этого, не стоит забывать о врезном кране. Он необходим для того, чтобы удалить воздух из системы.

Схема открытой системы отопления. Нажмите на фото для увеличения.
Вся схема работы может быть условно подразделена на 2 части:
- Нагревание воды и ее движение по трубам.
- Так называемая “обратка”, охлаждение воды и ее возвращение в котел.
У всей конструкции есть некоторые особенности:
- чем больше будет диаметр трубопровода, тем лучше будет циркуляция воды;
- сам расширительный бак должен располагаться выше по уровню других частей отопления;
- вода имеет свойство испаряться, поэтому следует время от времени следить за уровнем воды;
- вода – наиболее предпочтительный энергоресурс для отопительной системы, нежели остальные. 
Разновидности
Итак, существует два основных вида насосов: с «мокрым» ротором и ротором «на сухую». Что это означает? Рассмотрим более подробно эти циркуляционные насосы для систем отопления, технические характеристики этих устройств тоже не оставим без внимания.
«Сухой»
В данном случае ротор никоим образом не контактирует с теплоносителем – его рабочая часть отделена от двигателя посредством уплотнительных колец. КПД насосного оборудования такой конструкции достигает порядка 80%. Однако работа «сухого» ротора сопровождается шумовым эффектом.
«Мокрый»
Циркуляционные насосы для систем отопления (как выбрать данное оборудование, рассмотрим ниже) с «мокрым» ротором, наоборот, совместно с крыльчаткой погружаются в теплоноситель, который охлаждает электрический двигатель, играя при этом роль смазки. В связи с этим уровень шума, который создается двигателем, существенно ниже.
Подобный вариант двигателя не требует особого технического обслуживания на протяжении долгого времени. Однако, по сравнению с предыдущим вариантом, его работа не настолько эффективна – КПД уменьшается до 50%. Тихо работающее оборудование «мокрого» типа традиционно используется в бытовых системах отопления для циркуляции теплоносителя.
Выбирая насосное оборудование для системы отопления, рекомендуется учитывать определенные параметры. Рассмотрим их более подробно.
Выбор расширительного бака для закрытого отопления
Теплоносителем в отопительных системах частных домов обычно является обычная вода. При нагреве вода имеет свойство расширяться, тем самым увеличивая давление в системе. Если давление в герметичной системе превысит критическую точку, то может произойти прорыв трубопровода. Как сделать закрытую систему отопления, которая не будет повреждать трубы?
Для решения этой проблемы были созданы расширительные бачки, которые позволяют устранить излишки жидкости, тем самым предотвращая повышение давления.
Расширительный бак состоит из двух частей: металлического корпуса и эластичной диафрагмы, которая находится внутри и разделяет корпус на две половинки. «Задняя» часть бака заполняется воздухом или газом, а в нижнюю часть попадает расширившаяся жидкость. Когда температура повышается, вода продолжает увеличиваться в объеме, воздействуя на мембрану, которая начинает сжиматься.
Мембраны в баках могут быть двух типов:
- Фиксированная. Такая мембрана закрепляется по периметру расширителя и обеспечивает стабильную работу, но в случае ее повреждения необходимо будет менять весь бак.
- Сменная. Мембраны данного типа обычно производятся в виде объемных резиновых изделий, которые заполняются водой. Сменные мембраны устанавливаются на фланце бака, а в случае их разрыва замену можно произвести самостоятельно.
Заключение
Система отопления является важным элементом дома, и ее расчет необходимо выполнять в соответствии со всеми правилами. Вопрос, что лучше: закрытая система отопления своими руками или же построенная профессионалами – остается открытым, но он не является самым важным.
Очень важно выбрать правильные элементы системы, которые обеспечат максимальную эффективность и экономичность, будут надежными и качественными. Закрытая система отопления, схема которой изображена на фото, может стать отличным выбором, обеспечивающим выполнение всех требований. Если все было выполнено верно, то закрытая отопительная система будет обогревать здание на протяжении многих лет, создавая уютную и комфортную обстановку
Если все было выполнено верно, то закрытая отопительная система будет обогревать здание на протяжении многих лет, создавая уютную и комфортную обстановку.
Можно ли сделать монтаж самому
Можно открытую систему сделать своими руками. Монтируется котел, к которому подводится газ и создается дымоход.
На обратку монтируется расширительный бак открытого типа. Он устанавливается выше отопительной конструкции.
При монтаже конструкции учитываются следующие требования:
- Отопительный котел монтируется в нижней точке схемы, а бак наверху. Мощность устройства определяется конструкцией.
- При выходе из отопительного котла монтируется труба с большим сечением. С краю магистрали подачи устанавливается труба с меньшим сечением. Это необходимо для обеспечения разницы давлений.
- Сечение горизонтальных магистралей равняется отверстию стояка.
- Трубы укладываются под наклоном.
- Для нагнетания давления стояк устанавливается высоко.
- Открытая система содержит минимальное количество поворотных механизмов.
Лучевая разводка системы отопления: элементы и особенности
Такая система отопления как лучевая идеально подходит для многоэтажных домов, которые имеют множество квартир. Эта система отопления снижает энергопотребление и повышает эффективность работы отопительного прибора. Принцип работы такой системы очень простой, но имеет некоторые особенности. Например, если в доме всего несколько этажей, то коллектора необходимо ставить на всех этажах, кроме того нужно учесть, что есть вариант установки нескольких коллекторов сразу, а от них уже идет и сама разводка трубопровода системы отопления.
 
Еще отметим, то, что данная система будет эффективной только в случае, если дом имеет хорошее утепление и не обладает большой тепловой потерей. В случае утепления дома внутри и с наружи, то проблем с эффективностью лучевого отопления не возникнет. А если наоборот дом не утеплен ни с одной из сторон, то все полученное тепло будет распространяться только на оконные панели, полы и стены. Лучевая система имеет сложную конструкцию, в которую входят основные и дополнительные элементы, они необходимы для выполнения качественной системы отопления.
Основными составляющими являются 4 элемента:
Одним из основных элементов принято считать котел
От него и подается тепло по системе отопления и радиаторам
Не менее важной частью такой системы является насос. Он циркулирует теплоноситель по системе отопления и создает давление в ней
Такой насос обеспечивает поддержание комфортной температуры в помещение и гарантирует эффективность в работе всей системы. Гребенка, в народе коллектор, так же является основной частью в лучевой системе отопления
Эта составляющая лучевого отопления, которая равномерно распределяет подачу тепла по всему помещению дома. Шкаф – это место где скрывают все элементы разводки. В такой шкаф устанавливают коллектор, прячут трубы и арматуру. Он имеет очень простую конструкцию, но, не смотря на это, является, очень функциональным и практичным. Располагаться, он может как снаружи, так и внутри в стены.
Такой насос обеспечивает поддержание комфортной температуры в помещение и гарантирует эффективность в работе всей системы. Гребенка, в народе коллектор, так же является основной частью в лучевой системе отопления. Эта составляющая лучевого отопления, которая равномерно распределяет подачу тепла по всему помещению дома. Шкаф – это место где скрывают все элементы разводки. В такой шкаф устанавливают коллектор, прячут трубы и арматуру. Он имеет очень простую конструкцию, но, не смотря на это, является, очень функциональным и практичным. Располагаться, он может как снаружи, так и внутри в стены.
Каждый из компонентов играет свою особую роль. Отсутствие одного из них делает процесс обогрева невозможным.
В случае сравнения лучевой системы с обычными системами, которые всем известны на сегодняшний день, то лучевая система имеет в несколько раз больше преимуществ, чем системы отопления старого поколения.
Основные преимущества:
- Такую систему не видно, а все составляющие части и трубы скрыты и не портят интерьер помещения;
- Не имеет соединений между отопительным котлом и коллектором, а это означает, что не имеет слабых мест;
- Установка отопительной системы можно выполнять собственными силами, а это экономит средства и при этом качество выполняемых работ оптимальное;
- Система работает стабильно и именно это исключает гидравлические удары и выход из строя отопительной системы;
- В случае необходимости ремонта любого участка системы, нет необходимости в отключении всей системы, так как ремонт такой системы не сложный и не требует разрушений конструкции или сложных мест монтажа;
- Доступная ценовая политика и простой монтаж.
Есть так же один основной недостаток. Таким недостатком является, то, что системы данного отопления обладают индивидуальной конструкцией, в основном эта деталь касается собственных домов. Именно из-за этого стоимость может возрасти или снизится. А также не все могут справиться с установкой и настройкой, такой системы таким людям придется обращаться к специалистам и за это конечно придется заплатить.
Не целесообразно устанавливать такую систему отопления в одноэтажных частных домах, которые имеют меньше трех комнат.
Однотрубная система отопления
Этот вариант используется в тех случаях, когда необходимо провести коммуникации быстро и с минимальными затратами.

Применяется в жилищном, частном и промышленном строительстве. Особенностью такого решения является отсутствие магистрали обратной подачи воды. Батареи подключаются последовательно, сборка производится в сжатые сроки и не требует сложных предварительных расчетов.
Как работает однотрубная магистраль
В таких конструкциях теплоноситель подается в верхнюю точку и стекает вниз, последовательно проходя через нагревательные элементы. При обустройстве многоэтажного дома практикуется установка промежуточного насоса, создающего необходимое давление в подающей трубе для продавливания горячей воды по замкнутому контуру.
Вертикальная и горизонтальная схемы
Строительство однотрубной магистрали осуществляется в вертикальной и горизонтальной ориентации. Вертикальная разводка устанавливается в зданиях, имеющих два и более этажа. Теплоноситель подается в радиаторы, начиная с самого верхнего. Горизонтальная отопительная магистраль чаще всего применяется для обустройства одноуровневых строений — домов, дач, складов, офисов и прочих коммерческих объектов.

Схема разводки трубопровода предполагает горизонтальное расположение стояка с последовательным его подводом к батареям.
Плюсы и минусы
Однотрубный вариант конструкции отопительной магистрали имеет следующие достоинства:
 Монтаж проводится быстро, что немаловажно при современных требованиях темпов строительства. Кроме этого, внешний вид однотрубного коллектора высотой несколько метров выигрывает в сравнении со сложной системой из двух линий.
 Небольшой бюджет
Расчет расходов показывает, что для строительства требуется минимальное количество труб, фитингов и арматуры.
 Если потребители устанавливаются на байпас, то появляется возможность регулировать баланс тепла отдельно в каждой комнате.
 Использование современных запорных устройств дает возможность модернизировать и совершенствовать магистраль. Это позволяет осуществлять замену радиаторов, врезку приборов, другие усовершенствования без длительной остановки системы и слива из нее воды.
Есть у этой конструкции и свои недостатки:
- Последовательное расположение батарей не исключает возможность регулировать в них температуру нагрева по отдельности. Это влечет охлаждение всех остальных радиаторов.
- Ограниченное количество батарей на одной линии. Больше 10 их ставить нецелесообразно, так как на нижних уровнях температура будет ниже допустимого.
- Необходимость установки насоса. Это мероприятие требует дополнительных денежных вложений. Силовая установка может стать причиной гидроудара и повреждения магистралей.
- В частном доме потребуется установка расширительного бака с краном для стравливания воздуха. А для этого требуется место и проведение утеплительных мероприятий.
Заключительный вывод
Практика показывает, что 2-трубная тупиковая система подходит для отопления большинства средних жилых домов. Техническое решение подкупает простотой и приемлемой стоимостью монтажных работ. Коллекторная и попутная разводка обойдется дороже – играет роль цена оборудования и протяженность линий. Взгляните на схему с петлей Тихельмана – распределяющие трубопроводы одинакового диаметра идут по всему периметру здания.
Отдельный разговор — двухтрубная система отопления с естественной циркуляцией воды. В условиях частых перебоев с электроэнергией лучше не рисковать и не гнаться за красотой интерьеров, а смонтировать энергонезависимый обогрев. Высокие первоначальные вложения компенсируются теплом и низким потреблением электричества.
Различные варианты тупиковой системы отопления предполагают применение двухтрубной схемы прокладки контура. В случае необходимости можно сделать прокладку однотрубной системы. Для этого потребуется правильно рассчитать диаметр труб и выполнить расстановку радиаторов, что усложнит монтаж. Применение однотрубной схемы делает обогрев жилья менее эффективным.




































