Классификация печей-каминов
На современном рынке представлено огромное количество самых разных моделей печей-каминов. Все эти конструкции – это печи со встроенным теплообменником, поэтому для выбора подходящего варианта используются другие параметры, например, тип используемого топлива или номинальная мощность.Самые популярные печи-камины:
- Печи-камины «Викинг» . Одни из наиболее эффективных типов печей. Обладают потрясающей скоростью прогрева помещения, вне зависимости от его габаритов. В качестве топлива используются дрова или бурый уголь. Единственный недостаток: «Викинги» отказываются работать с каменным углем.
- Печи-камины на пеллетах . Как следует из названия, эти печи «питаются» не привычными дровами или углем, а пеллетами. Пеллет – это вид топлива, который отличается экологической чистотой и выпускается в гранулах. Изготавливается из отходов деревообрабатывающей промышленности методом прессовки. Такое топливо не представляет никакой опасности для окружающей среды и обходится очень дешево, чем и обуславливается его высокая популярность. Кроме того, пеллеты не будут чадить в доме, поэтому к их плюсам можно отнести и повышенный комфорт.
- Печи-камины «Кедди» . Конструкция шведского происхождения, выпускается в двух вариантах: угловом и пристенном. Печки обладают рядом преимуществ по сравнению с аналогами: во-первых, их дизайн значительно превосходит другие конструкции. Во-вторых, «Кедди» обладают небольшим весом, поэтому им не нужен фундамент, да и процесс установки будет значительно упрощен. Подключение к дымоходу и система каналов тоже довольно просты, потому-то эти системы так популярны.
- Варочная печь с камином . Основной отличительной особенностью этих конструкций является функциональность. Такие печки отлично подходят для готовки, греют дом и при этом приятно выглядят. Свою популярность эти комбинированные печки заслужили именно за эти качества, которые позволяют реализовать широкий круг задач и при этом мысленно вернуться в прошлое, когда открытый огонь был основным способом готовки и обогрева.
- Печи-камины «Байкал» . Этот вариант чаще всего используется в загородных домах. Данная модель крайне эффективна, а при необходимости более точного выбора можно рассмотреть весь модельный ряд. Используемое топливо – дрова. Основная характеристика таких печей – невероятно долгая сохранность тепла даже при давно потухшем огне.
Заключение В данной статье были рассмотрены виды теплообменников и их классификация. Теперь изготовить теплообменник для печи своими руками не будет составлять особых проблем
Для большей наглядности можно обратить внимание на фото, где показаны теплообменники и особенности их производства
Инструкция по эксплуатации
К каждому заводскому пластинчатому теплообменнику обязательно прилагается подробная инструкция по эксплуатации, содержащая всю необходимую информацию. Ниже будут приведены некоторые основные положения, касающиеся всех типов ПТО.
Установка ПТО
- Место расположения агрегата должно обеспечивать свободный доступ к основным узлам для проведения технического обслуживания.
- Крепление подающих и отводящих магистралей должно быть жестким и герметичным.
- Устанавливать теплообменник следует на строго горизонтальную бетонную или металлическую основу, обладающую достаточной несущей способностью.
Пуско-наладочные работы
- Перед запуском агрегата необходимо проверить его герметичность согласно рекомендациям, приведенным в техническом паспорте изделия.
- При первичном запуске установки скорость повышения температуры не должна превышать 250С/ч, а давление в системе 10 Мпа/мин.
- Порядок проведения и объем пуско-наладочных работ должны четко соответствовать приведенному в паспорте агрегата перечню.
Эксплуатация агрегата
- В процессе использовании ПТО не допускается превышение температуры и давления рабочей среды. Перегрев или повышение давления могут привести к серьезным поломкам или полному выходу из строя агрегата.
- Для обеспечения интенсивного теплообмена между рабочими средами и увеличения КПД установки необходимо предусмотреть возможность очистки рабочих сред от механических примесей и вредных химических соединений.
- Значительно продлить срок службы устройства и увеличить его производительность позволит регулярное проведение технического обслуживания и своевременная замена поврежденных элементов.
Строение и принцип работы
Механизм действия легко рассмотреть на примере пластинчатого теплообменника заводской сборки. Структура предусматривает два контура и четыре выхода. Пластинчатое устройство разделяет потоки по давлению и температуре. Теплоносителями выступают кислоты и другие жидкости.
Теплообменники для отопления предполагают подключение к одному контуру теплых полов, а к другому – теплоцентрали.
Прямое подключение центрального теплоносителя невозможно, поскольку это приводит к выходу из строя теплого напольного покрытия.
Это происходит из-за повышения давления в теплоцентрали, температурных перепадов и присутствия химически агрессивных веществ в теплоносителе.
Строение теплообменника представлено на рисунке ниже.
Схематичное устройство пластинчатого теплообменника
Структуру теплообменника составляют:
- станина, которая с одной стороны устройства прикрепляется к неподвижной прижимной плите и служит элементом опоры;
- пакет пластин, образующий между составляющими элементами каналы для теплоносителя;
- рама, которая состоит из подвижной прижимной плиты , неподвижной прижимной плиты и задней стойки;
- кожух, служащий для защиты устройства от внешних воздействий;
- шпильки, которые размещены по краю отверстий, через которые в устройство поступает теплоноситель;
- прокладка, необходимая для герметичности каналов;
- опорные и крепежные элементы (направляющие балки, несущая база, лапы станины и рамы, подшипники, болты, гайки, шайбы).
Синие и красные стрелки на рисунке обозначают направления движения холодного и горячего теплоносителя внутри теплообменника соответственно.
В быту применяют теплообменник, чей принцип функционирования основан на разделении потоков и поддержании автономного функционирования теплых полов при пониженном уровне рабочего давления в 1,5 бара и подключении чистой воды.
Структуру теплообменного оборудования составляют три группы пластин:
- Набранные, принадлежащие автономной системе отопления с пониженным уровнем давления.
- Набранные, принадлежащие центральной системе отопления с повышенным уровнем температуры и давления.
- Разделительные, характеризующиеся малой толщиной и передающие тепло от централизованной системы к автономной.
Число и параметры пластин предопределяют мощность теплообменного оборудования. Каждое устройство предполагает установку очистительного фильтра. Он способен удержать грубые частицы: окалины, стружку и прочие. Фильтр нуждается в периодическом промывании очистительными растворами.
Принцип работы теплообменника
Принцип работы теплообменника заключается в передаче тепловой энергии от одного теплоносителя к другому. В устройство поступает прямая греющая среда и холодная среда. При прохождении их между пластинами по каналам происходит нагревание холодной среды. На выходе из теплообменника получают нагретую среду и обратную греющую среду. Внутри оборудования теплообменивающие жидкости движутся навстречу друг другу, то есть в противотоке, и не могут смешиваться, поскольку разделены пластинами.
Устройство и принцип работы
Конструкция разборного пластинчатого теплообменника включает в себя:
- стационарную переднюю плиту на которой монтируются входные и выходные патрубки;
- неподвижную прижимную плиту;
- подвижную прижимную плиту;
- пакет теплообменных пластин;
- уплотнения из термостойкого и устойчивого к воздействию агрессивных сред материала;
- верхнюю несущую базу;
- нижнюю направляющую базу;
- станину;
- комплект стяжных болтов;
- Набор опорных лап.
Такая компоновка агрегата обеспечивает максимальную интенсивность теплообмена между рабочими средами и компактные габариты устройства.
Конструкция разборного пластинчатого теплообменника
Чаще всего, теплообменные пластины изготавливаются методом холодной штамповки из нержавеющей стали толщиной от 0,5 до 1 мм, однако, при использовании в качестве рабочей среды химически активных соединений, могут использоваться титановые или никелевые пластины.
Все пластины, входящие в состав рабочего комплекта, имеют одинаковую форму и устанавливаются последовательно, в зеркальном отражении. Такая методика установки теплообменных пластин обеспечивает не только формирование щелевых каналов, но и чередование первичного и вторичного контуров.
Каждая пластина имеет 4 отверстия, два из которых обеспечивают циркуляцию первичной рабочей среды, а два других изолируются дополнительными контурными прокладками, исключающими возможность смешивания рабочих сред. Герметичность соединения пластин обеспечивается специальными контурными уплотнительными прокладками, изготовленными из термостойкого и устойчивого к воздействию активных химических соединений материала. Устанавливаются прокладки в профильные канавки и фиксируются с помощью клипсового замка.
Принцип работы пластинчатого теплообменника
Оценка эффективности любого пластинчатого ТО осуществляется по следующим критериям:
- мощности;
- максимальной температуре рабочей среды;
- пропускной способности;
- гидравлическому сопротивлению.
Исходя из этих параметров подбирается необходимая модель теплообменника. В разборных пластинчатых теплообменниках регулировать пропускную способность и гидравлическое сопротивление можно, изменяя количество и тип пластинчатых элементов.
Интенсивность теплообмена обусловлена режимом течения рабочей среды:
- при ламинарном течении теплоносителя интенсивность теплообмена минимальна;
- для переходного режима характерно увеличение интенсивности теплообмена за счет появления завихрений в рабочей среде;
- максимальная интенсивность теплообмена достигается при турбулентном движении теплоносителя.
Рабочие характеристики пластинчатого ТО рассчитываются для турбулентного течения рабочей среды.
В зависимости от расположения канавок, различают три типа теплообменных пластин:
- с «мягкими» каналами (канавки расположены под углом 60). Для таких пластин характерна незначительная турбулентность и небольшая интенсивность теплообмена, однако «мягкие» пластины обладают минимальным гидравлическим сопротивлением;
- со «средними» каналами (угол рифления от 60 до 30). Пластины являются переходным вариантом и отличаются средними показателями турбулентности и интенсивности теплопередачи;
- с «жесткими» каналами (угол рифления 30). Для таких пластин характерна максимальная турбулентность, интенсивный теплообмен и значительное увеличение гидравлического сопротивления.
Для увеличения эффективности теплообмена движение первичной и вторичной рабочей среды осуществляется в противоположном направлении. Процесс теплообмена между первичной и вторичной рабочими средами происходит следующим образом:
- Теплоноситель подается на входные патрубки теплообменника;
- При перемещении рабочих сред по соответствующим контурам, сформированным из теплообменных пластинчатых элементов, происходит интенсивная теплопередача от нагретой среды нагреваемой;
- Через выходные патрубки теплообменника нагретый теплоноситель направляется по назначению (в отопительные, вентиляционные, водопроводные системы), а остывший теплоноситель снова попадает в рабочую зону теплогенератора.
Принцип работы пластинчатого теплообменного аппарата
Для обеспечения эффективной работы системы необходима полная герметичность теплообменных каналов, которая обеспечивается уплотнительными прокладками.
Схема обвязки
Подключают теплообменник к системе отопления несколькими способами. Самый простой вариант с параллельным включением и наличием регулировочного клапана, работающего от термоголовки.

Обязательными являются запорные шаровые вентили на всех выводах теплообменника, чтобы иметь возможность полностью перекрыть доступ жидкости и обеспечить условия для демонтажа оборудования. Регулировкой мощности и, соответственно, нагревом горячей воды должен заниматься клапан с управлением от термоголовки. Клапан устанавливается на подводящую трубу от отопления, а датчик температуры на выход контура ГВС.
При цикличной организации ГВС с наличием накопительной емкости устанавливается дополнительно тройник на входе нагреваемого контура для включения холодной водопроводной воды и обратки по ГВС. Избежать ненужного тока в обратном направлении в ветке горячей и холодной воды не даст обратный клапан.
Недостатком этой схемы является сильно завышенная нагрузка на систему отопления и неэффективный нагрев воды во втором контуре при большем перепаде температур.
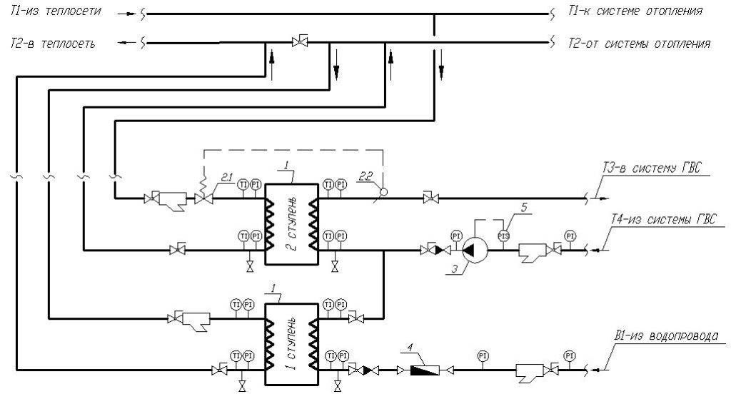
Гораздо продуктивнее и надежнее работает схема с двумя теплообменниками, двухступенчатая.
1 – пластинчатый теплообменник; 2 – регулятор температуры прямого действия: 2.1 – клапан; 2.2 – термостатический элемент; 3 – циркуляционный насос ГВС; 4 – счетчик горячей воды; 5 – электро-контактный манометр (защита от «сухого хода»)
Идея заключается в использовании двух теплообменников. В первой ступени используется с одной стороны обратка системы отопления, а с другой холодная вода из водопровода. Это дает предварительный нагрев примерно на 1/3 или половину от необходимой температуры, при этом не страдает обогрев дома. Включение контура выполняется последовательно с байпасом, на котором уже закреплен игловой вентиль, с помощью которого регулируется объем теплоносителя.
Второй ПТО, вторая ступень, подключаемая параллельно системе отопления – это с одной стороны подача горячего теплоносителя от котла или котельной, а с другой уже подогретая на первой ступени вода ГВС.
Регулировкой первой ступени заниматься нет нужды. Устанавливаются лишь шаровые вентили на все четыре отвода и обратный клапан на подачу холодной воды.
Обвязка второй ступени идентичная параллельному подключению за исключением того, что вместо холодной воды подключается уже подогретая вода с первой ступени.
https://youtube.com/watch?v=YFKOUSMERHI%3F
Пластинчатые теплообменники области применения
Пластинчатые теплообменники применяются в системе отопления дома, горячего водоснабжения, в системах кондиционирования в больших коттеджах, школах, садах, бассейнах, в целых микрорайонах, а также в системе отопления домов сельской местности. Широкое применение пластинчатые теплообменники нашли в пищевой промышленности.
Теплообменники для отопления имеют ряд неоспоримых преимуществ по сравнению с остальными устройствами, используемыми для создания подходящего микроклимата.

Подобные отопительные приборы обладают рядом преимуществ над другими видами.
Положительные качества
Среди основных положительных качеств устройства, обеспечивающего отопление, можно отметить следующие:
- высокий уровень компактности;
- пластинчатые теплообменники имеют высокий коэффициент теплопередачи;
- коэффициент тепловых потерь максимально низкий;
- потери давления находятся на минимальном уровне;
- выполнение монтажно-наладочных, ремонтных и изоляционных работ требует низких финансовых затрат;
- при возможном засорении это устройство может быть разобрано, очищено и собрано обратно всего двумя рабочими уже через 4-6 часов;
- имеется возможность добавить мощность пластинам.
https://youtube.com/watch?v=pOTVV58Rj3U
Кроме того, благодаря своей простоте подключение теплообменника к системе отопления может быть осуществлено просто на полу в тепловом пункте или на обычной несущей конструкции блочного теплового пункта. Отдельно стоит отметить низкий уровень загрязняемости поверхности теплообменника, что вызвано высокой турбулентностью потока жидкости, а также благодаря качественной полировке используемых теплообменных пластин. На сегодняшний срок эксплуатации уплотнительной прокладки у ведущих европейских производителей составляет не менее 10 лет. Срок же службы пластин составляет 20-25 лет. Стоимость замены уплотнительной прокладки может составлять 15-25% от общей стоимости всего агрегата.
Очень важно, что после проведения детального расчета конструкцию современного пластинчатого теплообменника можно изменить под необходимые и указанные в техническом задании характеристики (вариативность конструкции и изменяемость задачи). Абсолютно все пластинчатые теплообменники устойчивы к высокому уровню вибрации. У современных аппаратов системы отопления последствия возможных гидроударов сведены практически к нулю
У современных аппаратов системы отопления последствия возможных гидроударов сведены практически к нулю.
Требования к прокладкам
Для обеспечения полной герметичности профильных каналов и предотвращения утечки рабочих сред, уплотнительные прокладки должны обладать необходимой термостойкостью и достаточной устойчивостью к воздействиям агрессивной рабочей среды.

В современных пластинчатых теплообменниках применяются следующие виды прокладок:
- этиленпропиленовые (EPDM). Применяются при работе с горячей водой и паром в температурном диапазоне от -35 до +1600С, непригодны для жирных и масляных сред;
- NITRIL прокладки (NBR) используются для работы с маслянистыми рабочими средами, температура которых не превышает 1350С;
- VITOR прокладки рассчитаны на работу с агрессивными рабочими средами при температуре не более 1800С.
Рекомендуем: Устройство циркуляционного насоса для отопления: как устроен, работает в системе, принцип работы, где должен работать, конструкция На графиках представлена зависимость срока службы уплотнений от условий эксплуатации:

Что касается крепления уплотнительных прокладок, существует два способа:
- на клей;
- с помощью клипсы.
Первый способ из-за трудоемкости и длительности укладки применяется редко, кроме того, при использовании клея значительно усложняется техническое обслуживание агрегата и замена уплотнений.
Клипсовый замок обеспечивает быстрый монтаж пластин и простоту замены вышедших из строя уплотнений.
Устройство и принцип работы
Пластинчатый теплообменник (ПТО) обеспечивает переход тепла от нагретого теплоносителя холодному, при этом не перемешивая их, развязывая два контура между собой. Теплоносителем может быть пар, вода или масло. В случае с горячим водоснабжением чаще источником тепла является теплоноситель системы отопления, а нагреваемой средой – холодная вода.
Конструктивно теплообменник представляет собой группу гофрированных пластин, собранных параллельно друг другу. Между ними образуются каналы, по которым течет теплоноситель и нагреваемая среда, притом послойно они чередуются между собой, не перемешиваясь при этом. За счет чередования слоев, по которым текут жидкости обоих контуров, увеличивается площадь теплообмена.
Схема работы теплообменника
Гофрирование чаше выполняется в виде волн, притом ориентированных так, чтобы каналы одного контура располагались под углом к каналам второго контура.
Подключение входов и выходов делаются так, чтобы жидкости текли навстречу друг другу.
Поверхность и материал пластин подбирается исходя из требуемой мощности теплообмена, вида теплоносителя. В особенно эффективных и продуманных теплообменниках поверхность формуется для возбуждения завихрений возле поверхности пластины, повышая теплообмен, не создавая сильного сопротивления общему току.
Теплообменник включается между двумя контурами:
- Последовательно к системе отопления или параллельно с наличием регулирующей арматуры.
- К входу от холодного водопровода и выходом к потребителю ГВС.
Холодная вода, протекая через теплообменник нагревается за счет тепла от системы отопления до требуемой температуры и подается на кран потребителя.
Основные характеристики пластинчатого теплообменника:
- Мощность, Вт;
- Максимальная температура теплоносителя, оС;
- Пропускная способность, производительность, литры/час;
- Коэффициент гидравлического сопротивления.
Мощность зависит от общей площади теплообмена, перепада температур в обоих контурах между входов и выходом и даже от числа пластин.
Максимальная температура задается подбором материалов и способом соединения пластин и корпуса теплообменника.
Пропускная способность повышается с увеличением числа пластин, так как они подключаются фактически параллельно, то каждая новая пара пластин добавляет дополнительный канал для тока жидкости.
Коэффициент гидравлического сопротивления важен при расчете нагрузки на систему отопления, где от этого зависит выбор циркуляционного насоса, немаловажен и для других источников тепла. Зависит от типа гофрирования пластин и размера сечения каналов и их количества.
Именно по этим параметрам подбирается в итоге теплообменник для конкретной ситуации. Чаще всего пластинчатые теплообменники имеют разборную конструкцию, в которой можно наращивать или уменьшать число пластин и выбирать их тип и размер. Мощность и производительность теплообменника должно хватать для того, чтобы нагреть проточную холодную воду, и при этом не создать критической нагрузки на систему отопления.
Для наиболее востребованных случаев, каким является обеспечение горячей водой частного хозяйства, дома или квартиры производятся готовые теплообменники с постоянными характеристиками.
Схема
По схеме работы теплообменники делят на две разновидности:
- одноходовые;
- многоходовые.
Одноходовый теплообменник устроен так, что каждая среда протекает через щелевые каналы один раз. После этого жидкость поступает в сборный коллектор и оттуда — в трубопровод. При таком исполнении все присоединительные патрубки находятся с одной стороны устройства — на неподвижной плите. Подвижную плиту можно двигать как угодно, так что разбирать теплообменник для обслуживания и ремонта ничто не мешает.

Чертеж пластинчатого теплообменника
Многоходовая схема применяется в тех случаях, когда в греющей среде после одного прохода остается еще много тепла. Такое наблюдается, если:
- пластины имеют маленькую площадь либо в кассете их установлено малое количество;
- расходы двух сред очень сильно отличаются;
- разность температур греющей и нагреваемой среды невелика, поэтому теплообмен протекает с низкой интенсивностью.
В кассету многоходового пластинчатого теплообменника добавляются пластины только с двумя портами, расположенными с одной стороны. Благодаря этому, каждая среда протекает по каналам два раза или более, так что нагреваемая среда усваивает от греющей намного больше тепла, чем при одноходовой схеме.
- теплообменник получается более дорогим;
- увеличивается гидравлическое сопротивление;
- патрубки имеются не только на неподвижной, но и на подвижной плите, что сильно усложняет разборку кассеты.
Из-за этого по возможности стараются применять одноходовую схему, добиваясь высокого теплосъема за счет увеличения площади пластин и их количества.
Расчет
Выбор подходящего теплообменника сложно выполнить, оперируя только одной лишь его мощностью или пропускной способностью. Эффективность подготовки ГВС зависит и от состояния теплоносителя в первом контуре и во втором, от материала и конструкции теплообменника, скорости и массовой части теплоносителя, проходящего в единицу времени через пластинчатый теплообменник. Однако, естественно следует предварительно выполнить расчет, позволяющий прийти к определенному сочетанию мощности и производительности для выбора подходящей модели.
Базовые данные необходимые для расчета:
- Тип среды в обоих контурах (вода-вода, масло-вода, пар-вода)
- Температура теплоносителя в системы отопления;
- Максимально допустимое снижение температуры теплоносителя после прохождения теплообменника;
- Начальная температура воды, используемой для ГВС;
- Требуема температура ГВС;
- Целевой расход горячей воды в режиме максимального потребления.
Кроме этого в формулах для расчета задействована удельная теплоемкость жидкости в обоих контурах. Для ГВС используется табличное значение для начальной температуры воды, чаще +20оС, равное 4,182 кДж/кг*К. Для теплоносителя следует отдельно находить значение удельной теплоемкости, если в его составе имеется антифриз или другие присадки для улучшения его качеств. Аналогично для централизованного отопления берется приблизительное значение или фактическое на основании данных теплокоммунэнерго.
Целевой расход определяется количеством пользователей для горячей воды и количеством устройств (краны, посудомоечная и стиральная машинка, душ), где она будет использована. Согласно требованиям СНиП 2.04.01-85 необходимы следующие значения расхода горячей воды:
- для раковины – 40 л/ч;
- ванная – 200 л/ч;
- душевая – 165 л/ч.
Значение для раковины умножается на количество устройств в доме, которые могут использоваться параллельно, и складывается со значением для ванны или душевой в зависимости от того, что именно используется. Для посудомоечной и стиральной машинки значения берутся из паспорта и инструкции и только при условии, что они поддерживают использование горячей воды.
Второе базовое значение – это мощности теплообменника. Рассчитывается исходя из полученного значения расхода жидкости и разницы температур воды на входе в теплообменник и на выходе.
где m – расход воды, С – удельная теплоемкость, Δt – разница температур воды на входе и выходе ПТО.
Для получения массового расхода воды следует расход, выраженный в л/ч умножить на плотность воды 1000 кг/м3.
КПД теплообменников оценивается на уровне 80-85%, и многое зависит от конструкции самого оборудования, так что полученное значение следует разделить на 0,8(5).
С другой стороны ограничением по мощности будет расчет, выполненный со стороны первого контура с теплоносителем, где, используя уже разницу допустимых температур для системы отопления, получаем максимально допустимый забор мощности. Конечный результат будет компромиссом между двумя полученными значениями.
Если забора мощности для нагрева нужного количества горячей воды не хватает, то разумнее использовать две ступени подогрева и, соответственно, два теплообменника. Мощность распределяется между ними поровну от требуемого расчета. Одна ступень выполняет предварительный нагрев, используя в качестве источника тепла обратку отопления с пониженной температурой. Второй ПТО уже нагревает окончательно воду за счет горячей воды с подачи отопления.
Инструкция по эксплуатации
К каждому заводскому пластинчатому теплообменнику обязательно прилагается подробная инструкция по эксплуатации, содержащая всю необходимую информацию. Ниже будут приведены некоторые основные положения, касающиеся всех типов ПТО.
Установка ПТО
- Место расположения агрегата должно обеспечивать свободный доступ к основным узлам для проведения технического обслуживания.
- Крепление подающих и отводящих магистралей должно быть жестким и герметичным.
- Устанавливать теплообменник следует на строго горизонтальную бетонную или металлическую основу, обладающую достаточной несущей способностью.
Пуско-наладочные работы
- Перед запуском агрегата необходимо проверить его герметичность согласно рекомендациям, приведенным в техническом паспорте изделия.
- При первичном запуске установки скорость повышения температуры не должна превышать 250С/ч, а давление в системе 10 Мпа/мин.
- Порядок проведения и объем пуско-наладочных работ должны четко соответствовать приведенному в паспорте агрегата перечню.
Эксплуатация агрегата
- В процессе использовании ПТО не допускается превышение температуры и давления рабочей среды. Перегрев или повышение давления могут привести к серьезным поломкам или полному выходу из строя агрегата.
- Для обеспечения интенсивного теплообмена между рабочими средами и увеличения КПД установки необходимо предусмотреть возможность очистки рабочих сред от механических примесей и вредных химических соединений.
- Значительно продлить срок службы устройства и увеличить его производительность позволит регулярное проведение технического обслуживания и своевременная замена поврежденных элементов.



































