Монтаж электрического теплого пола под плитку. Особенности монтажа электрического теплого пола под плитку, как это сделать своими руками
Укладка электрического теплого пола своими руками под плитку — это достаточно трудоемкий процесс; ознакомившись с технологией монтажа, выполнить такую работу сможет даже человек, не имеющий опыта в строительстве. Чтобы домашний мастер смог самостоятельно установить электрический нагревательный кабель, рассмотрим правила монтажа и схему подключения теплого пола.
Виды теплых полов электрического типа
Монтаж электрического теплого пола под плитку своими руками может осуществляться каким-либо из двух способов: посредством электрического кабеля или нагревательного мата. Пол из кабеля дешевле, но расчет его протяженности и укладка более трудоемкие. Такой вариант выбирают, если в квартире высокие потолки, так как стяжка будет достаточно толстая, и это уменьшит высоту помещения.
Когда монтируют полы, технологию укладки выбирает хозяин, но специалисты рекомендуют укладывать термомат, так как это облегчит расчеты и установку. Термомат представляет собой специальный проводник. В его конструкции нагревательный кабель уже расположен на ленте, которая позволит сохранять равное расстояние между витками провода.
Технология монтажа своими руками
Технология укладки электрического теплого пола под плитку требует предварительной подготовки всех материалов, которые понадобятся для монтажа. Надо подготовить комплект, состоящий из кабеля (или мата) и терморегулятора. Затем надо выбрать место в стене для монтажа термостата, сделать проводку для подключения конструкции. Потом выполняют расчет длины нагревательного кабеля и продумывают расположение нагревательных систем. Рассмотрим инструкцию по укладке теплого пола под плитку.
Создание схемы
Необходимо предусмотреть и выполнить расчет схемы подключения теплого пола своими руками. На ней отмечают шаг монтажа кабеля или мата. При составлении схемы учитывают следующие правила:
- Отступают от стен 10 см.
- Там, где будет стоять мебель без ножек или бытовые приборы, располагать электрический кабель запрещается.
- Если нужно обогревать только отдельные участки помещения, то можно подрезать маты и уложить сетку в необходимом направлении.
Расчет материала
Если теплый пол будет выступать в качестве главного отопления помещения, то расчет выполняют следующим образом. На 1 м² площади нужен нагреватель, имеющий мощность 180 Вт. Если это будет вспомогательная система отопления, то мощность должна составлять 140 Вт.
Надо определить площадь помещения, умножив его длину на ширину, и вычесть из полученного результата площадь, занятую мебелью и бытовыми приборами. Получится полезная площадь обогрева. Затем на основании полученного значения вычисляют мощность провода и его длину. Погонная мощность 1 м нагревательного элемента может быть от 16 до 20 Вт/м.
Подготовка поверхности
Перед началом работ всю поверхность в помещении нужно подмести и помыть. Если на ней есть неровности, их нужно удалить механическим путем. Если таким способом выровнять поверхность не удалось, то делают бетонную стяжку.
Укладка утеплителя
В качестве утеплителя применяют пенофол, имеющий покрытие из фольги и самоклеящуюся поверхность. Материал укладывают на пол фольгой вверх, отступая в углах комнаты от стен по 10 мм. Все стыки надо заклеить строительным скотчем.
Установка нагревательного элемента
Сейчас монтируют отопление в виде нагревательного мата, это избавит от перегибов провода и сократит время монтажа. Если вы приобрели кабель, не наклеенный на монтажный мат, то его монтируют зигзагами с расстоянием между витками 25 см. Фиксируют провод строительным скотчем. Если мат надо повернуть, то монтажную сетку разрезают в нужном месте.
Монтаж терморегулятора
Терморегулятор устанавливают на стене. Лучше заранее сделать углубление для его размещения. Затем нагревательный кабель подключают к терморегулятору, а с другой стороны выполняют подключение терморегулятора к сети питания.
Проверка работоспособности
После монтажа электрического провода перед заливкой системы надо проверить исправность конструкции. Для этого подают напряжение на кабель. Если все работает исправно, то приступают к следующему этапу.
Укладка плитки и кафеля
После этого выполняют стяжку слоем цементного раствора необходимой толщины или сразу делают укладку плитки на электрические теплые полы. Выполняют монтаж плитки. Для укладки используют плиточный клей, предназначенный для теплого пола. Плитку монтируют на нагревательный мат.
Предварительно плитки раскладывают на поверхности, чтобы их правильно разместить. На видном месте монтируют цельные плитки, а под мебелью можно расположить обрезки. После монтажа плитки надо подождать около суток для полного высыхания клея.
Смесительный узел для теплого пола своими руками: назначение и устройство
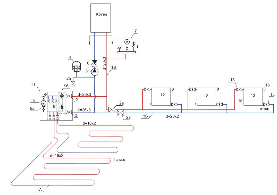
Если кто-то вам скажет, что смесительный узел теплого пола – это всего лишь распределительный коллектор, который разделяет потоки теплоносителя на группы (так сказать, поставляет его в различные участки теплого пола), смело можете обвинять его в некомпетентности в данном вопросе. На самом деле то, о чем они говорят (распределительной гребенке или коллекторе), является всего-навсего только частью смесительного узла, включающего еще массу различного оборудования, которое служит не только для управления работой теплого пола, но и для оптимизации этой самой работы. В общем, система эта сложная, и с ее устройством следует разобраться подробнее – чем мы с вами и займемся дальше. И начнем с того самого коллектора, который большинство начинающих сантехников путают со смесительным узлом теплого пола.
Коллектор или распределительная гребенка – без нее само существование насосно-смесительного узла для теплого пола можно ставить под сомнение. Именно этот элемент узла в полной мере отвечает за равномерное распределение теплоносителя по всем отдельно взятым частям системы. В смесительном узле устанавливается два таких коллектора – один подающий, а второй собирающий, так что название «распределительная гребенка» в некотором роде не совсем правильное. Распределительная – это та, которая устанавливается на подаче теплоносителя к теплому полу, а собирающая – та, которая монтируется на обратном трубопроводе. Внешне и конструктивно они схожи друг с другом и представляют собой трубку большого диаметра, сбоку которой имеются резьбовые ответвления. Чтобы было более понятно, скажу так – скрученные воедино пять, шесть и более тройников одного типа и одного диаметра. Вот вам и первая наметка по поводу решения вопроса, как сделать смесительный узел для контура теплого пола?
- Гидрострелка, которая, по сути, и является самым что ни на есть настоящим смесителем для теплого пола – именно она смешивает свежий теплоноситель с уже «отработанным», восстанавливает его температуру до исходного значения и снова отправляет в распределительный коллектор, который, в свою очередь, подает его в каждую отдельно взятую ветку водяного теплого пола. Устанавливается гидрострелка в самом начале смесительного узла – она представляет собой патрубок, соединяющий подачу и обратку системы отопления. Точно такая же стрелка монтируется после котлов, перед распределительными гребенками в топочной – естественно, разница между ними заключается в размерах и способности прогонять через себя тот или иной объем теплоносителя.
- Трехходовой кран. Его назначение сводится к отладке процесса смешения теплоносителя в гидрострелке – он устанавливается внизу патрубка, соединяющего подачу и обратку. Одновременно он выполняет функцию тройника. Именно по этой причине, если говорить о заводской гидрострелке для теплого пола, то она изготавливается уже в комплекте с трехходовым краном. Изменяя положение этого крана, добиваются эффективной работы теплого пола, а в частности эффективного повторного использования «отработанного» теплоносителя.
- Насос. Без него также не обойтись – именно он заставляет теплоноситель быстро перемещаться по всем трубопроводам и эффективно прогревать их. Монтируется он на обратный трубопровод, между гидрострелкой и собирающим коллектором.
По аналогии с ним на подаче, между гидрострелкой и распределительной гребенкой, устанавливается термореле – оно необходимо только в случае изготовления автоматического смесительного узла. Если говорить о ручном варианте управления, то от него можно отказаться полностью.
- Запорная арматура – монтаж смесительного узла теплого пола предусматривает использование двух видов запорной арматуры – это обычные шаровые краны, которые монтируются до смесительного узла (в их задачи входит отсекать узел целиком от системы отопления) и регулирующие краны, посредством которых производится отладка работоспособности системы.
- Автоматы для сброса воздуха – как правило, монтируются в конце коллекторов. В ручном варианте они могут быть заменены обычными шаровыми кранами или кранами Маевского.
Вот так выглядит со стороны схема смесительного узла теплого пола – по крайней мере, ее профессиональный вариант. Если говорить об изготовлении такого узла своими руками, то, естественно, она может быть упрощена по максимуму. О том, как устроен и работает самодельный смесительный узел для теплого пола, мы и поговорим дальше.
Плюсы в установке твердотопливного котла для подогрева пола
Основное достоинство отопления твердотопливными котлами в их автономности. Они работают там, где нет газа, и часто отключают электричество. Установка напольного твердотопливного оборудования позволяет сделать монтаж в доме теплых полов и установить другие водяные обогреватели: радиаторы или регистры.
Схема обвязки теплого пола и котла с бойлером и автоматикой
Отопление жилого помещения системой теплого пола по эффективности и уровню комфорта превосходит другие способы обогрева жилья:
- отопление работает независимо от источников энергии;
- тепло распределяется равномерно по всей площади комнаты;
- наиболее теплый воздух находится внизу;
- высокий КПД системы;
- цементная стяжка пола аккумулирует тепло, исключает резкое прекращение обогрева при отключении.
Основной недостаток составляет трудоемкая система укладки труб, их герметизация, и сложное подключение теплого пола к твердотопливному котлу. Материальные затраты быстро окупятся за счет меньшего расхода топлива и высокого КПД системы.
Отрицательные характеристики оборудования
Перед тем, как подключить теплый пол к твердотопливному котлу, необходимо учесть:
- высокую инерционность теплогенератора;
- образование большого количества конденсата во время прогрева в топливнике.
При использовании газа вода в системе отопления, включая водяной пол, полностью прогревается за 1 – 2 часа. Для твердотопливного оборудования это время увеличивается до 3 – 4 часов с начала растопки. В камере сгорания и вытяжной трубе образуется много конденсата. Влага резко снижает производительность котла. Устранить отрицательное явление образования на стенках воды поможет правильная обвязка твердотопливного котла. В систему необходимо подключать специальный узел защиты от конденсата. При самостоятельной установке оборудования для теплого водяного пола, в обвязке можно использовать трехходовой смеситель. Он регулирует температуру воды, подающуюся в систему отопительных труб в полу, за счет смешивания горячего потока из котла с холодным с обратки.
Склоняясь к выбору твердотопливного агрегата, следует учитывать его недостатки:
- постоянная загрузка топлива;
- регулярная ручная чистка оборудования;
- постоянная проверка состояний дымохода, чистка вытяжной трубы;
- необходимость хранения рядом, в сухом помещении запаса топлива;
- резкое падение интенсивности обогрева при снижении мощности котла по разным причинам.
Характеристики Ленинградки
При выборе установки следует обращать внимание, что она отличается по способу циркуляции теплоносителя:
- Вода передвигается принудительно. Ленинградка с насосом увеличивает циркуляцию, но при этом расходует электроэнергию.
- Вода движется самотеком. Осуществляется процесс благодаря физическим законам. Цикличность обеспечивается разностью температур и под действием силы тяжести.
Технические характеристики Ленинградки без насоса уступают принудительной по скорости передвижения теплоносителя и быстроте нагрева.
Для улучшения свойств оборудования его комплектуют различными приспособлениями:
- Шаровые краны – благодаря ним можно регулировать уровень температуры для обогрева помещения.
- Термостаты направляют теплоноситель в нужные зоны.
- Вентили используют для регулировки циркуляции воды.
Перечисленные дополнения позволяют модернизировать даже установленную ранее систему.
Достоинства и недостатки
К плюсам использования относят:
- Экономичность – стоимость элементов невысокая, монтаж можно провести самостоятельно. При эксплуатации экономится электроэнергия.
- Доступность – детали для сборки есть в любом строительном магазине.
- Система отопления частного дома Ленинградка при поломках легко ремонтируется.
Среди недостатков отмечают:
- Особенности монтажа. Для выравнивания теплоотдачи необходимо к каждому радиатору, расположенному далеко от котла, добавлять по несколько секций.
- Невозможность подключения к горизонтальной установке теплых полов или полотенцесушителей.
- Поскольку при формировании наружной сети используют трубы с большим сечением, то оборудование выглядит неэстетичным.
Как правильно монтировать?
Установка Ленинградки вполне осуществима своими руками, для этого выбирается 1 из способов:
1. Горизонтальный. Обязательное условие – закладывание в конструкцию напольного покрытия либо поверх него, выбрать необходимо на стадии проектирования.
Подающая сеть устанавливается под уклоном для обеспечения свободного передвижения воды. Все радиаторы должны быть расположены на одном уровне.
2. Вертикальный применяется в случае использования оборудования принудительного типа. Преимущество данного способа заключается в быстром нагреве теплоносителя даже при установке труб с маленьким сечением. Функционирование происходит благодаря монтажу циркуляционного насоса. Если хочется обойтись без него, тогда следует закупить трубы с большим диаметром и расположить их под уклоном. Вертикальная система водяного отопления Ленинградка монтируется байпасами, позволяющими выполнять ремонт отдельных элементов оборудования без его отключения. Длина не должна превышать 30 м.
Особенности монтажа системы отопления Ленинградка сводятся к соблюдению последовательности работ:
- Устанавливают котел и соединяют его с общей магистралью. Трубопровод должен проходить по всему периметру строения.
- Расширительный бак является обязательным элементом. Для его подключения врезают вертикальную трубу. Она должна быть расположена недалеко от нагревательного котла. Устанавливается бак выше всех остальных элементов.
- В подводящую сеть врезают радиаторы. Их снабжают байпасами и шаровыми кранами.
- Замыкают оборудование на нагревательном котле.
Видео-обзор система разводки отопления Ленинградка поможет понять порядок работ и соблюсти их последовательность.
«Несколько лет назад переехали жить за город. У нас установлена однотрубная система отопления в двухэтажном доме по типу Ленинградки. Для нормальной циркуляции подключил оборудование к насосу. Давления для обогрева 2 этажа хватает, не холодно. Все комнаты отапливаются хорошо. Устанавливается просто, дорогих материалов не требуется».
Григорий Астапов, Москва.
«При выборе отопления изучил много информации. По отзывам Ленинградка нам подошла за счет экономии материалов. Радиаторы выбрали биметаллические. Работает бесперебойно, полностью справляется с обогревом двухэтажного дома, но периодически следует прочищать оборудование. У нас спустя 3 года перестали на полную мощность работать радиаторы. Оказывается, на подступах к ним забился мусор. После прочистки функционирование возобновилось».
Олег Егоров, Санкт-Петербург.
«Система разводки отопления Ленинградка работает у нас уже не первый год. В целом довольны, легкий монтаж и простой уход. Трубы брал полипропиленовые, диаметром 32 мм, котел работает на твердом топливе. В качестве теплоносителя применяем антифриз, разбавленный водой. Оборудование полностью справляется с обогревом дома в 120 м2».
Алексей Чижов, Екатеринбург.
Система отопления твердотопливным котлом
Теплогенераторы этого типа работают на:
- дровах;
- торфе;
- брикетах;
- угле.
Загрузка и розжиг топлива производятся вручную.
Особенности системы
Сложность обвязки обусловлена спецификой работы твердотопливного котла:
- Тепловой инерционностью. В отличие от газового и жидкотопливного, прибор нельзя быстро потушить. Даже при закрытой воздушной заслонке дрова продолжают какое-то время гореть, выделяя большое количество тепла. Это повышает вероятность перегрева рабочей среды и, как следствие, ее закипания и резкого роста давления в системе. Обвязку дополняют охлаждающим змеевиком, аварийным контуром и другими элементами для экстренного сброса тепла.
- Зависимостью КПД от производительности. Максимальная эффективность наблюдается только в режиме номинальной мощности. Если котел притушить, прикрыв воздушную заслонку, сгорание топлива становится неполным. Это приводит к падению КПД и увеличению количества сажи в выхлопе. В систему интегрируют теплоаккумулятор, накапливающий производимую котлом энергию и порциями отдающий ее отопительному контуру.
- Высокой концентрацией серы и других элементов в дымовых газах, обусловленной составом твердого топлива. При конденсации пара в выхлопе вода реагирует с примесями и превращается в агрессивный кислотный коктейль. По этой причине нужно предотвратить поступление в теплообменник рабочей среды с температурой ниже +50…+55°С, иначе его стенки вскоре будут разрушены. Применяют смесительный узел, при необходимости добавляющий горячую воду из «подачи» в «обратку».
Сложность обвязки обусловлена зависимостью КПД от производительности.
Требования к месту установки котла
Теплогенератор на твердом топливе нельзя располагать в жилых комнатах, ванной или кухне.
Для него выделяют отдельное техническое помещение, соответствующее таким требованиям:
- наличие 1 входа шириной от 80 см;
- объем – от 15 м³ + 0,2 м³ на каждый кВт производительности, но не менее 7 м³;
- высота потолка – от 2,5 м;
- приточно-вытяжная вентиляция должна обеспечивать 3-кратный воздухообмен и поступление кислорода, необходимого для сгорания топлива;
- предел огнестойкости стен, перегородок и перекрытий – 0,75 часа.
В котельной держат средства пожаротушения. Не допускается наличие над ней помещения или чердака.
Вентиляционные отверстия располагают:
- приточное – не выше 50 см от пола;
- вытяжное – не ниже 40 см от потолка.
Преимущества системы отопления
Обогрев твердым горючим имеет следующие достоинства:
- Независимость от внешних источников энергии. Некоторые модели автономны на 100%, т. к. не нуждаются и в электричестве.
- Низкую стоимость горючего: 1 кВт*ч от сжигания дров обходится в 0,9 руб., угля – в 1,6 руб., тогда как от сжиженного газа и солярового масла – в 2,5 и 2,8 руб. соответственно. В ряде регионов хворост и валежник можно раздобыть бесплатно.
- Функциональность. Многие отопители оснащаются варочной поверхностью.
- Безопасность. Твердое топливо не взрывается, как газ.
- Комфорт. В отличие от дизельных, котлы на дровах и угле не издают неприятного запаха.
Обогрев твердым горючим обеспечивает безопасность и комфорт.
В условиях отсутствия централизованного газоснабжения такие установки наиболее популярны.
Недостатки
К отрицательным сторонам системы относятся:
Низкая степень автоматизации. Затруднена регулировка температуры теплоносителя; каждые 4-5 часов требуется подкладывать топливо.
Грязный выхлоп. Нужно регулярно очищать дымоход и теплообменник от сажи.
Сложная обвязка. Наличие теплоаккумулятора, аварийного контура и прочих элементов приводит к удорожанию системы и увеличению объема монтажных работ.
Пожароопасность
Из-за риска воспламенения сажи, попадания искр на строительные конструкции и выхода огня при обратной тяге требуется соблюдать меры предосторожности.
Некоторые недостатки в меньшей степени проявляются в котлах длительного горения.
Виды отопления по способу разводки труб
Однотрубная
Такая система отопления предусматривает монтаж одной трубы, по которой теплоноситель и подается к радиаторам, и возвращается назад к котлу. В эту магистральную линию последовательно или параллельно подключаются радиаторы отопления, где происходит теплообмен.
Преимущество такой схемы – дешевизна. Вам понадобится минимальное количество труб и различной фурнитуры.
Но эффективной и удобной систему не назовешь, так как она имеет несколько существенных недостатков:
- невозможно вручную или с помощью термоклапанов отрегулировать объем теплоносителя, попадающего в каждую батарею, поэтому установить нужную температуру в каждой отдельной комнате не получится;
- количество тепловой энергии, передаваемой радиаторам, будет уменьшаться по мере отдаления батарей от котла, следовательно, самые дальние (нижние) комнаты будут отапливаться хуже.
Схема однотрубной системы отопления
Обойти некоторые ограничения описываемой системы можно путем установки байпаса – обводной трубы – соединяющей входной и выходной патрубки радиатора напрямую. В этом случае, открывая и закрывая запорную и регулирующую арматуру, можно не только установить комфортную температуру батареи, но и произвести (в случае необходимости) ее демонтаж и ремонт без остановки работы всей сети обогрева.
Двухтрубная вертикальная с нижней разводкой
Главное отличие однотрубной схемы разводки от двухтрубной является наличие двух трубопроводов: по первому к радиаторам подается горячий теплоноситель, по второму отводится остывшая вода и доставляется назад к котлу.
Благодаря такой схеме можно регулировать объем жидкости, поступающей в каждую батарею, и добиваться наиболее комфортной температуры в комнатах.
Двухтрубная система отопления с нижней разводкой
Один из вариантов – двухтрубная система, с вертикальными стояками и нижним расположением подающих труб.
Ее особенности состоят в следующем:
- По самому нижнему уровню системы от котла отопления прокладывают трубопроводы, подключенные к прибору отопления.
- От этих магистралей вверх пускают стояки, поднимающие теплоноситель в самую верхнюю точку системы и доставляющие его в радиаторы отопления на каждом этаже.
- Затем через другую трубу производится возврат остывшей жидкости для повторного цикла обогрева.
Минус подобного решения – опасность завоздушивания системы.
Необходимо предусмотреть устройства для удаления воздуха из труб и радиатора:
- воздушную трубу, поднимающуюся к верхней точке системы;
- расширительный бак открытого типа или мембранное устройство со специальным воздушным клапаном;
- краны Маевского, монтируемые в верхней части каждой батареи.
Кран Маевского поможет избежать завоздушивания системы отопления
Двухтрубная вертикальная с верхней разводкой
В этом случае распределение жидкости происходит в самой верхней точке системы – на чердаке или под потолком верхнего этажа. Теплоноситель доставляется туда вертикальной трубой, после чего по горизонтальным трубопроводам перетекает в батареи.
Здесь также необходим расширительный бак, но лучше использовать именно герметичный, чтобы можно было увеличить давление воды, чем повысить эффективность обогрева.
Схема отопления с верхней разводкой
Двухтрубная горизонтальная
Этот тип распределения жидкости по трубам наиболее распространен в строительстве частных домов и дач. Особенность здесь в том, что для обеспечения перетока воды обязательно нужно ставить циркуляционный насос, так как добиться нужной скорости движения воды естественным способом не получится.
Лучевая схема разводки труб отопления
Трубы прокладываются по одной из нескольких схем:
- Тупиковая. Плюс этого метода в достаточно экономном расходовании труб. Минус – значительная протяженность системы, что затрудняет ее точную регулировку.
- Попутная. В такой системе длина отопительных контуров меньше, вследствие чего их легче отрегулировать. Однако, значительно увеличиваются расходы на покупку труб и монтажные работы.
- Коллекторная. В этом случае каждый радиатор с помощью труб подключается к двум гребенкам – подающей и отводящей. Наиболее эффективная сеть, но стоимость ее монтажа выше, чем всех остальных. Кроме того, нужно предусмотреть скрытую прокладку труб, так как эстетично проложить такое количество вдоль стен не получится.
Что еще необходимо в системе
Обвязка котла будет неполной, если в ней не будет крана для слива и заполнения системы. И лучше, если они будут раздельными. Конкретное место установки зависит от строения системы, но есть определенные правила:
Кран для слива делают в самой нижней точке
Это очень важно, если систему отопления надо будет консервировать на зиму — необходимо чтобы в ней оставалось как можно меньше теплоносителя. Если система будет работать зимой постоянно обычно к одному из радиаторов приделывают кран (с патрубком или без) Это и будет место слива системы.
Такой кран для слива системы можно установить в любом удобном месте (на обратном трубопроводе)
Если в системе отопления будет использоваться вода, обычно подключается вход от водопровода
В случае с настенным газовым котлом для этого есть специальный патрубок со стационарным краном. Холодную воду подключают к этому входу, при необходимости подпитки кран открывают на короткое время. Если используется котел без специального патрубка, в трубопроводе подачи (желательно повыше) также устанавливают кран. Как вариант — на отрезке трубы, которая идет на расширительный бачок.
Один из вариантов установки крана для заполнения системы отопления
В некоторых системах слив и залив системы делают из одного крана. Это возможно, если есть насос, которым закачивается теплоноситель и есть манометр, по которому можно контролировать создаваемое давление. При наличии отдельного крана для залива системы в высокой точке можно ее заполнить и самотеком.
Схема с трехходовым клапаном
В подавляющем большинстве домов монтируют именно эту комбинированную систему теплых полов.


Спецификация материалов и оборудования

Она включает в себя:
наличие радиаторов отопления с нагревом до 70-80С
отдельный контур ТП со средней температурой воды в 40С
Главный вопрос здесь — как получить из 80 градусов идущих на батареи, поток воды для теплых полов в два раза меньшей температуры.
Проблема решается при помощи трехходового термостатического клапана.
Монтируется он на подающей трубе. При этом после него не забудьте поставить циркуляционный насос.
Более холодная вода берется из обратки теплого пола. Смешиваясь с горячей водой поступающей из котла, теплоноситель и приобретает пониженную температуру, необходимую для напольного отопления.
Недостатком такой схемы является то, что вы не сможете точно ограничить и отрегулировать поток остывшей воды из обратки. Чем это чревато?
Тем, что в трубки теплых полов периодически будет попадать как слишком остывшая вода, так и наоборот — перегретая сверх нормы.
Эффективность и комфорт всей системы из-за этого страдает.
Непридирчивый человек этого может и не заметить, тем не менее данные перепады температуры в этой схеме присутствуют, и от них никуда не деться. Конечно, временные отрезки подачи горячего и непрогретого теплоносителя могут компенсироваться тепловой инерцией бетона стяжки.
Но это все относительно. Никогда точно не рассчитаешь оптимальную толщину при таком обогреве.
Достоинства такой комбинированной схемы с трехходовым клапаном:
простой монтаж
доступная цена оборудования
Такой способ монтажа себя оправдывает, если у вас квартира или дом небольшой площади. Да и завышенными требованиями к суперкомфортным условиям проживания вы не страдаете.
Виды котлов и других водогрейных аппаратов
Есть несколько типов автономных систем отопления дома, главным элементом которых является:
- Газовый котлоагрегат.
- Водогрейная установка на твердом или жидком топливе.
- Электрический водонагреватель.
- Дровяная печь или угольная.
- Тепловой насос на альтернативном источнике энергии.


По типу крепления различают настенные и напольные установки. Монтаж системы отопления в частном доме, работающей на угле и дровах, возможен только с использованием стационарного нагревательного оборудования. Газовые и электрические модификации могут быть настенными, что позволяет экономить пространство. Если домик небольшой, отличным вариантом является обычная твердотопливная печка с вмонтированными регистрами с трубками, по которым циркулирует теплоноситель.
Проводим монтаж отопления в частном доме
Один из вариантов правильно спланированного котельного помещения.
Система отопления устанавливается в несколько этапов. Первым делом вам необходимо обустроить помещение под котел. Оно должно быть хорошо проветриваемое, обработанное огнеупорными материалами. Сам котел монтируется не вплотную к стене, а с небольшим отступом. От потолка, пола и остальных стен также нужно отступить. Вешайте прибор так, чтобы к нему было легко добраться.
После установки котла переходите к подключению насоса (если он нужен) или монтажу коллектора (если предусмотрен). Также закрепите все регулирующие и измерительные приборы около котла. Только после вышеперечисленных действий стоит переходить к обустройству магистральных трубопроводов. Здесь не обойтись без перфоратора, так как для прокладки линии придется пробивать в стенах отверстия.
Важно! Уклон должен составлять не менее 5 мм на метр – очень важно выдержать уклон. Отсутствие такового негативно скажется на работе всей системы в целом, поэтому ответственно отнеситесь к этому вопросу. Схематическое изображение правильного уклона в системе отопления
Вода самотеком поступает в радиаторы и самотеком отправляется обратно в котел
Схематическое изображение правильного уклона в системе отопления. Вода самотеком поступает в радиаторы и самотеком отправляется обратно в котел.
Радиаторы устанавливаются в последнюю очередь. Перед монтажом нужно разметить стену, затем просверлить отверстия, куда устанавливают кронштейны. При разметке соблюдайте следующие расстояния: от пола до нижней стороны батареи – не менее 10 см, от стены до задней стенки – не менее 2 см, а от подоконника – не менее 10 см. Желательно на все входы и выходы батарей ставить вентили, что упростит замену или ремонт.
Только после окончания всех работ можно проверить систему. Если вы устанавливали газовый котел, то обязательно вызовите на пробный запуск представителя газовой службы.
На самом деле установка системы отопления в частном доме – не настолько сложное занятие. Достаточно соблюдать все правила и работать без спешки. Проблема заключается лишь в сроках. Если у вас не слишком много времени, то посмотрите цены на работу, прикиньте, что вы сможете сделать самостоятельно, а что лучше доверить мастерам. Таким образом, вы сэкономите время и деньги. Покупайте качественные материалы, тогда все элементы прослужат вам намного дольше. Также устанавливайте хорошие радиаторы, они буду иметь больший КПД, а значит, затраты на топливо сократятся.
Схема монтажа отопления с тёплым полом в частном доме
В предыдущих разделах мы разбирались с тем, какой котел лучше использовать для организации отопления в своем доме и как сделать разводку труб. Здесь мы рассмотрим еще один вариант – теплый пол.
Как и любая другая монтажная работа, установка теплого пола подразумевает ряд работ. Начинать необходимо с проектирования. Затем, на основании сделанного проекта подбираются материалы и комплектующие. Сюда входят трубы, коллектор со смесительным узлом, утеплитель. Затем готовится основание, куда будут укладываться трубы и проводится монтаж всей системы. Когда все готово, делается пробный пуск. Если всё работает нормально, то основание заливается, проводится первичный запуск и прогрев.
По технической конструкции теплый пол представляет собой что-то вроде слоеного пирога, в который слоями располагаются все комплектующие. Основанием является либо грунт, либо бетонная плита, на которые укладывается тонкая пленка – полиэтилен являющаяся гидроизоляцией. Затем укладывается теплоизоляционный материал, например, экструдированный пенополистирол. Наверх теплоизоляционного материала кладутся трубы и все это заливается цементом.
Как провести отопление своими руками — вариант на два крыла
Ранее уже говорилось, что отопительная система представляет два варианта, одно и двухтрубная. Наиболее распространенной и лучшей по сохранению тепла является двухтрубная. Она также представлена двумя видами: тупиковой и попутной. При тупиковой схеме теплоноситель в подающей трубе движется навстречу потоку жидкости в обратке, т.е., попросту говоря, теплоноситель движется в одном направлении. Такая схема называется петлей Тихельмана.
Если протяженность труб большая, то всю разводку разделяют на две части или, как говорят, на два крыла. Такая схема особенно популярна в частных домах и на дачах.
Протяженность обоих частей или крыльев необходимо делать одинаковыми, а все радиаторы в этой сети подключаются при помощи вентилей. Это позволит быстро и оперативно регулировать подачу воды.
В остальном монтаж аналогичен всем остальным и не требует каких-либо особенностей.


































