Пеллетный котёл своими руками
Самый сложный и дорогой элемент системы – пеллетные горелки для котлов.
Такая горелка не только сжигает топливо, но и регулирует горение, автоматически очищается и поддерживает температуру, выбранную владельцем.
Некоторые виды горелок можно переключать с пеллетного отопления на электрическое (например, в ночные часы по сниженному тарифу), а также управлять ими через смартфон.
Это высокотехнологичный элемент, воссоздать который в домашних условиях очень сложно. Стоит такой автоматический пеллетный котел около 60-80 тыс. руб.
Есть более недорогой вариант – полуавтоматические горелки, например, Пеллетрон-МБ на 15 кВт. Такая горелка стоит около 14 тыс. руб.
Если же есть возможность изготовить горелку самостоятельно, то понадобится разработать или найти готовые чертежи и хорошо в них разобраться.
Сложнее всего отрегулировать скорость подачи гранул в горелку так, чтобы они полностью успевали прогорать. Для этого понадобится датчик горения, который можно сделать из фототранзистора. Он реагирует на яркость свечения и регулирует паузы между подачами пеллет (когда яркость свечения падает, он включает подачу).
Для розжига топлива можно использовать свечу накаливания от автомобильной печи или паяльный фен.
Вентиляторы турбонаддува применяются не крыльчатые, а центробежного типа «улитка».
Самый экономичный вариант при выборе отопительной системы частного дома — установка газового оборудования. Газовый котел для отопления частного дома. основные критерии выбора и правила монтажа.
Какой вариант настенного газового котла оптимально выбрать? Читайте тут .
Планируете провести газовое отопление в частный дом? Тогда следующая тема будет интересной для вас: http://microklimat.pro/otopitelnoe-oborudovanie/kotly/dvuxkonturnye-gazovye-kotly-dlya-otopleniya-chastnogo-doma.html. Вы можете прочитать все о выборе и установке двухконтурного газового котла, а также получите ответ на вопрос: почему двухконтурный вариант предпочтительнее одноконтурного?
Изготовление узла подачи пеллет
Бункеры могут отличаться по форме и размеру (чем больше бункер, тем реже нужно будет загружать пеллеты). Сварить ёмкость не составит труда, тем более что даже небольшой фабричный бак будет стоить дорого – от 18 тыс. руб. а для самодельной конструкции можно даже сколотить фанерный короб на подставке. Внутри бункера дно делается с уклоном в сторону к шнеку (на подачу пеллет).
Монтируется труба-шахта для подачи топлива в горелку. Она может быть изготовлена из обычной сантехнической пластиковый трубы и гофры, или стальной трубки.
Устройство котла на пеллетах
Внутри монтируется шнек. Его завивают из шинной проволоки плоского сечения или заказывают фабричную модель, которая будет более надёжной. Длина шнека будет зависеть от удалённости бака от печи. Привод делается через редуктор от подходящего по мощности электромотора. Иногда применяют механизм от стеклоподъёмников автомобиля. Он как раз выдаёт невысокие обороты, что делает его наиболее подходящим вариантом.
Если бункер установить над горелкой, то можно спроектировать конструкцию без шнекового механизма.
Изготовление теплообменника
По размеру печи подбирают конструкцию теплообменника. Можно нарезать трубы круглого сечения и вварить их гребёнкой в две продольные трубы (удобнее будет работать, если продольные трубы будут с прямоугольным сечением).
Все сварочные швы нужно проверить на герметичность, а затем установить теплообменник в тело печи, выводя патрубки для подключения подачи и обратки.
Какой трубой делать обвязку котла на твердом топливе
Нет строгих правил, регламентирующих какую именно трубу использовать для обвязки тт котла. Существует всего одна рекомендация, связанная с реальным опытом эксплуатации.
Участок малого круга отопления, изготавливают с использованием металлической обвязки (сталь, медь). Делается это, чтобы при закипании теплоносителя и возникновении аварийной ситуации, трубы не испортились и сохранили герметичность под воздействием высоких температур. Материал остальной части трубопровода, можно выбрать по желанию.
Наиболее распространенными вариантами обвязки являются:
- Металлопластик – обвязка металлопластиковыми трубами, отличается простотой и скоростью монтажа. При наличии необходимого инструмента, все работы легко выполнить самостоятельно. Ставить металлопластиковые трубы стоит, только если в системе предусмотрено наличие буферной емкости, снижающей вероятность перегрева теплоносителя.
- Медь – обвязка медной трубой, обеспечит максимальную теплоотдачу системы отопления. Материал выдерживает температуру до 300°С, не окисляется. Недостатками считаются высокая температура нагрева поверхности трубы, а также требования, связанные с запретом применения фитингов, изготовленных из алюминия.

Полипропилен – подключение полипропиленовыми трубами, является наиболее востребованным вариантом обвязки. Трубы лучше, чем металлопластик выдерживает перегрев, подходят для отопительных систем любого типа, независимо, от выбранного теплоносителя. Правильная обвязка твердотопливного котла полипропиленом, требует, чтобы участок подачи и обратки возле котла, изготавливался из металла. После этого, с помощью переходников, подключают полипропилен. Используют бесшовный материал, предназначенный для отопительных систем (трубы для ГВС использовать запрещается).
Ввиду того, что, нагрев теплоносителя часто достигает температуры закипания жидкости, обвязать твердотопливный котел лучше трубами из металла. Но, так как данный вариант не всегда возможен, допускается использование аналогов. Применение полипропилена со стекловолокном, в системах обогрева с котлом на твердом топливе, показало себя одним из надежных и оптимальных способов обвязки.
Как и чем утеплить трубы
Утепление труб выполняют с помощью мерилона или любого другого утеплителя, предназначенного для этих целей. Если трубопровод укладывают в грунт, как в случае отдельно стоящей котельной, тогда, для дополнительной защиты, используют ПЭТ с большим диаметром.

ПЭТ труба защищает от механических повреждений. Утеплитель является своеобразной защитой от выпадения конденсата, предотвращения ожогов при случайном прикосновении к трубам, а также, уменьшения теплопотерь. Фиксируют изоляцию с помощью хомутов или вязальной проволоки.
Оптимальный вариант
Полностью укомплектованный котёл – очень дорогостоящее оборудование. Его стоимость начинается от 100 тыс. руб. а для крупных объектов может стоить более миллиона. В то же время и самостоятельное изготовление установки тоже может оказаться слишком сложной задачей.
В такой ситуации наилучшим решением будет приобретение комплекта: автоматическая горелка с баком для гранул и системой подачи. Такой комплект может стоить от 17 до 81 тыс. руб. и предназначен для установки на, уже имеющуюся в доме, твердотопливную печь (подойдёт даже кирпичная печь с водяной рубашкой).
- Не требуется переваривать отопление.
- Установка может занять менее часа.
- В дальнейшем пеллетная горелка не будет мешать топить привычным топливом – дровами, углём или электричеством.
- Дешевле полноценного котла, проще, чем самодельный вариант.
Способ монтажа может отличаться, в зависимости от типа и размеров котла, но суть работ сводится к тому, чтобы закрепить горелку вместо дверцы, или прямо в дверце зольника:
- Если размеры дверцы не совпадают с горелкой, её снимают и устанавливают металлическую переходную плиту с подходящим отверстием.
- Собирается бункер и устанавливается рядом с котлом.
- Затем устанавливается шнек, а к горелке подсоединяется гибкая гофра.
- Подключаются блок управления (на шнек).
- От труб отопления к блоку управления подключается датчик температуры.
- Блок запитывается от сети, и производятся настройки.
Заключение
Котлы на пеллетах имеет смысл устанавливать в том случае, если доступны пеллеты для отопления. Этот вид топлива просто хранить – они ничем не пахнут, не пачкают, не взрываются, и не пылят. Пеллеты безопасны — не выделяют при горении такое количество вредных веществ и шлака, как в случае с углём.
Доработка готового котла пеллетной установкой сделает процесс отопления более простым и экологически чистым. Загружать пеллеты в бункер нужно будет раз в три дня (более крупные бункеры заполняются раз в две недели).
Несмотря на то что при строительстве частного дома владелец имеет практически полную свободу в проектировании, есть некоторые помещения, которые должны в обязательном порядке подчиняться нормам СНИП. Таким помещением является котельная. Какие предъявляются требования к котельной в частом доме. вы можете узнать на нашем сайте.
Стоит ли обогревать жилище индукционным котлом, читайте в этом материале. А также о том, как изготовить агрегат самостоятельно.
Что такое обвязка котла?
Обвязка представляет собой все те элементы, которые располагается между радиаторами отопления и котлом. Сегодня многие домашние умельцы не уделяют ей особого внимания, организовывают, не придерживаясь никаких норм и рекомендаций специалистов.
Однако правильно реализованная обвязка позволяет решить множество проблем:
- давление в трубопроводе никогда не превысит максимально допустимый уровень;
- окалина, шлак, песок и им подобный мусор, который может находиться в воде, будет удален;
- излишнее тепловое расширение будет компенсировано;
- предоставляет возможность подключить к системе более одного контура;
- растворенный в теплоносителе воздухе будет выведен;
- позволяет автоматически включать бойлер и накапливать горячую воду, что поможет сэкономить.
Если говорить о пеллетных котлах, то они не всегда отличаются высокой автономностью работы. Но если ответственно подойти к прокладке трубопровода, то можно добиться большей эффективности от такого оборудования.
Правильная обвязка позволяет сделать систему обогрева дома более надежной, безопасной и производительной
Автоматический режим управления
Хранение пеллетных гранул производится в отдельно стоящем бункере, который связан с камерой сгорания. Автоматика позволяет задать недельную программу подачи гранул в котел. Кроме этого, автоматика по установленной программе будет включать или выключать горелку, что позволяет экономить расход топлива и поддерживать заданный температурный режим в зависимости от времени суток. Управление можно производить либо с помощью дистанционного пульта, либо используя кнопки на дисплее.
Бункер объемом от 200 до 300 литров обеспечивает непрерывную работу котла в течение трех дней. Для бесперебойной работы среднего по мощности котла в переделах 25 кВт, суточная норма составляет 5 кг. Можно произвести установку внешнего бункера, что позволит намного увеличить объем загрузки пеллет, тем самым увеличив время работы котла без вашего вмешательства. За работу горелки отвечает система управления, гранулы в камеру сгорания подаются малыми партиями, что исключает возможность перегрева. Если требуется отключить котел, то после нажатия функциональной кнопки его работа автоматически прекратиться через 5−10 минут, которое требуется для полного сгорания загруженной партии пеллет.
Как сделать пеллетную горелку своими руками

Помимо дров и угля есть другие виды твердого топлива, доступные многим домовладельцам. Это древесные гранулы, опилки, шелуха семечек, отходы обработки зерновых. Из-за их сыпучей структуры сжигать такое топливо классическим способом неудобно и малоэффективно.
Получить больше тепла и автоматизировать процесс можно, установив на котел специальное горелочное устройство. Последние имеются в продаже, но они приспособлены для работы на пеллетах.
Чтобы сжигать шелуху и мелкие опилки, потребуется дополнительное устройство, одно из решений — пеллетная горелка, изготовленная своими руками.
Пеллетная горелка своими руками
Строение изделия и назначение его элементов
Задача любого горелочного устройства – создать мощный ровный факел пламени для нагрева водяной рубашки котла, интенсивность которого можно регулировать.
В этом отношении конструкция пеллетной горелки преследует ту же цель и представляет собой небольшую камеру сгорания в виде аэродинамической трубы, в которую подается топливо и нагнетается воздух.
Для подачи гранул или шелухи используется шнековый конвейер, а топливо в него попадает из загрузочного бункера. Объем последнего определяет длительность работы установки. Воздух в зону сжигания поступает принудительно от вентилятора – нагнетателя.
Шнековый конвейер
Камера сгорания может быть как прямоугольного, так и круглого сечения. Последняя встречается чаще, так как она проще в изготовлении.
Если рассмотреть чертежи конструкции пеллетной горелки, то в камере круглой формы надо установить плоский поддон для горящего топлива, а сама она прикреплена к фланцевой плите, которая прилегает к фронтальной плоскости котла снаружи.
Наружная часть устройства состоит из шнекового конвейера с верхним входным патрубком, через который внутрь попадает топливо из бункера. Второй элемент – это вентилятор, установленный под шнеком и подающий воздух в нижнюю часть камеры.
Механизм пеллетной горелки
Сыпучие виды твердого топлива после сгорания образуют очень мало отходов в виде летучего пепла, поэтому устройство пеллетной горелки предусматривает ее самоочищение от потока воздуха, подаваемого нагнетателем. В результате весь пепел скапливается в зольнике, который нужно чистить не чаще 1 раза в неделю.
Описание рабочих режимов
Сам принцип работы пеллетной горелки заключается в следующем: порция топлива попадает в камеру, оно поджигается и включается минимальная подача воздуха. По мере того как топливо разгорается и камера прогревается, воздух нагнетается больше. В результате возникает устойчивый ровный факел пламени, греющий теплообменник с водой.
В заводских горелочных устройствах процесс автоматизирован полностью, розжиг обеспечивается электрическим элементом накаливания, его работу контролирует фотодатчик. Количество воздуха и пеллет, подаваемых в камеру, регулирует электронный блок, получая сигналы от датчиков температуры и давления.
Разобраться в работе устройства поможет схема пеллетной горелки.
https://www.youtube.com/watch?v=pkvWhUl1Nws
Топливо в виде древесных гранул или шелухи семечек может подаваться в шнек для пеллетной горелки различными способами:
- Традиционный способ – это подача пеллет из отдельно стоящего бункера больших габаритов, чтобы его вместительности хватало не менее чем на 7 дней работы котла, который раз в неделю нужно чистить. Из бункера топливо перемещается к горелочному устройству дополнительным шнековым конвейером необходимой длины.
- Более простой подачей топлива может быть оборудована гравитационная пеллетная горелка, выполненная своими руками. В ней шелуха и гранулы под собственным весом ссыпаются в шнек из бункера, установленного прямо над горелочным устройством, а тот подает нужное количество в камеру сжигания. Тогда запас хода котла будет составлять от 1 до 3 суток в зависимости от интенсивности работы.
Подобрать материалы для изготовления устройства несложно. Учитывая температурный режим работы камеры сгорания, для нее лучше взять трубу из жаропрочной стали с толщиной стенки не менее 4 мм. Фланцевая пластина, с помощью которой самодельная пеллетная горелка крепится к корпусу котельной установки, может быть сделана из стали обыкновенного качества толщиной 3 мм.
Подающий конвейер есть возможность приобрести в сборе, а можно изготовить самостоятельно из обычной трубы, поместив в нее шнек. Для вращения подбираются низкооборотный электродвигатель, редуктор и подшипники. Вентилятор надо купить и закрепить на пластине, подготовив для него посадочное место.
Саму пластину нужно изготавливать, изучив чертежи пеллетной горелки, и в зависимости от конструкции дверцы котла.
Детали пеллетной горелки
Изготовление экономичного устройства своими руками
Пеллетный котел имеет довольно простое устройство, поэтому его несложно собрать своими руками. Для этого понадобятся стальные трубы или листы толщиной 3—5 миллиметров, болгарка и сварочный аппарат. Если ранее вам не приходилось сталкиваться со сварочными работами, обратитесь к профессионалу.
Основной элемент котла — теплообменник. Его лучше изготовить прямоугольной формы из труб с квадратным сечением. Для этого:
- Берутся трубы одинакового размера.
- В вертикальной стойке проделывается окно круглой формы.
- В передних трубах вырезаются отверстия для водоотвода (одно для холодной воды, другое — для горячей).
- Детали конструкции соединяются при помощи сварочного аппарата.
Чтобы швы получились ровными, стойки лучше всего расположить на ровной поверхности.
Прежде чем проводить монтажные работы, устройство проверяют на прочность:
- аппарат располагают вертикально;
- закрывают нижнее отверстие;
- заливают в емкость воду.
Внимание! Конструкция не должна пропускать жидкость даже в незначительных количествах. В противном случае требуется снова провести сварочные работы
После того как котел собран и проверен, приступают к его установке
Существуют простые правила монтажа этого прибора:
После того как котел собран и проверен, приступают к его установке. Существуют простые правила монтажа этого прибора:
Устанавливать котел следует в нежилом помещении, например, в подвале. Заранее стоит позаботиться о покрытии пола
Важно, чтобы пол был бетонным или выполнен из керамической плитки. Помещение необходимо хорошо проветривать
В комнате с котлом следят за влажностью воздуха и температурой
Котельная не должны быть маленьких размеров, так как в ней неудобно будет проводить обслуживающие работы
В комнате с котлом следят за влажностью воздуха и температурой. Котельная не должны быть маленьких размеров, так как в ней неудобно будет проводить обслуживающие работы.
Типичные ошибки
Если пренебрегать правилами установки, то уже при первом запуске устройства возникнут проблемы. Самыми распространенными ошибками монтажа являются:
- Слишком быстро появляется нагар, котел плохо дает тепло, хотя все настройки на панели выставлены правильно. Причина: при монтаже проигнорировали установку установкой системы контроля за уровнем нагрева обратной воды. Это серьезная ошибка, которая может в скором времени привести к выходу отопительной системы из строя.
- Возникает слишком много конденсата. Причина может быть в том, что температура в помещении ниже +10 градусов. Это создает резкие температурные перепады при включении-выключении устройства. Если конденсат образуется под котлом, то значит, его поставили на неправильное основание (ситуацию исправит теплоизоляция пола).
- Возникает утечка пиролизных газов. Причина: при монтаже не была обеспечена герметизация котла, топливного бункера, дымохода.
- Котел коптит, в зольнике остаются несгоревшие до конца пеллеты. Причина: установлены некорректные настройки, требуется повторная наладка системы.
- Горелка регулярно гаснет. Причина: в помещении не обустроено приточное вентиляционное отверстие, устройству не хватает кислорода.
Подготовка помещения
При установке пеллетного котла в первую очередь надо правильно подготовить помещение, где будет находиться генератор отопления. Лучше использовать удаленную от жилья зону (хорошо подойдут подвалы, придомовые пристройки, гаражи, иногда котлы ставят на чердаках).
Если помещение с котлом будет находиться по близости к жилым комнатам, то лучше позаботиться о плотной герметичной двери и покрытии полов и дверей моющимися материалами (на них будет постоянно оседать древесная пыль, зола). Лучшим вариантом для облицовки является стандартная кафельная плитка.
Площадь помещения под котел с мощностью 15-18 кВт не должна быть меньше 2,5-3 кв. м., иначе это нарушает правила пожарной безопасности. Температура в помещении не была ниже +10 градусов, чтобы этого добиться стены и потолок можно утеплить пенопластом (достаточно слоя в 10 сантиметров). Необходимости в радиаторах нет.
Влажность выше 40% не приветствуется, так как она снизит эксплуатационный срок системы – если в помещении попадает вода с крыши или через стены, то придется сделать по периметру обшивку гидроизоляционным мембранным материалом.
Еще несколько важных условий при подготовке помещения:
- Наличие приточной вентиляции. Достаточно отверстия диаметром 12-15 сантиметров. Никаких особо сложных систем кондиционирования не требуется. Можно сделать вытяжку, чтобы в помещении было комфортно находиться.
- Наличие доступа к дымоходу или организация нового. Для пеллетных котлов подходит только дымоход типа «сэндвич» (с наличием слоя утеплителя). Высота трубы должна быть не менее 5 метров. Рекомендовано устройство сборника конденсата, чтобы скопление влаги не нарушала работы печи.
- Наличие электропитания в помещении. Пеллетные котлы для автоматизации работы требуют электричества. Также рекомендовано провести свет в помещение, что значительно облегчит работы по обслуживанию печи.

Общая схема, но подробнее читайте ниже
Установка пеллетных котлов – некоторые особенности
Большинство пеллетных котлов изготавливается с применением котловой стали, доля чугунных котлов на пеллетах на рынке невелика. Это связано с тем, что высокая температура сгорания пеллет локализована либо в факеле дутьевой горелки, либо в чашке ретортной горелки. А потому нет необходимости делать весь котле из чугуна, как в случае с угольными или дровяными котлами.

Значит, для установки пеллетного котла не нужен отдельный фундамент или усиленные перекрытия. Обычный котел мощностью в 20-40 киловатт весит от 150 до 300 килограммов, что позволяет устанавливать его на перекрытие самой обычной котельной, без всякого усиления.
Далее, поскольку золы от сгорания пеллет образуется весьма и весьма немного, нет необходимости часто чистить котел и выгребать золу. Достаточно купить пеллетный котел с объемным зольником и чистить котел 1 раз в неделю. Некоторые товарищи подходят к своему котлу 1 раз в месяц, но это уже, я считаю, перебор. За котлом надо следить и обслуживать его.
Экологическая безопасность
Благодаря особой конструкции пеллетных котлов, экологии вашего помещения ничего не угрожает. В них контур, через который осуществляется подача воздуха для полного сгорания топлива, расположен отдельно от контура, с помощью которого осуществляется обогрев помещения. За счет такой конструкции не происходит «выгорания» кислорода и поэтому вы всегда будете чувствовать себя комфортно. Некоторые пользователи дополнительно осуществляют забор воздуха из котельного помещения, тем самым осушая и проветривая его. Кроме этого, к преимуществам котла на пеллетах относятся следующие факторы:
- энергосберегающий и производящий мало шума вентилятор, способен обеспечить равномерную эффективную циркуляцию теплого воздуха;
- низкий уровень потребления электроэнергии, в пределах 60 Ватт, для работы автоматики и вентилятора;
- маленький объем золы и сажи, по сравнению с твердотопливными котлами на дровах;
- корпус котла не нагревается, поэтому он абсолютно безопасен для животных и маленьких детей;
- осуществление автоматической загрузки топлива из бункера;
- интеллектуальная система управления, таймер и термостат осуществляют контроль и обеспечивают непрерывную работу котла в зависимости от установленной программы.
Изготовление экономичного устройства своими руками
Пеллетный котел имеет довольно простое устройство, поэтому его несложно собрать своими руками. Для этого понадобятся стальные трубы или листы толщиной 3—5 миллиметров, болгарка и сварочный аппарат. Если ранее вам не приходилось сталкиваться со сварочными работами, обратитесь к профессионалу.
Основной элемент котла — теплообменник. Его лучше изготовить прямоугольной формы из труб с квадратным сечением. Для этого:
- Берутся трубы одинакового размера.
- В вертикальной стойке проделывается окно круглой формы.
- В передних трубах вырезаются отверстия для водоотвода (одно для холодной воды, другое — для горячей).
- Детали конструкции соединяются при помощи сварочного аппарата.
Чтобы швы получились ровными, стойки лучше всего расположить на ровной поверхности.
Прежде чем проводить монтажные работы, устройство проверяют на прочность:
- аппарат располагают вертикально;
- закрывают нижнее отверстие;
- заливают в емкость воду.
После того как котел собран и проверен, приступают к его установке. Существуют простые правила монтажа этого прибора:
Устанавливать котел следует в нежилом помещении, например, в подвале.
Заранее стоит позаботиться о покрытии пола
Важно, чтобы пол был бетонным или выполнен из керамической плитки.
Помещение необходимо хорошо проветривать. В комнате с котлом следят за влажностью воздуха и температурой.
Котельная не должны быть маленьких размеров, так как в ней неудобно будет проводить обслуживающие работы.
Толщина пеноплекса для утепления пола на балконе
Важным параметром является толщина. Здесь нужно правильно подобрать материал, выполнив несколько расчетов. Плиты выпускают толщиной 20-100 мм. Чем они толще, тем лучше утепление и звукоизоляция, но скрадывается свободное пространство. Если в случае со стенами и потолком это грозит уменьшением полезной площади, то с полом могут возникнуть более сложные проблемы.
Важно! Плиты толщиной 20 мм имеют ровные края. Во время стыковки их заливают пеной. Пеноплекс большей толщины выпускают с замковым соединением, что упрощает монтаж
Пеноплекс большей толщины выпускают с замковым соединением, что упрощает монтаж.
Толщина пеноплекса варьируется от 20 до 100 мм
По этому параметру пеноплекс для пола рассчитывают с учетом толщины всех слоев: стяжка, черновое и финишное покрытие, дополнительная теплоизоляция. Готовый пол балкона не должен подняться выше порога, иначе он создаст дискомфорт.
Супердиффузионные мембраны

В областях с большим количеством осадков рекомендуют применять супердиффузионные мембраны. Благодаря своему трехслойному строению они обеспечивают высокую пропускаемость пара и защищают сам слой уплотнителя от непогоды. Цена на данное покрытие немного выше обычных ветрозащитных веществ, но в будущем они обязательно окупятся, за счет того, что срок их эксплуатации продлится намного дольше, чем у аналогов. Они обладают высоким уровнем пропускания пара – от 1000 г/ м 2 и могут выдержать до 1000 мм. При выборе оптимальной ветрозащиты учтите ее: – ядовитость – она не должна выделять никаких запахов и вредных веществ, – технические свойства – стойкость к температурным скачкам и действия ультрафиолета;
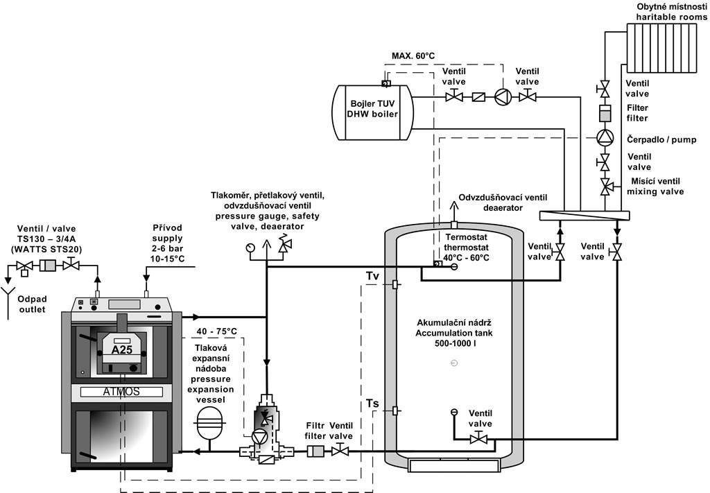
Схема подключения пеллетного котла
Схема подключения пеллетного котла в систему отопления дома идентична схеме подключения любого теплогенератора, будь то газовый котел или котел на дизельном топливе.
Нижний патрубок котла врезается в обратку, верхний патрубок врезается в подачу. Горение пеллет в горелке котла строго контролируется при помощи двух факторов:
- подача топлива шнеком,
- подача воздуха вентилятором.
А потому перегрев котла в штатной ситуации невозможен. Значит, обвязывать металлом подачу котла нет необходимости. Схема пеллетного котла с полипропиленовыми или металлопластиковыми трубами прекрасно работает у многих хозяев долгие годы.



А для внештатных ситуаций, вызванных авариями в линиях электропередач или отказом контроллера котла, стоит предусмотреть схему аварийного отключения подачи топлива и воздуха в камеру сгорания котла. То количество пеллет, которое на момент аварии будет находиться в топке котла, уже неспособно вызвать перегрев теплоносителя в системе отопления.
При такой простоте обвязки, монтаж пеллетных котлов может производить не специализированная организация, а любая строительная организация с лицензией.
Только не доверяйте монтаж пеллетных котлов первым встречным «шабашникам». Это тепловой прибор, предназначенный для сжигания древесного топлива, он является источником повышенной пожарной опасности. И потому установить котел пеллетный они, может быть, и смогут. А вот настроить его и обеспечить пожарную безопасность – уже вряд ли.
Разбираемся в конструкции
Огромный ассортимент материалов и доступность информации позволят не испытывать сложностей с изготовлением котла.
Но любой самодельный агрегат, в том числе и твердотопливный котел, требует для сборки знаний тонкостей конструкции и производственного процесса.
Что необходимо иметь
Для выполнения работ понадобится:
- эскиз;
- навык выполнения сварочных работ;
- умение пользоваться газовым резаком;
- навыки конструктора для того, чтобы правильно выполнить разметку и раскрой материала;
- навыки каменщика;
- , работающий на твердом топливе, потребует умения пользоваться электрическими инструментами: например, резьба болгаркой или электроножницами по металлу.
Сбор материала
Для того чтобы приступить к работе, необходимо запастись материалом. Обязательно понадобятся:
- огнеупорный кирпич, строительный песок (глина);
- трубы прямоугольного и круглого профиля, листовой металл;
- колосники;
- дверки для топочного и зольного отверстия;
- чугунная плита для приготовления пищи;
- водонагреватель и насос для циркуляции воды;
- гравий или щебень, вода.
Инструменты
Производственный процесс не обойдётся без болгарки (электрических ножниц по металлу), сварочного аппарата. Также понадобится газовый резак, для работы которого необходим кислородный баллон и баллон с пропаном.
Также стоит запастись маркером по металлу, уровнем, метровой линейкой, шпателем, щипцами, пассатижами, электрической дрелью с набором свёрл. В целях безопасности обязательно нужно подготовить средства индивидуальной защиты — маски и очки. Можно приступать к работе.



































