Виды
При установке счетчиков вне дома важно выбрать наиболее подходящую модель
При этом надо принимать во внимание потребности в электричестве. Так, например, если планируется использовать оборудование, которому будет необходимо трехфазное питание, то нужно установить соответствующий учетный прибор
Однако в большинстве случаев в частном доме достаточно установить однофазный электросчетчик.
Установка на стене дома
Принцип работы может быть индукционным или электронным. Первая разновидность считается менее эффективной. Рекомендуется выбирать для установки счетчик электронного типа. Однако индукционный, хотя и менее точный, является более надежным в эксплуатации.
Индукционный счетчик
Для индикации результата может использоваться дисплей или механическое устройство. Первый вариант обычно используют при установке в помещениях. Механический способ индикации считается более надежным, он предпочтителен для счетчиков, расположенных на улице.
Важно! Некоторые варианты устройств допускают только визуальное чтение показаний. Однако существуют счетчики, в которых имеется встроенный модем, передающий данные о расходе энергии дистанционно
Счетчики могут иметь одну, две или большее количество тарифных зон. При их использовании тариф в ночное время будет снижен. Для владельца частного дома это будет выгодно, поскольку может понизить общую стоимость использованной электроэнергии. Это удобно в том случае, когда на участке имеется круглосуточное освещение (например, при наличии лампочки над входной дверью).
Электронный прибор учета
При выборе электросчетчика для частного дома потребителю важно обратить внимание на следующее:
- Для учетного прибора предусмотрена предельная сила тока, проходящего через него. Обычно эта величина для трехфазного счетчика составляет 32А, для однофазного — 25 А.
- Нужно выбрать качественный и надежный счетчик. В компании необходимо узнать требования к прибору и приобрести наиболее подходящий.
Дешевые счетчики часто бывают неточными и имеют недолгий срок службы. Ремонт и переустановка обойдутся дороже, чем приобретение качественного счетчика с самого начала.
Это интересно: Мультиметр показывает OL при измерении емкости конденсатора (видео)
Монтаж встраиваемой модели
При выборе этого способа монтажа следует сразу быть готовым к образованию большого количества строительного мусора. Трудоемкость этого способа значительно выше, но щиток будет смотреть намного привлекательнее.

Встраиваемый щит в квартире
Если стены выполнены из гипсокартона, тогда об организации ниши необходимо позаботиться заранее. В бетонной или кирпичной стене нишу необходимо выбивать. С каждой стороны также необходимо оставить зазоры по 3 см. Размеры ниши будут зависеть от конструкции щитка, который вы выбрали. В сформированную нишу необходимо поместить распределительных электрический щиток. Если отверстий для проводов в конструкции нет, тогда их нужно сделать самостоятельно.
Статья по теме: Коврики на пол своими руками: примеры самостоятельного изготовления
Как заменить
Чтобы выполнить замену измерительного прибора электроэнергии, необходимо данный вопрос согласовать с поставщиком электроэнергии.
В каждой компании существуют определенные требования к оборудованию. При этом они не противоречат законодательству и нормам, закрепленным на государственном уровне.
Следует предварительно ознакомиться с договором, который заключен с поставщиком электроэнергии. Кроме этого, могут предлагаться определенные модели конкретных производителей измерительных приборов представителем компании. В таких случаях необходимо самостоятельно сверить стоимость предлагаемого счетчика и рыночную. И после этого решить, где выгоднее его приобрести.
Когда инициатором замены старого индукционного устройства является поставщик электроэнергии, то расходы на приобретение (монтаж) будут также его. Перенос устройства по желанию владельца квартиры оплачивается отдельно. Также потребуется замена входящего (силового) кабеля. Его нужно заранее приобрести.
Примите во внимание: когда счетчик предоставляется на бесплатной основе компанией, его должен менять представитель, а не посторонний электрик
В каких случаях производится замена?
Существует несколько вариантов событий, при которых требуется замена счетчика:
- прежде всего, в 2006 году правительство постановило, что следует заменить все приборы учета потребляемой электроэнергии, если они имеют класс точности более 2,0. (Как правило, к устаревшим приборам относятся механические счетчики со всем известным крутящимся диском);
- если счетчик имеет следы механических повреждений – к примеру, разбито стекло или не работает сам механизм;
- если прибор функционирует ошибочно – неверно начисляется количество потребленной электроэнергии, показатели отличаются от реальных;
- если потребитель перешел на способ оплаты по нескольким тарифам – соответственно, требуется заменить существующий счетчик на многотарифный.
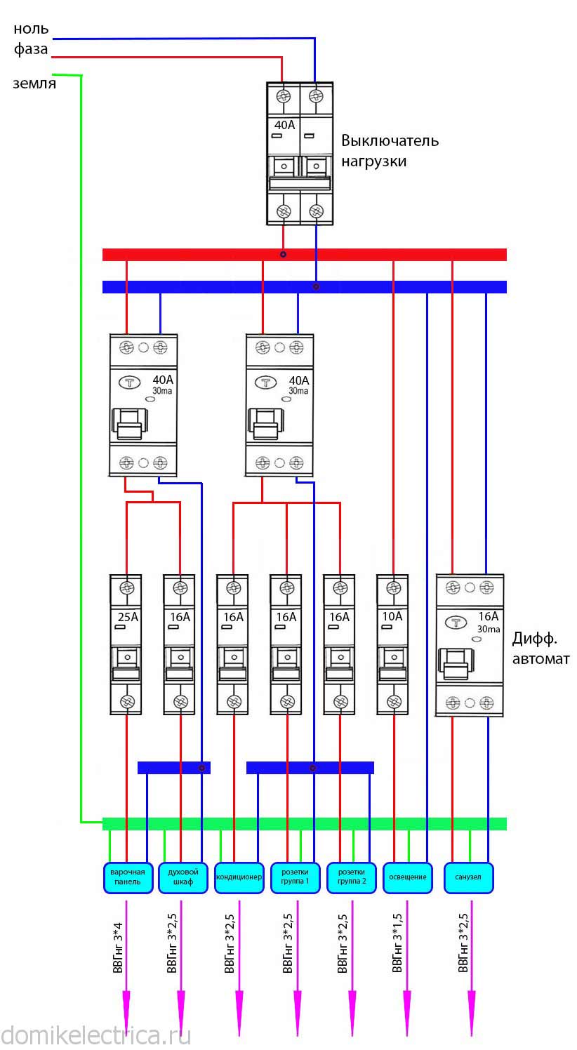
Схема Подключения Щитка В Квартире
Для этого используют или картонную заглушку, которая идет в комплекте со щитом, или самостоятельно вырезанную крышку.

Не стоит экономить на этом изделии. Первым делом необходимо выяснить, какая в доме система электроснабжения, затем разбейте все точки потребления электричества на несколько категорий.

После этого, если есть такая необходимость, делайте нишу под щиток, ну, а коль нет, то просто просверлите отверстия под крепеж и повесьте его на стену. Монтаж электрического щита

Если у вас эл. В пластиковом или металлическом боксе такие шины устанавливаются в свободное место на изолирующие подставки.

Корпус электрощита. Схема щитка выполнена для трехпроводной электрической сети.
Обесточивает электропроводку буквально за миллисекунды после регистрации утечек напряжения, например, при замыкании нулевого провода на землю.
Итак, к Вашему вниманию схема распределительного щита для квартиры улучшенной планировки: При таком количестве потребителей электричества должна быть трехфазная сеть в и на вводе, соответственно, трехполюсный автоматический выключатель на 63 Ампера. Однако гораздо удобнее, когда они располагаются друг за другом в такой же последовательности, что и на схеме.
Нужные отверстия выдавливаются по перфорированным линиям.

Как собрать щиток для квартиры. Электрощит для квартиры своими руками. Один из вариантов
Причины и порядок переноса
После решения проблемы законности предпринимаемых действий следует разобраться с двумя другими важными вопросами: зачем это нужно делать вообще и как перенести электросчетчик из подъезда в квартиру с соблюдением всех правил монтажа (согласно требованиям ПУЭ).
Причины переноса электросчетчика
После переноса электрического счетчика в квартиру можно не беспокоиться о его сохранности и легко отслеживать текущие показания по индикатору прибора.
Переносить электросчетчики из подъезда в квартиру можно в тех случаях, когда эта операция действительно востребована и согласована с соответствующими службами.
Порядок монтажа прибора
Последовательность операций, выполняемых при переносе электрического счетчика:
- Полностью обесточить домашнюю сеть, отключив вводный автомат.
- Снять крышку контактной панели электросчетчика с пломбой, под которой располагаются соединительные клеммы с комплектом подводящих проводников.
- Сфотографировать всю контактную колодку, что позволит зафиксировать порядок подключения отдельных проводов.
- После этого можно смело отсоединять их, чтобы освободить электросчетчик и переместить его впоследствии на заранее подготовленное место.
Все последующие операции связаны с непосредственным переносом прибора. Они выполняются строго в следующей последовательности:
На выбранном и заранее подготовленном месте в помещении установить шкаф или основание под счетчик, надежно фиксируемое на стене. Высота монтажа выбирается с учетом удобства снятия показаний.
Проложить до него жгут с жилами, протянутыми от старого места.
Подсоединить заранее промаркированные провода к соответствующим клеммам счетчика
При их подключении важно следить за тем, чтобы винтовые крепления были затянуты до упора и не могли со временем ослабнуть.
Пригласить представителя энергетической службы, который оценит проделанные работы и опечатает установленный на новом месте прибор.
Только после посещения сотрудника энергоснабжающей организации можно считать все работы завершенными, а заново смонтированный счетчик электричества – эксплуатируемым на законных основаниях.
Документы для установки счетчика
Какие документы требуются для установки электросчетчика?
- Заявление владельца частного дома поставщику электроэнергии на замену прибора учета;
- договор энергообеспечения;
- ксерокопия паспорта установленного электросчетчика;
- правовое основание владения недвижимостью;
- копия удостоверения личности.
Если работы по замене оборудования проводит представитель, дополнительно прилагается нотариальная доверенность.
Заявление составляется в простой письменной форме с указанием:
- данных заявителя – Ф.И.О., прописки и т. д.;
- номера лицевого счета, открытого в энергоснабжающей компании;
- адрес места предполагаемого монтажа счетчика;
- контактные данные заявителя.
Особенности обслуживания счетчика в приватизированной квартире
Приборы учета электричества могут быть расположены в приватизированной квартире. Собственники этого жилья имеют по законодательству право выбирать удобное время для проверки и обслуживания счетчика.Если поставщик планирует проведение работ по обслуживанию, он должен уведомить об этом клиента. Возможно, владелец квартиры не хочет менять свой прибор, который сгорел или сломался и дает неправильные данные, но тарифы на оплату электроэнергии будут в таком случае завышенными.
Оплачивать собственник будет замену только того устройства, которое находится внутри помещения. Приборы на площадке являются общедомовым оборудованием, работы с ним финансирует управляющая компания.
Закон о замене счетчиков электроэнергии 2020
Говоря о нормативном регулировании данного вопроса, нельзя обойтись каким-то одним актом. Этот вопрос регулируется несколькими документами, основными из которых являются:
- Федеральный закон от 23 ноября 2009 года № 261-ФЗ «Об энергосбережении и о повышении энергетической эффективности, и о внесении изменений в отдельные законодательные акты Российской Федерации».
- Постановление Правительства РФ от 4 мая 2012 № 442 «О функционировании розничных рынков электрической энергии, полном и (или) частичном ограничении режима потребления электрической энергии».
- Постановление Правительства РФ от 06.05.2011 N 354 «О предоставлении коммунальных )
Помимо этого, в Госдуме принят закон, который предполагает переход на новые счётчики абсолютно бесплатно. Пока что тестирования проходит лишь в нескольких городах, но от результата будет зависеть целесообразность этой гос. программы.
Причины замены
В каких случаях требуется замена электросчетчиков?
Домовладелец может заменить электросчетчик по собственному усмотрению или же в установленных законом случаях.
В целом существует четыре ситуации, когда собственник частного жилого дома переустанавливает счетчики электроэнергии:
ремонт электросетей с их модернизацией;
- плановый демонтаж;
- выход из строя установленного счетчика (поломка, неверные показания);
- истечение сроков эксплуатации;
- желание заменить прибор на более современную модель (к примеру, на политарифное устройство).
Дело в том, что современный частный дом просто «нашпигован» энергоемкой электроникой:
- сплит-системы;
- отопительные котлы;
- бытовые электроприборы;
- сложное многоуровневое освещение;
- элементы системы «умный дом» и многое другое.
Рассчитанные на относительно щадящую нагрузку индукционные счетчики устаревших модификаций не справляются с ситуацией и, как результат, «удивительные» показания, выбивания пробок. Не стоит сбрасывать со счетов меняющиеся стандарты и нормативы поставщиков энергоресурсов.
Кому положена бесплатная замена электросчетчика
Отдельным категориям абонентов установка счетчиков производится на безвозмездной основе. В отдельных областях право пользования льготой предоставлено всем гражданам преклонного возраста.
Установка счетчика может стать для абонента бесплатной при наступлении определенных обстоятельств:
- государственное управление распорядилось ввести в эксплуатацию технически новые приборы, применение которых положительно скажется на порядке учета и оплаты потребленных киловатт;
- недвижимое имущество находится на балансе местного муниципалитета.
Контрольная аппаратура монтируется безвозмездно при наличии документа, свидетельствующего о наличии льготы.
Сроки выполнения работ
Устанавливаются новые счетчики и после истечения срока службы предыдущего оборудования, и в случае повреждения устройства.
- Производить замену нужно тогда, когда на приборе видны механические повреждения или табло не показывает четко данные.
- Устанавливается новое устройство после истечения времени межповерочного интервала.
- Смена счетчика может выполняться и при срыве, повреждении пломб.
В случае, если прибор выходит из строя, то установка нового выполняется по вызову собственника жилья. Даже если устройство находится на лестничной площадке, оно должно давать достоверные показатели по расходу электроэнергии, работать точно и надежно.
В случае, когда электросчетчик не работает, то следует посмотреть договор на поставку электроэнергии —, в нем указывается лицо, ответственное за обслуживание, ремонт, проверку.
Что подлежит замене?
Замена электросчетчика имеет несколько причин, не считая ремонтных работ. К примеру, сегодня все владельцы недвижимости должны заменить установленные электрические счётчики, имеющие класс точности 2,5. Правительственные постановления запрещают их дальнейшую эксплуатацию, и такие устройства даже сняты с реестра. Замене подлежат и оборудования, сроки проверки которого просрочены.
Основания для обязательной замены:
- Неравномерное вращение диска или полная его остановка;
- Наличие механических повреждений на оборудовании;
- Счётный механизм не работает.
Запрещена дальнейшая эксплуатация прибора, если его герметичность нарушена или смотровое стекло имеет какие-либо повреждения. Если счётчик с ненадлежащим качеством продолжает использоваться, это может привести не только к переплате за электроэнергию, но и к штрафам, так как сетевая компания несёт убыток. Говоря об устаревших моделях, их использование нецелесообразно для государства, так как это не даёт возможности применять многотарифные планы, а это, в свою очередь, минус и для населения, поскольку отсутствует возможность уменьшать размеры платежей за предоставляемый коммунальный ресурс.
Не нарушает ли закон такой перенос
Перенос счетчика электроэнергии в квартиру должен быть согласован с Энергосбытом
Самостоятельный перенос электросчетчика в квартиру с площадки считается законным, если перед этим были приняты следующие меры согласовательного характера:
- В службу Энергобыт подается заявление с просьбой о переносе квартирного прибора учета.
- После его рассмотрения представители компании подготавливают технические условия, согласно которым потребуется выполнить ряд монтажных операций.
- По их завершении должен прийти инспектор службы и проверить правильность подключения перенесенного прибора учета электрической энергии.
- Он должен опломбировать счетчик и составить акт осмотра с подтверждением отсутствия серьезных замечаний.
При таком порядке оформления переноса прибора не важно, кто был непосредственным исполнителем работ – сам пользователь или приглашенный специалист. За процедурой не последуют штрафные санкции
Но при нарушении хотя бы одного из перечисленных пунктов перенос счетчиков электроэнергии в квартиру не будет считаться законным.
Замена электросчетчика в приватизированной квартире
Правительства РФ от 31 августа 2006 года № 530, «гарантирующий поставщик, энергосбытовая организация, сетевая организация, потребители, а также производители (поставщики) электрической энергии определяют порядок проектирования, монтажа, приемки в эксплуатацию, технического обслуживания и эксплуатации приборов учета, перечень имеющихся приборов учета, используемых в целях определения обязательств, а также порядок снятия показаний и расчета на их основании объемов принятой (отпущенной) электрической энергии в соответствующих договорах об осуществлении технологического присоединения, оказания услуг по передаче электрической энергии, энергоснабжения или купли-продажи (поставки) электрической энергии.» «Владелец объекта, на котором установлен данный прибор учета, обеспечивает его сохранность, целостность и обслуживание.
Куда обращаться?
Если требуется поменять устройство, то необходимо обратиться в одну из следующих структур:
- УК или ТСЖ. Управляющие организации обеспечивают функционирование дома, а также предоставляют возможность вызова электрика с соответствующими навыками и допуском. Специалист несет ответственность за все выполняемые действия, процедуры должны производиться по акту приема-передачи.
- Территориальные и сетевые компании, занимающиеся поставкой электроэнергии. Например, Мосэнергосбыт, работающий в столице России. Такие предприятия могут предоставлять услуги по переустановке счетчика.
- Частные мастера или фирмы. Практически каждый магазин предлагает вызов специалиста на дом. Лучше отдавать предпочтение организациям или лицам, представляющим гарантийные документы.
Чтобы избежать волокиты, рекомендуется сразу обращаться в структуры, которые отвечают за опломбировку.
Порядок замены
Перед тем, как самому поменять электросчетчикв доме или квартире, необходимо уведомить энергоснабжающую организацию о том, что вы собираетесь менять счетчик. Вас попросят написать заявление и назначат день, когда придет инспектор снимать пломбу с клеммной крышки прибора. Снять пломбу самостоятельно вам не позволят, а если вы это сделаете – начислят серьезный штраф. За снятие или установку пломбы обычно взимается плата, поэтому потребуется оплатить счет в сберкассе.
Можно также оплатить услугу по замене полностью, и тогда счетчик поменяют представители той же организации. Они его сами сразу и опломбируют. Но не всем это удобно, так как с заменой приборов учета целесообразно совместить какие-нибудь монтажные работы: перепланировку щитка, замену питающего кабеля или изменение его трассы прокладки. Некоторые предпочитают выполнять все переключения в электропроводке, в том числе и замену электросчетчика в квартире своими руками, не доверяя посторонним людям.
После визита инспектора и снятия пломбы можно приступать к замене.
Сколько стоит поменять счетчик электроэнергии
Отвечая на вопрос, во сколько обойдется замена учетного прибора в жилье, предоставить четкий ответ нельзя, если не располагать достаточной информацией. Расчет итоговой цены происходит в индивидуальном порядке.
На ценовой уровень такой услуги, как замена счетчика потребления электричества, могут повлиять такие факторы:
- Расположение учетного прибора электроэнергии;
- Тип, к которому принадлежит счетчик;
- Цена приобретенного устройства;
- Есть ли необходимость проводить работы дополнительного характера, если да, то в чем их особенность.
Дешевле обойдется установка учетного прибора в деревянном доме, в сравнении с бетонными и кирпичными аналогами строений. Связано это с тем, что здесь легче производить фиксацию рамок (накладок) и прочих элементов, с использованием деревянной основы.
Следует учитывать, что некоторые работы, к примеру, по монтажу трехфазных моделей, отличаются особой сложностью. Следовательно, стоимость подобных услуг на порядок больше, чем, если бы подключался обычный однофазный учетный прибор.
Стандартно, в услугу входят работы по замене учетного прибора, демонтаж заменяемого и установка другого счетчика. В ряде случаев, нужно проводить работы дополнительного плана.
Сюда включаются работы по оборудованию шкафа/коробки счетчика, находящегося в не отапливаемом помещении (на улице), штроблению стен для прокладки электропровода.
Работы, проводящиеся дополнительно к стандартным, соответственно, влияют на цену оказываемой услуги, повышая итоговую сумму.
При таких обстоятельствах, для расчета стоимости замены учетного прибора, следует оценить сложность и специфику выполняемых работ.
Кто должен оплачивать замену счетчика электроэнергии
Если потребитель не знает, кто именно должен платить за проведение замены устаревшего или неисправного прибора учета, то причина этого кроется исключительно в его невнимательности.
При подписании им соглашения с УК, следует перечитать каждый из пунктов документа, где такой момент должен обозначаться.
Можно узнать, что согласно закону, оплачивать замену учетного прибора может и сама компания, однако, если такой пункт в соглашении не раскрывается или расписан иначе, есть большая вероятность того, что оплата будет производиться из личных средств.
В гражданском законодательстве (ГК РФ), конкретно обозначается, если жилье (дом или квартира) приватизировано, то именно владелец жилого помещения финансово отвечает за замену в случае поломки, установку и обслуживание имеющегося прибора учета.
Подобный факт подтверждается ссылкой на ст. 210 ч. 2 разд. 2 главы 13, и пункты 139,140 правительственного постановления №530, и №442, 354 с имеющимися изменениями.
Но тут же появляется вполне логичный вопрос: «Когда счетчик размещен не в самом жилье, а непосредственно вне его площади, на лестничной площадке, кто будет оплачивать замену?».
Тут можно основываться на п. 7 правительственного постановления №491, в соответствии с которым именно УК обязана, в случае замены учетного прибора, размещенного в подъезде, оплачивать эти работы.
Когда жилье относится к муниципальному (государственному), финансовые затраты по замене счетчика возлагаются на энергокомпанию. Необходимо отметить немаловажный момент: когда жильцы многоквартирного дома заключили соглашение с УК, оплачиваться замена будет за ее счет.
Последнее, что нужно учесть, оплата замены учетного прибора за счет управляющей компании выполнима лишь при поломке электросчетчика или при окончании его эксплуатационного срока.
Если же потребитель желает провести замену, руководствуясь своими соображениями (замена обычного устройства на двухтарифный, с целью экономии), то производить оплату будет он сам, поскольку в законе определено, что замена может производиться лишь в случае неисправности прибора.


































