Техобслуживание
Профилактические мероприятия по регламентному осмотру газовых котлов предусматривают следующие виды работ:
- Проверка кранов наружного и внутреннего газопровода (разборка, нанесение смазки).
- Обследование терморегуляторов на напольных котлах.
- Промывка или замена фильтрующих элементов.
- Ревизия форсунок, проверка плотности прилегания дверцы, работы запальника на приборах напольного типа.
- Контроль тяги в дымоходе.
- Проверка в зимнее время наледи у коаксиальной трубы настенных котлов.
Все комплектующие детали, подвергшиеся износу в процессе эксплуатации, подлежат замене.
Грамотный профилактический осмотр позволит не только повысить ресурс эксплуатируемого оборудования, но и уменьшит потребление газа.
Ремонт и обслуживание газового оборудования Источник sanmaster62.ru
Что такое влажность древесины, на что она влияет?
Влажность древесины – это показатель, который отражает содержание влаги в материале. Если разбирать на конкретном примере, то в 100 кг дров, где влажность составляет 25, содержится 75 кг древесины и 25 л воды. Это показатель напрямую влияет на выделяемое тепло: чем меньше влаги внутри дерева, тем больше тепла оно выделяет при горении. Таким образом, можно выделить несколько категорий древесины по составу:
- Сплавная древесина, в которой содержится более 80% влаги. Обычно она находится в воде долгое время либо сплавляется – за счет этого и набирает такое количество влаги.
- Свежеспиленное дерево (содержание влаги от 45% до 80%) – в ней обычно еще есть природная влага, поскольку спил произошел недавно.
- Воздушно-сухой тип содержит от 20% до 45% — ее предварительно просушивают на открытой площадке.
- Комнатно-сухой вид древесины ( от 7 до 20%) – этот вид материала долго держат в сухом и проветриваемом месте, поэтому практически вся влага испаряется (иногда для этого могут использовать сушильную камеру).
- Абсолютно сухая разновидность (0%) – в этом случае материал термально обрабатывают.
Если необходимо просушить древесину дома, то даже при самых идеальных показателях удастся достичь не более 15-20% влаги. Можно, конечно, и улучшить этот показатель, но затраты будут не окупаемы. Именно поэтому не рекомендуется тратить средства на особые условия для хранения древесины.
Автоматизация вентиляции котельной
Вентиляция котельной может быть автоматизирована для повышения безопасности людей, находящихся в котельной.
За это:
- Выберите вентилятор с дистанционным или настенным регулированием скорости, запасом мощности (чем больше запас, тем лучше) и несколькими скоростями. Дистанционное управление должно быть установлено на входе в котельную. Если в помещении увеличивается концентрация окиси углерода или природного газа, то максимальная скорость извлечения может быть активирована дистанционно. Вентиляторы с дистанционным управлением стоят в среднем на 10-20% дороже, чем “обычные”.
- В котельной установить газоанализатор – устройство, которое измеряет концентрацию газа и выдает сигнал о его превышении. Средняя стоимость простой домашней модели составляет 3000-6000 рублей.
- Выберите котлы с функциями безопасности: датчик контроля пламени и датчик всасывания. Они автоматически отключают котел, если горелки гаснут или если тяга в дымовой трубе слишком низкая. В средней и высокой ценовой категории эти датчики устанавливаются практически во всех моделях.
Для безопасности лучше следовать всем правилам.
Схемы отопления частного дома с электрокотлом
Самая простая схема отопления частного дома с принудительной циркуляцией ТЭНовым моноблочным электрокотлом, в котором уже имеются расширительный бак, циркуляционный насос, предохранительный клапан и воздухоотводчик.Схема отопления частного дома с простым электрокотлом, не имеющим расширительного бака и циркуляционного насоса.Упрощенная схема применения электрокотла в качестве резервного отопительного оборудования в связке с основным котлом и буферной емкостью. Электрокотел можно использовать во время действия ночной зоны суток со сниженными тарифами, а днем буферная емкость еще длительное время будет отдавать накопленное тепло.Схема подключения двухконтурного электрического котла.Схема отопления с электрокотлом и теплыми полами. Для развода теплых полов на несколько контуров используются гидроколлекторы.
Требования пожарной безопасности
Пожарные нормы для газовых котлов, отдельно оговаривают требования к промышленным и бытовым котельным. Для уточнения существующих ограничений, помещения, используемые для монтажа отопительного оборудования, классифицируются по типу взрыво и пожароопасности. Класс, присваиваемый газовым котельным, В1-В4.
Действующие требования пожарной безопасности к помещениям частных домов с установленными бытовыми газовыми котлами, включают в себя следующее:
- Допускается монтаж атмосферных котлов на цокольном этаже и на крыше здания, при условии, что помещения будут соответствовать указанным в СНиП нормам. Подключение и эксплуатация котлов с открытой камерой сгорания в подвале, запрещается. Теплогенераторы с закрытой камерой сгорания, монтируются в подвальном и любом нежилом помещении в доме. Установка котла на чердаке возможна, при условии наличия хорошей теплоизоляции и соблюдения противопожарных разделок и разрывов.
- Требования к строительным материалам – котельная огораживается со всех сторон огнестойкими перегородками с минимальным пределом сопротивляемости огню, не менее EI45 (0,75 часа).
- Двери должны открываться наружу.
- В бытовых котельных, пожарная сигнализация является не обязательной, но рекомендуемой мерой предотвращения аварийных ситуаций.
- Пол, стены и потолок котельной (в случае установки навесного отопительного оборудования)? облицовывают негорючими материалами – керамической плиткой, гипсокартоном, штукатуркой и т.п.
Для промышленных котельных, действуют подобные нормы за небольшими исключениями:
- Обязательно устанавливается система оповещения об утечке газа и возникновения пожара.
- Система пожарной сигнализации и оповещения о пожаре в котельной, работающей на газе, должна соответствовать требованиям, изложенным в ФЗ N 123. Если котельная классифицируется классом Г, обязательно оснащение прибором, контролирующим утечку газа. Все датчики подключаются к контроллеру котла, дающему сигнал на отключение отопительного оборудования, в случае, если допустимые нормы содержания угарного газа в воздухе, превысили максимальное значение.
Наличие заземления для газового котла – обязательное условие для ввода оборудования в эксплуатацию.
Требования к дверям и окнам в газовой котельной
Высокие требования СНиП предъявляются к окнам и дверям, расположенным в газовой котельной:
- Окна – в котельной предусматривается естественное достаточное освещение. Ширина проема окна, рассчитывается, в зависимости от объема помещения. Обязательно наличие форточки.
- Двери – устанавливается дверное полотно, не меньше 80 см в ширину. Предусматриваются двери, выходящие из помещения котельной прямо на улицу. Все дверные полотна, выходящие в дом и на улицу, должны открываться наружу. Короб устанавливают без нижнего порога.
В бытовых котельных, устанавливается светящийся указатель аварийного выхода, непосредственно над дверью.
Нормы освещенности котельной на газе
Предусматривается искусственное и естественное освещение помещения. Выключатели устанавливаются вне котельной. Для промышленного котельного оборудования, монтируются герметичные светильники с металлической оплеткой. Расчет ширины оконного проема, высчитывается по формуле – 1 м³ помещения = 0,03 м² оконного проема. Вычисления не учитывают перегородок и рамы окна. Расчет проводится по оконному проему. Окно обязательно должно иметь форточку.
Правила энергообеспечения котельного помещения
Строительные нормы для установки газового котла в частном доме, предусматривают рекомендуемые и обязательные требования, затрагивающие энергообеспечение котельного оборудования. К ним относятся:
- Энергозависимые котлы, подключаются к сети электроснабжения через стабилизатор напряжения и ИБП. Емкость источника бесперебойного питания, подбирают с тем расчетом, чтобы обеспечить бесперебойную работу котла в течение 12 часов.
- Обязательно устанавливается контур заземления. Во время работы, котел любого типа, вырабатывает низкопотенциальное напряжение. При определенных обстоятельствах, искра статического электричества, становится причиной возгорания и взрыва.
- Котельная подключается напрямую от щитовой.
Чтобы убедиться, что расположение котла и помещение, которое планируется использовать под котельную, соответствует нормам, описанным с СНиП, ФЗ и СП, перед началом проектных работ, следует получить грамотную консультацию представителя газового хозяйства.
В чем отличие твердотопливных котлов
Помимо того, что эти источники тепла производят тепловую энергию, сжигая различные виды твердого топлива, они имеют ряд других отличий от других теплогенераторов. Эти отличия как раз и являются следствием сжигания древесины, их надо воспринимать как данность и всегда учитывать при подсоединении котла к системе водяного отопления. Особенности заключаются вот в чем:
- Высокая инерционность. На данный момент не существует способов резко потушить разгоревшееся твердое топливо в камере сжигания.
- Образование конденсата в топливнике. Особенность проявляется во время поступления в котловой бак теплоносителя с низкой температурой (ниже 50 °С).
Примечание. Явление инерционности отсутствует только у одного вида агрегатов на твердом топливе – пеллетных котлов. В них имеется горелка, куда древесные гранулы подаются дозировано, после прекращения подачи пламя угасает почти сразу же.
Опасность инерционности состоит в возможном перегреве водяной рубашки отопителя, вследствие чего теплоноситель в ней вскипает. Образуется пар, который создает высокое давление, разрывающее корпус агрегата и часть подающего трубопровода. Как результат, в помещении топочной много воды, куча пара и непригодный к дальнейшей эксплуатации твердотопливный котел.
Подобная ситуация может возникнуть, когда обвязка теплогенератора выполнена неправильно. Ведь на самом деле нормальный режим работы дровяных котлов – максимальный, именно в это время агрегат выходит на свой паспортный КПД. Когда термостат реагирует на достижение теплоносителем температуры 85 °С и прикрывает воздушную заслонку, горение и тление в топке еще продолжается. Температура воды повышается еще на 2—4 °С, а то и больше, прежде чем ее рост остановится.
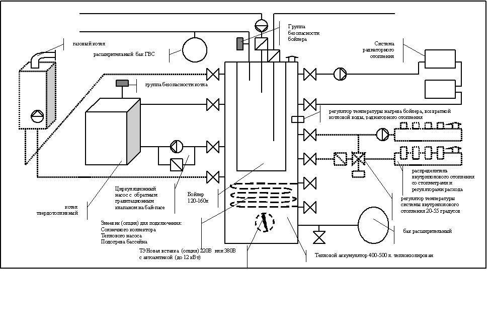
Во избежание превышения давления и последующей аварии, в обвязке твердотопливного котла всегда участвует важный элемент – группа безопасности, подробнее о ней будет сказано ниже.
Другая неприятная особенность работы агрегата на дровах – появление конденсата на внутренних стенках топливника из-за прохождения через водяную рубашку еще не разогретого теплоносителя. Этот конденсат – вовсе не божья роса, поскольку представляет собой агрессивную жидкость, от которой быстро корродируют стальные стенки камеры сжигания. Потом смешавшись с пеплом, конденсат превращается в липкую субстанцию, отодрать ее от поверхности не так легко. Проблема решается установкой смесительного узла в схему обвязки твердотопливного котла.
Такой налет служит теплоизолятором и снижает КПД твердотопливного котла
Владельцам теплогенераторов с чугунными теплообменниками, не боящимися коррозии, рано вздыхать с облегчением. Их может ожидать другая беда – возможность разрушения чугуна от температурного шока. Представьте, что в частном доме на 20—30 минут отключили электроэнергию и циркуляционный насос, прогоняющий воду через твердотопливный котел, остановился. За это время вода в радиаторах успевает остыть, а в теплообменнике – нагреться (из-за той же инерционности).
Появляется электричество, включается насос и направляет в разогретый котел остывший теплоноситель из закрытой системы отопления. От резкого перепада температур у теплообменника случается температурный шок, чугунная секция дает трещину, на пол бежит вода. Отремонтировать весьма сложно, заменить секцию удается не всегда. Так что и при таком раскладе узел подмеса предотвратит аварию, о чем будет сказано далее.
Аварийные ситуации и их последствия описаны не с целью напугать пользователей твердотопливных котлов или побудить их к покупкам ненужных элементов схем обвязки. Описание основано на практическом опыте, который необходимо учитывать всегда. При правильном подключении теплового агрегата вероятность подобных последствий чрезвычайно низка, почти такая же, как у теплогенераторов на других видах топлива.
Требования к обустройству «топочной»
Размеры помещения
Все газовые котлы имеют конструктивные отличия, в том числе, и по типу камеры сгорания. Если она закрытая (проложен коаксиальный дымоход), то габариты комнаты роли не играют. А вот для моделей с открытыми камерами есть определенные нормативы (по минимуму):
- 7,5 м3 – для приборов мощностью до 30 кВт;
- 13,5 м3 – до 60 кВт;
- 15 м3 – для котлов с мощностью более 60 кВт. При этом на каждый дополнительный «киловатт» прибора необходимо добавлять 0,2 м3 помещения.
Объем, как известно, это произведение величин: длина х ширина х высота. Так вот, последний параметр – строго фиксированный и не может быть менее 2 м. Поэтому выбирать размеры помещения нужно с «оглядкой» именно на его высоту.
Расположение топочной
На любом этаже, включая подвальные и цокольные. Это касается всех моделей, где перемещение жидкости по трубам (вода, антифриз) осуществляется принудительно (насосом). Но если котел серии TLO (естественная циркуляция теплоносителя), то только в цоколе или подвале.
Освещенность
На каждый «куб» помещения – не менее 0,03 м2остекленной поверхности. Причем минимум одно окно (не менее 0,25 м2) – на улицу (это не относится к приборам с закрытыми камерами)
Вентиляция
Во-первых, обязательно наличие форточки. Во-вторых, должна быть и принудительная вытяжка. За 1 час она должна обеспечивать 3-кратный воздухообмен.
Место установки котла
- От лицевой панели котла до стены (двери) – не менее 1 м.
- Должен быть обеспечен свободный доступ к прибору со всех сторон. Это необходимо для удобства проведения работ по его техническому обслуживанию в полном объеме.
- Котлы ставятся на постамент, высота которого, а также противопожарные требования к его обустройству оговариваются в Инструкции по монтажу прибора.
- Стена (или стены), у которой расположен котел, должна быть из негорючих материалов (или надежно защищена от термического воздействия).
Необходимо учесть, что все вышесказанное касается частных домов с централизованным газоснабжением. Если используется сжиженный газ (баллоны), то есть некоторые особенности. Например, в этом случае котел нельзя монтировать в подвальном помещении. Поэтому такие нюансы следует уточнять дополнительно.
Нужно понимать, что требования постоянно дорабатываются, изменяются, уточняются. Кроме того, в каждом регионе есть и своя нормативная база. Поэтому подсказка профессионала лишней не будет, ну а основные и важнейшие моменты мы указали.
Монтаж напольной газовой модели
Самостоятельная установка газового отопительного котла в систему должна производиться по стандартам СНиП.
Смысл отдельной котельной
Для напольного котла, работающего на газе, требуется отдельное помещение с параметрами, не менее стандартных. В двери делают сквозное отверстие, чтобы воздушные потоки проникали в котельную, либо устанавливают окно с форточкой.
Дымоход должен быть герметичным, для большей вероятности защиты можно установить две трубы, разместив одну внутри другой.
Исключается риск отравления угарным газом, выделяемым в процессе горения, в случае затухания горелки. Существенно снижается риск возникновения пожара.
Готовим помещение
Напольное газовое устройство отопления размещают, чтобы был свободный доступ на случай ремонта, для постоянного технического обслуживания.
В котельной проводят водопровод, систему водоотведения.
Напольные модели отопительного оборудования весят много, необходимо прочное основание с огнестойким покрытием перед установкой. Подойдет бетонная стяжка, керамическая плитка, камень, брусчатка.
Формирование фундамента под котел
Электропроводку к котлу прокладывают только закрытого типа, с монтажом выделенного распределительного щитка.
Стены покрывают только негорючими материалами, типа штукатурки, плитки.
Запрещается хранить на территории котельной легковоспламеняющиеся предметы, размещать вблизи выход дымоходной трубы и вентиляцию с забором воздуха.
Соединение с газоотводом, коммуникациями
Для вывода продуктов горения рекомендуется установка конструкций коаксиального типа с утеплением негорючим материалом между трубами.
Дымоотвод закрепляется на стене кронштейнами, составляющие секции скрепляются замком.
В местах соприкосновения труб с перекрытием потолка или крыши, дымоход укрывают негорючей прослойкой, в точке соприкосновения с кровлей используется гидроизоляция. Дополнительно место стыка с кровлей покрывается мастикой.
Врезка дымохода
Наверху дымоотводной трубы должен быть колпак, предотвращающий попадание внутрь мусора, осадков.
Когда конструкция для отведения дыма готова, приступают к установке агрегата.
На подводящих трубах отопления формируют резьбу, патрубки подсоединяют гайками, фум-лентой, которую наматывают на резьбу перед закручиванием. Используют сантехнический лен с покрытием жидким герметиком.
Пример подключенного котла
Подключение к линии подачи газа должен осуществлять только специалист из газовой службы. Стыковку с магистралью оставляют на самый конец: мастер выполняет подключение, проводит тестовый запуск.
Пробный запуск газового прибора
Пример подключения газового теплогенератора напольного типа:
Требования, предъявляемые к водонагревательным устройствам и санузлам
С требованиями, касающимися размещения газовых колонок в санузлах, можно ознакомиться, изучив СНиП-42-01-2002 и СП-62.13330.2012. В этих нормах перечислены требования, которым должны соответствовать санузлы и сами колонки. Что касается всех остальных документов, в которых были прописаны правила установки такого оборудования, то, начиная с 2003 года, они считаются недействительными.
Водонагревательные приборы
Газовая колонка в ванной комнате может быть установлена в следующих случаях:
- Если прибор отключается автоматически при отключении электричества, возникновении неисправностей в системе удаления дыма, а также в случае затухания пламени горелки.
- Если температура нагреваемой воды не превышает 95 градусов.
- Если устройство оснащено камерой сгорания закрытого типа.
- Если давление в колонке составляет менее 1 Мпа.
Нельзя устанавливать колонку в ванной в следующих ситуациях:
- Отсутствие свободного и быстрого доступа к прибору.
- Колонка расположена в неудобном месте и постоянно задевается передвигающимися по ванной жильцами.
- Стена, на которой располагается водонагревательный прибор, покрыта легковоспламеняющимся отделочным материалом.
- Устройство, расположенное в гипсокартонной нише или шкафе, не оборудовано рекуперационной вентиляционной трубой.
Некоторые владельцы квартир, делая ремонт ванны с газовой колонкой, прячут её внутрь стены, чтобы водонагревательный прибор не портил интерьер. Однако нормами и требованиями безопасности такое действие строго запрещено. Его маскировку можно осуществлять с помощью гипсокартонной ниши в стене или же шкафа, изготовленного на заказ специально для этой цели. При оборудовании ниши следует учитывать, что её размер должен существенно превышать габариты колонки.
Газовый котел в ванной комнате устанавливается в соответствии с теми же нормами и требованиями, которые предъявляются для монтажа колонок.
Ванная комната
Жильцы, которые планируют установить колонку в санузел, должны убедиться, что помещение соответствует таким требованиям:
- Наличие в санузле окна с форточкой, позволяющей при необходимости проветривать помещение.
- Площадь окна должна быть 0,03 м² на 1 м³ ванной комнаты.
- Высота стен должна быть не менее 2,2 метра.
Кроме того, нормами СНиП предусмотрено, что монтаж тепловых генераторов мощностью до 35 кВт допускается в любом помещении, в то время как приборы мощностью более 35 кВт должны быть установлены только в специально отведенных для этого местах.
Дымоход ни в коем случае нельзя обустраивать через жилые комнаты, он должен располагаться вертикально и не иметь сужений.
Таки образом, газовая колонка в ванной комнате может быть установлена лишь в том случае, если объём помещения будет превышать 15 м³. На практике подавляющее большинство квартир не имеют таких габаритов, а в ванных и туалетах нет окон на улицу. Именно поэтому сотрудники газовой службы могут запрещать монтаж нагревательных и отопительных приборов в санузлах.
Многие старые дома, построенные в 60-х годах, оборудованы колонками, которые расположены в ванных комнатах. Согласно новым нормам СНиП, владельцы квартир старых домов обязаны переносить газовые колонки из ванной на кухню. Такой перенос предполагает ремонт ванной с газовой колонкой и прокладку новых дымоходов на кухне. За несоблюдение данного требования предусматривается штраф. Однако, следует знать, что ремонтные работы не должны выполняться за счет владельцев квартир.
Дымоход – важная составляющая отопительной системы
О дымоходах нужно рассказать подробнее, так как от их правильной работы зависит не только эффективность оборудования, но и ваша безопасность. Системы вентиляции также оборудуются строго по нормативным документам. К ним предъявляют следующие требования:
Запрещено соединять вентиляционные каналы и дымоходные, так как продукты горения газа будут поступать в помещение и могут нанести серьезный вред здоровью человека
Атмосферный и коаксиальный дымоходы
В котельной обязательно предусматривается приточная вентиляция – не важно, если котел работает с коаксиальной трубой. Забор воздуха можно организовать через нижнюю часть наружной стены, в виде вмонтированной металлической решетки, либо входной двери
Размер приточного окна нужно сделать не меньше, чем 1/30 площади всей котельной. Например, котельная у вас 5 квадратов. Делим это значение на 30 и получаем 16 см² – можно, конечно, и больше. Также есть привязка размера к мощности котла – 88 мм² на каждый киловатт, если забор воздуха осуществляется прямиком с улицы, и 300 – если из соседних помещений. Дымоходы могут проходить через перекрытия строения или по его наружной стене
Дымоходная труба должна быть установлена максимально близко к котлу.
Диаметр трубы дымохода не допускается использовать меньший, чем выходной патрубок на котле – это серьезно уменьшает тягу.
Нужно избегать поворотов дымохода на 90 градусов. Всего поворотов должно быть не более 3-х.
Дымоходы могут изготавливаться из разных материалов — в приоритете керамические и из углеродистой стали.
Высота и прочие параметры дымохода, влияющие на качество тяги, должны строго соответствовать всем нормам. На рисунке показаны соотношения высоты выступа над кровлей разных типов. Соблюдение этих правил нужны для того, чтобы труба не попала в область ветрового подпора. Высота дымохода относительно конька крыши
Если крыша плоская, выходящий дымоход в пике, не считая зонта, должен быть выше нее на 50 см. Если установлен парапет по периметру, от отсчитываем высоту от него.
Если труба проходит через скат, на высоту влияет ее удаленность от конька крыши. Если отступ составляет менее 1,5 м то дымоход делается выше конька на те же 50 см. Если от 1,5 до 3 м – делается с ним вровень. При больших значениях сохраняют уклон в 10 градусов – вспоминаем правила геометрии.
Выбор способа отопления частного дома
В условиях России на выбор влияют множество факторов:
- климатические условия региона строительства;
- доступность того или иного топлива;
- наличие на рынке отопительных агрегатов нужного типа;
- личные предпочтения застройщика.
Если в регионе строительства нет газопровода, можно соорудить газгольдер и устроить отопление газовыми приборами. Но это при условии, что есть организация, занимающаяся монтажом оборудования и поставками пропан-бутана для них. Стоимость такого вида газоснабжения ниже, чем при использовании магистрального газа.
При выборе типа системы обычно выбирают не одну. Возможны перебои с подачей топлива, с отоплением таких проблем быть не должно. Поэтому параллельно с газовым или электрическим котлом устанавливают дровяные печи или агрегаты на жидком топливе, например, солярке. В таком случае отопление гарантировано при любых сбоях.
Кроме того, многие пользователи любят посидеть у открытого огня и устраивают, кроме основных агрегатов, камины, очаги и прочие подобные устройства.
Это касательно приспособления для генерации тепловой энергии. Но имеет значение и рациональное распределение тепла внутри помещения. В частном доме чаще всего используются радиаторное водяное отопление. В последнее время в такие системы активно включаются устройства обогрева пола как вспомогательный элемент.
Современные системы, как правило, выполняются многоконтурными, с раздельной регулировкой температуры в каждом из них. Обычно производится контроль в автоматическом режиме обратки с подмесом горячей воды из котла, или холодной из расширительного бачка для получения нужного нагрева системы.
Некоторые особенности имеют системы отопления двухэтажного дома. Значительная высота подъема теплового носителя в данном случае обеспечивает самопроизвольную циркуляцию естественным образом. Это позволяет отказаться от использования в трубопроводах циркуляционного насоса, а расширительный бак можно устанавливать не на чердаке, а непосредственно в котельной.
Такие устройства заполняются значительным количеством воды, поэтому их прогрев происходит медленно. Чтобы избавиться от такого недостатка, рекомендуется применять циркуляционную установку. Мощность его не велика, и, как правило, не превышает 90 Вт, а включение может производиться периодически.

Нормативные правила установки котла на газе
Схема газового котла
Схема газового котла
Такое оборудование классифицируется как возможный источник возникновения пожара или взрыва, поэтому его относят источникам повышенной опасности. По этой причине монтаж котлов должен проводится в полном соответствии нормативным документам, которые утверждены и зарегистрированы в законном порядке.
Перед монтажом стоит ознакомиться с документацией, ведь процесс непосредственного подключения к водо- и газопроводным магистралям осуществляется только при наличии разрешающей документации и людьми, получившими специальные разрешения на такой вид деятельности
Для полной осведомленности в особенностях подключения и важности его выполнения согласно установленных норм, стоит внимательно ознакомится с требованиями, которые выдвигаются уполномоченными государством органами к установкам газового типа
Схема установки газового котла
Для получения полной информации изучите СНиП:
- 42-01-2002 ,
- II-35-76,
- 2.04.08-87 (немного устарел, но содержит много полезных данных),
- 21-01-97,
- 41-01-2003,
- 2.04.01-85.
Только детальное ознакомление с перечисленными документами может сформировать полную и реальную картину требований к казовым агрегатам, которые следует выполнять.
Последовательность монтажа
Промышленность выпускает несколько разновидностей твердотопливных котлов – пеллетные, прямого горения и пиролизные.
Тем не менее, установка твердотопливного котла любого типа выполняется по одинаковой методике:

Грамотное выполнение подготовительных работ перед установкой твердотопливного котла в доме имеет большое значение. Если проигнорировать один из этапов подготовки, в процессе эксплуатации котла вы неминуемо столкнетесь со сложностями. Тогда все недочеты устранять придется в текущем режиме прямо посреди отопительного сезона. Рассмотрим каждый из перечисленных пунктов более подробно.



































