Как работает перепускной клапан системы отопления
Соединение перепускного клапана производится:
- С насосом,
- С подающим патрубком,
- С трубой обратки.
Сравнивать перепускной клапан с предохранительным не стоит, потому что подключение получается разным – предохранительный клапан соединяется со сточной трубой.
Оперативные действия перепускного клапана приводят к снижению и стабилизации давления в отопительном контуре, а значит, сводятся к минимуму риски для водяных радиаторов.

Если вы имеете дело со сложными отопительными системами, в которых контуров несколько, перепускной клапан системы отопления устанавливается за всеми циркуляционными насосами, имеющимися в системе. Когда в таких сложных системах имеются перепускные клапаны, отопительные контуры отличаются стабильностью и эксплуатируются в нормальном режиме.
Устройство обратного клапана представляет собой заслонку и пружину с небольшим усилием, которого достаточно для запирания прохода для теплоносителя, способного устремиться в обратную сторону.

Управление подпиткой
В небольшой по объёму отопительной системе перепады уровня давления, а также снижение общего количества теплового носителя, как правило, можно компенсировать посредством мембранных баков.
Именно по этой причине добавление жидкости в систему – явление относительно редкое.
Упрощение конструкции предполагает ручное включение насосного оборудования, а также открытие и закрытие линии подпитки. В этом случае контроль уровня давления должен быть систематическим.
Управляемое отопление является более сложным, но максимально эффективным. Именно в автоматическом режиме предполагается прямой отказ от работы по принципу «прямое действие». Отпадает необходимость осуществлять регулирование работы источника всей вырабатываемой тепловой энергии, добавлять или убавлять используемые ресурсы. Такой вариант базируется на применении управляющего модуля.
Таким образом, автоматический режим управления основан на подборе максимально комфортного температурного режима и является более удобным, а также позволяет заметно экономить расход энергоносителей.
Итальянская марка отопительных котлов “Беретта” заслужила популярность в нашей стране. Газовый котел Беретта – виды оборудования и обзор популярных моделей.
Как рассчитать теплопотери дома и для чего это нужно, вы узнаете тут.
Технические параметры рабочих жидкостей
Рабочей жидкостью выступает не обыкновенная вода, взятая из водопровода или ближайшего водоема. Напротив, эта вода должна пройти специальную обработку, в нее должны добавляться полезные вещества, а примеси, негативно воздействующие на трубопровод и другие элементы системы, удаляться. В большинстве случаев подобная жидкость заливается в централизованные сети отопления. Должным образом обработать воду не так сложно, да и стоит это недорого, а сам процесс подпитки может выполняться в котельных помещениях.
Обратите внимание! Основным минусом воды в роли теплоносителя считается то, что она замерзает по достижении отметки в 0С, при этом отопительные приборы и трубопровод после этого зачастую разрушаются. Что же касается синтетических составов, то температура промерзания у них заметно ниже, да и их химический состав уже оптимален для магистралей отопления
Но по причине высокой стоимости такие жидкости применяются преимущественно в индивидуальных системах отопления замкнутого типа
Что же касается синтетических составов, то температура промерзания у них заметно ниже, да и их химический состав уже оптимален для магистралей отопления. Но по причине высокой стоимости такие жидкости применяются преимущественно в индивидуальных системах отопления замкнутого типа.

Для чего нужна такая подпитка?
Вы, возможно, уже сталкивались с термином «клапан подпитки». Что он собой представляет и для чего требуется? Попытаемся это выяснить. Начнем с того, что во всех закрытых системах отопления (вне зависимости от используемого типа циркуляции рабочей жидкости) теплоноситель движется от котла, проходит через все отопительные приборы и, в конечном счете, возвращается обратно. И чтобы циркуляция постоянно происходила достаточно эффективно, необходима постоянная поддержка рабочего давления, которое, в свою очередь, связано непосредственно с объемами горячей жидкости.

Даже если при обустройстве системы выполнялись все требования и нормативы, а также при абсолютной ее герметичности, объем теплоносителя все равно со временем будет уменьшаться и этого, увы, не избежать. Причина тому предельно проста: утечки в сети будут в любом случае. Жидкость может вытекать через соединения отдельных элементов системы, через сальниковые уплотнители прибора циркуляции, также незначительное количество жидкости утеривается при каждом открытии крана Маевского. Безусловно, в условиях замкнутой системы данные потери несущественны, но рано или поздно все это суммируется и может стать причиной неожиданных проблем. Ситуация лишь усугубляется, если случается какая-либо системная авария.
Вывод очевиден: объем нагретого теплоносителя нужно периодически восполнять. С этой целью и были созданы упомянутые выше клапаны подпитки.

Замена воды на антифриз
Если в системе уже использовалась вода, а Вы хотите перейти на антифриз, то следует учитывать два обстоятельства.
Во-вторых. полностью удалить воду из системы отопления не удается никогда. Часть воды остается. Если залить просто подготовленный разведенный антифриз, то его концентрация будет недостаточной для надежной защиты от замерзания. Таким образом, нужно применять концентрат. Я обычно смешиваю концентрат с разведенным антифризом в соотношении 1:1. После заполнения системы нужно запустить циркуляционный насос (для системы с принудительной циркуляцией) или включить котел (для системы с естественной циркуляцией), чтобы теплоноситель хорошенько перемешался. Потом нужно отлить немного теплоносителя и измерить его плотность. Для измерения плотности есть прибор, который продается в большинстве автомагазинов. Этот прибор применяется для подготовки к зиме автомобиля (проверки свойств антифриза в системе охлаждения двигателя), но отлично подойдет и для наших целей. Если прибор показывает температуру замерзания ниже, чем нужно, например -50 градусов, ничего страшного, но если температура выше, чем нам нужно, то придется слить часть теплоносителя и заменить его концентратом. Слитый теплоноситель нужно утилизировать аккуратно, он ядовит, его не стоит выливать в септики и канавы.
Еще хочу обратить Ваше внимание на то, что разные антифризы могут быть несовместимы друг с другом. Бытует мнение, что нельзя смешивать красный состав с составом другого цвета. Это так, но на самом деле есть и другие нежелательные сочетания
Добавки разных марок могут реагировать друг с другом или просто снижать эффективность друг друга. К сожалению, производители не сообщают, с какими другими антифризами можно смешивать их продукт. Мой совет — выберите одну марку и используйте ее. Если же все таки появилась необходимость смешать, то смешивайте жидкости одного цвета и перед заливкой, отлейте немного теплоносителя из системы отопления, смешайте ее в банке с новым составом и посмотрите, не выпадет ли осадок, не помутнеет ли жидкость, не потеряет ли однородность
Это так, но на самом деле есть и другие нежелательные сочетания. Добавки разных марок могут реагировать друг с другом или просто снижать эффективность друг друга. К сожалению, производители не сообщают, с какими другими антифризами можно смешивать их продукт. Мой совет — выберите одну марку и используйте ее. Если же все таки появилась необходимость смешать, то смешивайте жидкости одного цвета и перед заливкой, отлейте немного теплоносителя из системы отопления, смешайте ее в банке с новым составом и посмотрите, не выпадет ли осадок, не помутнеет ли жидкость, не потеряет ли однородность.
Принцип работы
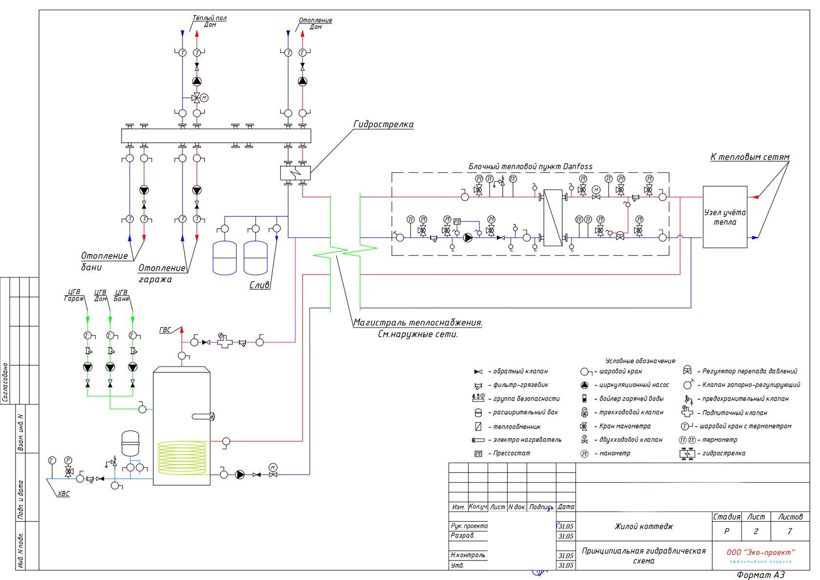
Схема теплового пункта напрямую зависит от особенностей источника, снабжающего энергией ИТП, а также от особенностей обслуживаемых им потребителей. Наиболее распространенной для данной тепловой установки является закрытая система горячего водоснабжения с подключением отопительной системы по независимой схеме.
Индивидуальный тепловой пункт принцип работы имеет такой:
- По подающему трубопроводу теплоноситель поступает в ИТП, отдает тепло подогревателям системы отопления и горячего водоснабжения, а также поступает в вентиляционную систему.
- Затем теплоноситель направляется в обратный трубопровод и по магистральной сети поступает обратно для повторного использования на теплогенерирующее предприятие.
- Некоторый объем теплоносителя может расходоваться потребителями. Для восполнения потерь на источнике тепла в ТЭЦ и котельных предусмотрены системы подпитки, которые в качестве источника тепла используют системы водоподготовки данных предприятий.
- Поступающая в тепловую установку водопроводная вода протекает через насосное оборудование системы холодного водоснабжения. Затем некоторый ее объем доставляется потребителям, другой нагревается в подогревателе горячего водоснабжения первой ступени, после этого направляется в циркуляционный контур горячего водоснабжения.
- Вода в циркуляционном контуре посредством циркуляционного насосного оборудования для горячего водоснабжения передвигается по кругу от теплового пункта к потребителям и обратно. При этом по мере необходимости потребители отбирают из контура воду.
- В процессе циркуляции жидкости по контуру она постепенно отдает собственное тепло. Для поддержания на оптимальном уровне температуры теплоносителя его регулярно нагревают во второй ступени подогревателя горячего водоснабжения.
- Отопительная система также является замкнутым контуром, по которому происходит движение теплоносителя с помощью циркуляционных насосов от теплового пункта к потребителям и обратно.
- В процессе эксплуатации могут возникать утечки теплоносителя из контура отопительной системы. Восполнением потерь занимается система подпитки ИТП, которая использует первичные тепловые сети в качестве источника тепла.
Принцип действия автоматического подпитывающего клапана
Принцип действия, равно как и процесс установки, у такого устройства предельно прост. Заранее необходимо настроить все рабочие параметры. Запрограммируйте предварительно будущие потери воды – как правило, дополнительно следует указать еще и минимальные показатели давления в сети. И если объем рабочей жидкости снизится, к примеру, на 10 процентов, то это активирует клапан, который, в свою очередь, запустит насос.
При помощи этого насоса холодная вода из подающего трубопровода перекачивается в отопительную магистраль в требуемых объемах. И как только потери жидкости будут восполнены, клапан сработает повторно и прекратит автоматическую подачу теплоносителя.
С установкой описываемого прибора вполне можно справиться в одиночку. Вначале на трубопроводе, подающем холодную воду, нужно установить манометр либо же любой другой электронный датчик контактного типа (при помощи такого датчика пользователь сможет регулировать напор одновременно в двух направленностях). Одну из групп необходимо настроить на минимальное давление в сети.
Именно в этом месте следует вмонтировать контактор или же промежуточное реле. И как только объем горячего теплоносителя в замкнутой магистрали снизится, этот контактор инициирует включение механизма, который запустит вытягивающее насосное оборудование. Есть и вторая группа – она необходимо для того, чтобы деактивировать все эти процессы тогда, когда потери жидкости будут восполнены. Исполнительным элементом в данном случае может выступать электрический клапан – своего рода вентиль, оборудованный электромотором.
Важное замечание! Если применяется подпитка системы отопления посредством автоматики, то она (автоматика) будет самостоятельно как контролировать рабочее давление, так и заниматься расчетами компенсационного объема жидкости. Подпитка по байпасной схеме – когда она может потребоваться?
Подпитка по байпасной схеме – когда она может потребоваться?
Так уж повелось, что практически все отопительные системы замкнутого типа способны нормально функционировать исключительно при высоком давлении рабочей жидкости. Хотя это – не единственный важный фактор, поскольку имеет место и температура теплоносителя.
Так, если температура повышается, то это приводит к температурному расширению отдельных технических узлов сети. А с целью компенсации этого расширения устанавливается специальный гидроаккумулятор (известный также как экспамзомат), который способен вбирать в себя излишки гидравлической энергии или, наоборот, отдавать ее в случае дефицита. Гидроаккумулятор подключается таким же образом, как сантехнический байпас.
Подпитка систем открытого тип: схемы, инструкции
Отличительной особенностью открытой отопительной магистрали является то, что в ней отсутствует высокое давление. В связи с этим своего рода датчиком уменьшения объема жидкости может послужить расширительный бак, пусть и несколько модернизированный. Этот бак следует установить в наивысшей точке системы.
Обратите внимание! Подпитка в таком случае будет осуществляться исключительно при уменьшении объема теплоносителя в баке. Чтобы выяснить, действительно ли уровень упал, нужно открыть контрольную трубу: при дефиците теплоносителя там будет отсутствовать напор
Зачастую выход данной трубы обустраивается на кухне или же в ванной комнате. И если при ревизии напора не будет, значит, в систему необходимо долить рабочую жидкость. Для этого служит другой элемент подпитывающей системы – узел, который соединяет отопительную сеть с водопроводом. С конструктивной точки зрения данный узел будет включать в себя такие элементы.
- Шаровый кран, закрывающий/открывающий поток воды в сеть.
- Обратный клапан – он нужен в целях предотвращения обратной подачи жидкости из сети в водопровод. Подобное может произойти, к примеру, при отсутствии воды в централизованном трубопроводе водоснабжения.
- Фильтр. Как известно, качество водопроводной воды не всегда соответствует требованиям, поэтому ее нужно дополнительно очищать от разного рода мусора. Если этого не сделать, то на внутренних поверхностях металлических элементов образуется слой накипи.
Именно по такой схеме выполняется подпитка системы отопления открытого типа. Но стоит помнить, что нужно заранее установить воздухоотводчик, с помощью которого будут удаляться излишки воздуха. Добавим также, что для грамотного восполнения объема воды нужен ее минимальный температурный показатель.
Обратите внимание! Более простая схема подпитки может состоять из обыкновенного накопительного бака, хотя уровень воды в таком случае необходимо мониторить визуально
Подпитка
Как правило, подпитывание отопления осуществляется посредством подключения к холодной водопроводной системе, но в некоторых случаях запитывание производится с применением накопительного бака.
В условиях открытой системы отопления
Об уменьшении объема теплового носителя в открытой отопительной системе сигнализирует расширительный бачок, который монтируется в верхней точке установленной конструкции.
Гравитационная система подпитывается при снижении уровня теплового носителя в бачке и отсутствии достаточного напора внутри контрольного трубопровода.
Схема узла подпитки системы отопления
С целью предотвращения повышенного расхода теплоносителя обязательно устанавливается арматура запорного типа, срабатывающая в момент контрольного открытия крана.
В условиях закрытого отопительного контура
Оптимальный вариант для обустройства отопительной системы закрытого типа представлен монтажом автоматического подпитывающего узла с различными видами арматуры. Лучше всего использовать редуктор, имеющий встроенный фильтр, обратный клапан, задвижку и манометр, позволяющий контролировать показатели уровня давления.
При применении в качестве теплового носителя обычной магистральной водопроводной воды, целесообразно обеспечить установку качественного комплексного фильтрующего устройства, что продлит срок эксплуатации всей отопительной системы.
Подпитывающее устройство чаще всего монтируется на байпас с запаковкой всех резьбовых соединений и впайкой монтажных кранов, после чего производится установка полностью собранного узла.
Основные элементы
Основные элементы
Как и любое оборудование подпитка состоит из нескольких частей. Рассмотрим каждую деталь отдельно.
Исполнительный механизм
При ручном управлении устанавливают одну задвижку, через которую подают или перекрывают воду. Автоматическое оборудование может содержать различные виды устройств дистанционного управления. Самым популярным вариантом служит редукционный клапан. Он состоит из трех частей: запорный и обратный клапан, а также редуктор давления. При этом его устанавливают как в механические системы, так и оснащают электрическими датчиками управления.
В исполнительном механизме устанавливают нижний порог давления. Когда манометр улавливает потери мембрана отпускает пружину, та воздействует на рабочий шток, после чего отверстие клапана открывается. Когда давление нормализуется мембрана вновь давит на пружину и шток встает на место, закрывая проход конусом.
Настроить порог давления, при котором будет начинать подача рабочей жидкости, можно при помощи винта, закрепленного наверху исполнительного механизма. Установив его в определенном положении, позиция фиксируется контргайкой. Чтобы не ошибиться с настраиваемым давлением на устройстве имеется манометр.
Обратный клапан
Рабочая жидкость из отопительной системы не должна смешиваться с питьевой водопроводной водой. Это приведет к негативным последствиям:
- Сделают воду непригодной для употребления человеком из-за развития бактерий.
- Так как трубы отопления постепенно разрушаются внутри в воду может попасть коррозия, которая вредна для здоровья.
- Снижение КПД котла из-за потери давления и снижения температуры.
Теплоноситель может попасть в водопровод во время подпитки если давление в отопительной системе выше чем в трубах с холодной водой. Другая причина смешивания — запорная арматура вышла из строя и начала пропускать.
Чтобы избежать неприятной ситуации позади исполнительного устройства ставят обратный клапан. Некоторые конструкции предусматривают эту деталь внутри редукционного клапана. Современные конструкции подпитки имеют «прерыватель потока», устанавливаемый перед оборудованием.
Накопитель и насос
Когда давление в отопительной системе выше чем в водопроводе, понадобится насос чтобы восполнить потери рабочей жидкости. Автоматически или вручную подать воду невозможно. Если же выйдет из строя обратный клапан, тогда произойдет сброс теплоносителя в холодное водоснабжением.
Разработаны насосы с накопительным баком, в котором всегда есть запас воды для восполнения потерь в отоплении. Это позволяет решить проблему, даже когда в холодном водопроводе низкое давление. Насосы могут быть как ручными, так и автоматическими. Первый вариант предусматривает установку накопительной емкости выше уровня расширительного бака. Такую схему монтажа называют гравитационной. Во втором случае применяется гидроаккумулятор, соединенный с мембраной, постоянно находящейся под давлением.
Выпускаются вертикальные насосы без накопительного бака. Они предназначены для частных домов и устанавливаются в колодцах под воду.
Фильтры
Иногда в холодном водопроводе подается жидкость с примесями которая может нарушить работу систему отопления. Для защиты перед исполнительным устройством устанавливают два вида фильтров:
- Очистка от мусора. Внутри используется сетка с мелкими ячейками, в которых застревают загрязняющие частицы. Иногда такой фильтр встраивают в исполнительный механизм.
- Химическая очистка. Чтобы избежать коррозии труб отопления смягчают поступающую воду. Обычно при помощи реагентов устраняют соли кальция.
Все виды фильтров нужно регулярно чистить. Так они будут надежно исполнять свои функции и не забивать клапаны.
Балансировка системы
Балансировочные клапаны настраиваются после установки оборудования и пуска теплоносителя
Расчеты любой гидравлической схемы очень сложны. При монтаже проявляются особенности и отклонения, которые при вычислениях учесть невозможно: засоры, окалина, сужения. На практике гидравлику увязывают на этапе проектирования, а затем производят наладку с помощью балансировочных клапанов. Это устройство – регулируемая шайба. С ее помощью меняют пропускную способность клапана, то есть гидравлическое сопротивление. Таким образом связывают работу всех контуров.
Балансировочные клапаны ставят на все узлы и системы ТП: теплообменник, насосы, контуры водоснабжения, вентиляции, отопления. Дополнительные устройства требуются для согласования работы контуров и компенсации работы насосов.
Клапан прямого и непрямого действия
Регулирующая давление арматура разделяется на устройства прямого и непрямого действия.
- Первый тип клапана имеет простую конструкцию: пружина приводится в движение затвором, на который напрямую давит теплоноситель. Такие устройства недороги, просты в эксплуатации, надежны, нечувствительны к загрязнениям, но не очень точны в настройках.
- Устройства непрямого действия, называемые также импульсными, имеют главный клапан с поршневым приводом, импульсный клапан меньшего сечения и датчик давления. При изменении давления малый клапан давит на поршень, который и приводит в движение главный клапан, регулирующий пропускную способность устройства. Таким образом, управление потоком происходит опосредованно, непрямым способом. Клапаны этого типа менее надежны в силу большего количества деталей, дороги, но точнее настраиваются.
Особенности использования воды в качестве теплоносителя
С точки зрения эффективности переноса тепла вода — идеальный теплоноситель. Она имеет очень высокую теплоемкость и текучесть, что позволяет доставлять тепло к радиаторам в требуемом объеме. Какую воду заливать? Если система закрытого типа, заливать можно воду прямо из крана.
Да, водопроводная вода неидеальна по составу, в ней содержатся соли, некоторое количество механических примесей. И да, они осядут на элементах системы отопления. Но это произойдет один раз: в закрытой системе теплоноситель циркулирует годами, подпитка небольшим количеством требуется очень редко. Потому никакого ощутимого вреда некоторое количество осадка не принесет.

Вода как теплоноситель для систем отопления почти идеальна
Если отопление открытого типа требования к качеству воды, как к теплоносителю, намного выше. Тут происходит постепенное испарение воды, которое периодически восполняется — воду доливают. Таким образом получается, что концентрация солей в жидкости все время увеличивается. А это означает, что и осадок на элементах тоже накапливается. Именно поэтому в системы отопления открытого типа (с открытым расширительным бачком на чердаке) заливается очищенная или дистиллированная вода.
В данном случае лучше использовать дистиллят, но достать его в требуемом объеме бывает проблематично, да и дорого. Тогда можно заливать очищенную воду, которая пропущена через фильтры. Наиболее критично наличие большого количества железа и солей жесткости. Механические примеси тоже ни к чему, но с ними бороться проще всего — несколько сетчатых фильтров с ячейкой разных размеров помогут отловить большую их часть.
Чтобы не покупать очищенную воду или дистиллят, ее можно подготовить самостоятельно. Во-первых, налить и отстоять, чтобы осела большая часть железа. Отстоявшуюся воду аккуратно перелить в большую емкость и прокипятить (крышкой не закрывать). Этим удаляются соли жесткости (калия и магния). В принципе, уже такая вода неплохо подготовлена и ее можно заливать в систему. А доливать потом уже или дистиллированной водой или питьевой очищенной. Это уже не так бьет по карману, как первоначальная заливка.
Зачем необходима дополнительная подпитка?
Подпитка независимой системы отопления
В закрытой схеме отопления теплоноситель принудительно или естественным образом циркулирует от котельной установки через все обогревательные приборы, а затем возвращается назад. Для того чтобы этот процесс происходил максимально эффективно, необходимо постоянно поддерживать рабочее давление, а оно напрямую зависит от объема горячей воды.
Даже если схема отопления собрана с соблюдением всех правил и норм, и обеспечена ее герметичность, потери объема теплоносителя избежать не удастся. А все потому, что утечки все равно присутствуют. Они могут происходить через стыки магистральных элементов, небольшое количество воды теряется при открывании крана Маевского, также она просачивается и через сальниковые уплотнения циркуляционного насоса.
Конечно, описываемые потери незначительны для закрытого отопления, но со временем все они суммируются. Существенно осложняет положение любая коммуникационная авария. Поэтому необходимо периодически пополнять объем горячей воды, которая курсирует внутри закрытой системы. Для этого и существуют специальные клапаны подпитки.
Открытые и закрытые системы отопления
Системы отопления, по своей конструкции делятся на два больших класса. Так называемые открытые и закрытые. Только открытую систему можно заливать сверху, поскольку она открыта (имеет открытый расширительный бачок). Но обе системы можно заливать снизу. Про тонкости открытых и закрытых систем отопления читайте специальную статью на этом же сайте.
Залить открытую систему можно как сверху, так и снизу. Залить закрытую систему можно только снизу.
На самом деле закрытую систему тоже можно залить и сверху, и с середины и вообще из любого места. Но это абсурдные варианты, поэтому и рассматривать их не будем.
Принцип работы

виды обратных клапанов
Направление движения теплоносителя в отопительной системе может изменяться под воздействием различных факторов: неравномерного охлаждения жидкости, нарушений в проектировании и монтаже трубопровода, прорывов. Этот процесс способен вывести из строя, как сам котёл отопления, так и всю систему обогрева.
Для стабильного движения жидкости только в одном направлении используются обратные клапаны, блокирующие противоположный отток теплоносителя. В их конструкции имеются запорные элементы, реагирующие на изменение перемещения воды в трубах и автоматически перекрывающие ей доступ.
Элементы устройства
Система подпитки состоит из пяти взаимосвязанных частей.
Исполнительный механизм

Строение компонента зависит от способа управления. В ручном используют одну задвижку для изменения подачи воды. В автоматическом размещают несколько устройств контроля.
Наиболее классический вариант — два клапана (запорный и обратный) и редуктор. Их применяют как в механических, так и электронных системах.
Оснащение приборами контроля также зависит от вида отопления.
Исполнительное устройство необходимо настраивать. В нём задают уровень минимального давления с помощью вентиля, установленного в верхней части. Выбрав необходимый порог, положение фиксируют контргайкой. Правильной настройке способствует измеритель, встроенный в механизм.
Заметив нарушение работы отопления, мембрана отпускает пружину, которая толкает шток. Последний изменяет размер отверстия, впускающего воду в обвязку. Нормализация давления возвращает компонентам исходное положение.
Обратный клапан
Служит для разделения водопроводной и отопительной жидкостей. В противном случае возникает риск:
- заражения бактериями;
- распространения коррозии из обвязки в холодное или горячее водоснабжение;

Фото 2. Обратный клапан Watts Alimat ALMD 1/2 BP с манометром, необходим для разделения отопительной жидкости с водопроводной.
снижения коэффициента полезного действия котла из-за увеличения нагрузки и потери давления.
Внимание! Чем выше давление в трубах ХВС, тем больше шанс попадания теплоносителя в водопровод. На это также влияет нарушение положения или пропускной способности запорной арматуры
Обратный клапан помогает избежать подобных проблем. Его монтируют в заднюю часть исполнительного механизма. Некоторые системы подпитки включают дроссель. Он установлен в редуктор. Современные устройства поставляют с прерывателями, смонтированными перед клапаном.
Редуктор у котла

Редуктор служит для включения подпитки в обвязку. Его размещают у котла на обратной трубе. Благодаря низкому давлению теплоноситель легко входит в систему.
Если в проекте предусмотрена установка насоса циркуляции, то последний монтируют вторым.
В противном случае возможно возникновение неисправностей, приводящих к нарушению работы всего отопления.
Накопитель, ручной и автоматический насос
В течение эксплуатации водяной системы отопления наступает момент, когда давление превышает нормальную отметку. Это происходит при потере жидкости и заполнении пространства воздухом. Для возвращения нормальной работы используют насос, который восполняет недостаток за счёт холодного водоснабжения.
Некоторые устройства включает накопительный бак, в котором, на случай необходимости, хранится теплоноситель. Подобные механизмы позволяют исправить проблему с давлением во всей обвязке, включая ХВС.
Насосы делятся на два вида:
- Ручные требуют размещение выше бака расширения. Это называется гравитационным монтажом.
- Автоматические используют гидроаккумуляторы, подключаемые к мембране. Соединение держат под давлением.
Но также есть вертикальные устройства, не включающие накопителя. Их ставят в колодец с водой.

Фото 3. Автоматический насос Grundfos в отопительной системе подпитки с гидроаккумулятором, подключается к мембране.
Водяные фильтры
Необходимы для защиты устройства от загрязнений и примесей, поступающих с холодной водой. Используется два вида:
- Первые необходимы для удаления мусора. Их размещают в исполнительном механизме для предотвращения попадания частиц грязи в систему.
- Вторые проводят химическую чистку жидкости, разлагая твёрдые частицы солей.
Оба вида нужно периодически проверять на работоспособность и степень загрязнения.
Как залить в систему не воду, а другое вещество?
Желание залить антифриз сразу порождает множество проблем. Мы не можем заливать из водопровода, а заливка сверху страшно нудная. Кроме того, мы обязательно разольем довольно много ценного и дорогого антифриза. А в закрытую систему вообще нельзя залить ничего сверху. Так или иначе придется в самом конце поддать жидкости для создания избыточного давления.
Могу предложить только два варианта. Заливать снизу либо ручным насосом, либо из ведра каким-нибудь электрическим. Но не всякий электрический может работать с жидкостями кроме воды. Этот вопрос надо специально изучать. Ручные насосы в продаже есть. Они называются опрессовочные. Стоят больше 8 тысяч рублей и явно являются профессиональными инструментами. Я, честно, даже боюсь представить, что мне когда-нибудь нужно будет заливать в систему антифриз
Могу только осторожно потеоретизировать на эту тему
Ну, во-первых, я бы задумался об антифризе еще на этапе проектирования системы
Я бы обратил основное внимание на емкость системы. Использовал бы тонкие трубы, панельные радиаторы и какие-нибудь проточные, не накопительные котлы, если такие есть
Для заливки я бы купил насос. Совершенно точно есть насосы для перекачивания технических жидкостей. Они на много дороже обычных и сделаны обычно из нержавейки. Насос должен быть рассчитан на подходящее давление (от 2-3 атмосфер) и иметь по возможности не слишком значительную производительность. Ну литров 10-15 в минуту. Заливал бы я из большого ведра. То есть насос должен быть маленьким. Профессиональных насосов маленьких не бывает! Непрофессиональные «заточены» только на воду.
По поводу ручных насосов мысли у меня есть. Напишу, но не в рамках этой статьи. Ручной насос остается актуальным, ибо нам в процессе жизни, приходится подкачивать жидкость в систему.
Можно присоединить к обратному клапану длинный шланг, потом взять конец этого шланга и отправиться с ним к себе же на чердак. Там вставить в конец шланга лейку и заливать систему оттуда. Получается как бы сверху (с чердака), но в то же время и снизу. Вопрос — сколько антифриза останется в шланге и как его выливать так, чтобы не пролить? Идея кажется теоретически рабочей, но я предвижу много проблем с практической точки зрения.
Элеваторный узел системы отопления – принцип работы
На рисунках ниже указаны самые распространенные схемы соединения тепловых сетей и тепловых пунктов.
В статье рассмотрены принципиальные схемы тепловых пунктов ТП , а не монтажные. Датчик тепла устанавливается в подающую трубу, которая находится в подвале, до элеватора.
Сертификаты на используемые электроды и трубопроводы. В составе ИТП, который также управляет системой горячего водоснабжения дома, прежде всего необходим теплообменник, в котором, собственно, происходит подогрев воды из водопровода до необходимой температуры, также регулирующий клапан с электроприводом, которым управляет электронный регулятор температуры или автоматический регулятор температуры прямого действия, а также автоматический регулятор перепада давления и два циркуляционных насоса.
Руководство УК вынуждено полагаться на проектировщиков, однако они обычно аффилированы с конкретным производителем ТП или компанией, производящей монтаж. Не допускается применять чрезмерное усилие в случае ручного управления клапаном, а также при наличии давления в системе нельзя разбирать регуляторы. Реализация на практике индивидуального теплового пункта Первые современные энергоэффективные модульные ИТП в Украине были установлены в Киеве в период — гг. Ведь очень часто расчетное потребление значительно больше фактического по причине того, что при расчете нагрузки поставщики тепловой энергии завышают их значения, ссылаясь на дополнительные расходы.
От его характеристик во многом зависит регулирование систем отопления и ГВС, а также эффективность использования тепловой энергии. Наблюдать за отсутствием постороннего шума, а также не допускать повышенной вибрации. При этом необходимо, чтобы температура теплоносителя в системе отопления изменялась в зависимости от изменения температуры наружного воздуха.
Зависимая схема с двухходовым клапаном и насосами в подающем трубопроводе

Подобных ситуаций позволит избежать установка приборов учета. При этом по мере необходимости потребители отбирают из контура воду. Может состоять из одного или нескольких блоков. Проектные документы, где есть все необходимые согласования. Дейнеко Индивидуальный тепловой пункт ИТП — важнейшая составляющая систем теплоснабжения зданий.
Часто тепло из системы ГВС используется потребителями для частичного отопления помещений, например ванных комнат в многоквартирных жилых домах. Охлажденная сетевая вода поступает в систему отопления.
Но любая система имеет и недостатки, коллекторный узел не стал исключением: Для каждого элемента элеватора нужны отдельные расчеты. Принципиальная схема ИТП для двух систем отопления при зависимом присоединении к тепловой сети и системы ГВС с непосредственным водоразбором. Изменение просвета меняет скорость движения воды.
Суть схемы теплоснабжения Москвы



































